Operation CHARM: Car repair manuals for everyone.
Manuals through 2025 now available!

Our trusted friends have launched a new website named LEMON, which has newer manuals. It also contains all the CHARM manuals.

LEMON is the spiritual successor to CHARM, I recommend you try it!

Link: lemon-manuals.la or lemon-manuals.org.ua

(Some people have issue connecting. LEMON is investigating. For now, use Firefox or change your DNS server)

Or, hide this message: temporarily or permanently

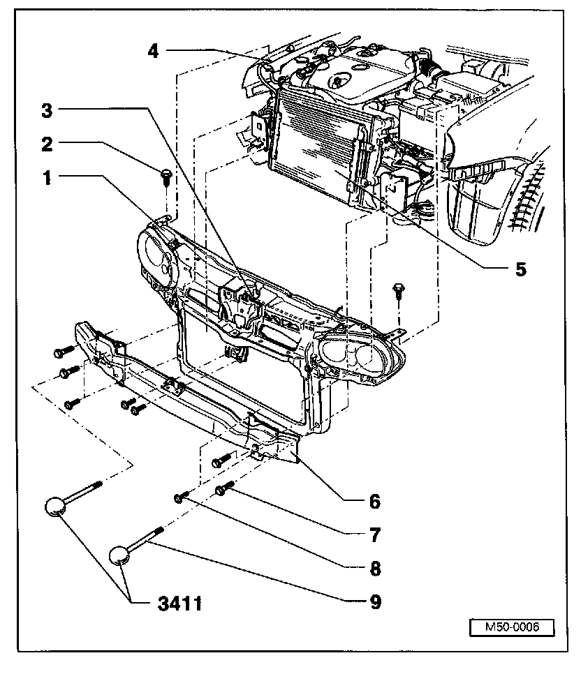
Body and Frame: Service and Repair



Lock carrier with attachments, removing & installing






1. Lock carrier with attachments

Removing

- Unhook bowden cable at lock and disconnect electrical connections.
- Disconnect connections on headlight housings.
- Remove front bumper and bumper carrier. Service and Repair
- Disconnect headlight washer system at T-piece.
- Unbolt radiator and condenser from lock carrier.
- Secure radiator and condenser in engine compartment.

NOTE: Do not unhook condenser at lines. Condenser lines must not be kinked.

Installing

- Align lock carrier at longmembers and between fenders.
- Adjust Gaps/shut lines
- Adjust headlights.

2. Bolt
Qty. 2
8 Nm

3. Bowden cable
4. Hole in side panel
5. Radiator and condenser

6. Bolt
Qty. 4
8 Nm

7. Bumper carrier
8. Bolt
Qty. 4
20 Nm

9. Guide rods 3411