Operation CHARM: Car repair manuals for everyone.
Manuals through 2025 now available!

Our trusted friends have launched a new website named LEMON, which has newer manuals. It also contains all the CHARM manuals.

LEMON is the spiritual successor to CHARM, I recommend you try it!

Link: lemon-manuals.la or lemon-manuals.org.ua

(Some people have issue connecting. LEMON is investigating. For now, use Firefox or change your DNS server)

Or, hide this message: temporarily or permanently

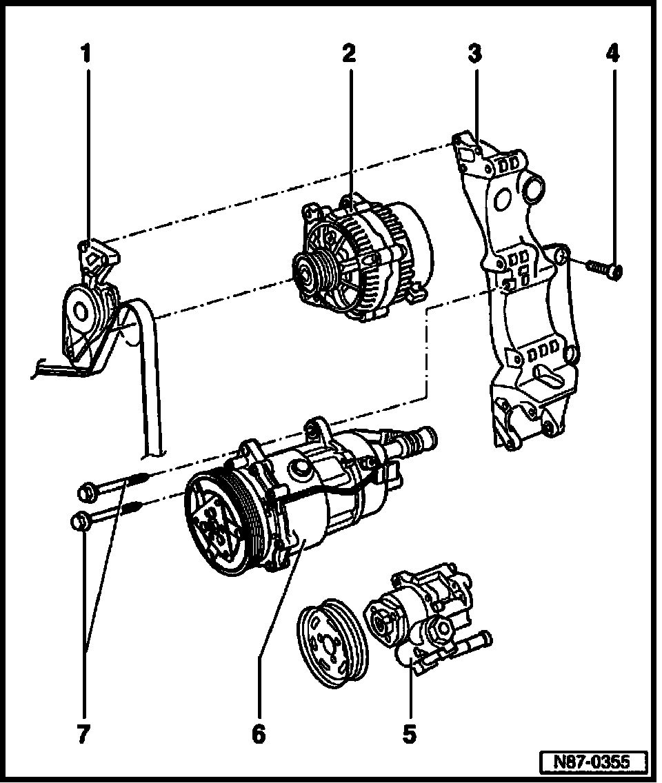
Compressor Bracket, Removing and Installing



4-cylinder Gasoline Engine







Special tools and equipment required
- Torque wrench (5 - 50 Nm)

NOTE: The compressor bracket and related components can be removed and installed without discharging the refrigerant circuit.

1. Ribbed belt tensioner
- Ribbed belt routing see Fig. 1
- Ribbed belt, removing.
2. Generator
3. Bracket for generator, compressor and power steering pump

- Removing:
- First remove generator and power steering pump.
- Remove bolts -7-
- Remove compressor from bracket and suspend with wire on body.
- Remove socket head bolts -4- (qty. 4)
- Remove bracket from engine block.

4. Socket head bolt M10x55
- Qty. 4
- 50 Nm (37 ft lb)
5. Power steering pump
6. Compressor
- Manufacturer: Sanden, designation: SD7V16
- Manufacturer: Zexel, designation: DCW-17D
- With A/C clutch -N25-
- -N25- (Sanden), servicing.
- -N25- (Zexel), servicing.
7. Bolt M10x112
- 45Nm (33 ft lb)

Fig. 1 Ribbed belt routing







NOTE: Before removing ribbed belt, mark direction of rotation. When installing the belt ensure it is correctly seated in the pulley.