Operation CHARM: Car repair manuals for everyone.
Manuals through 2025 now available!

Our trusted friends have launched a new website named LEMON, which has newer manuals. It also contains all the CHARM manuals.

LEMON is the spiritual successor to CHARM, I recommend you try it!

Link: lemon-manuals.la or lemon-manuals.org.ua

(Some people have issue connecting. LEMON is investigating. For now, use Firefox or change your DNS server)

Or, hide this message: temporarily or permanently

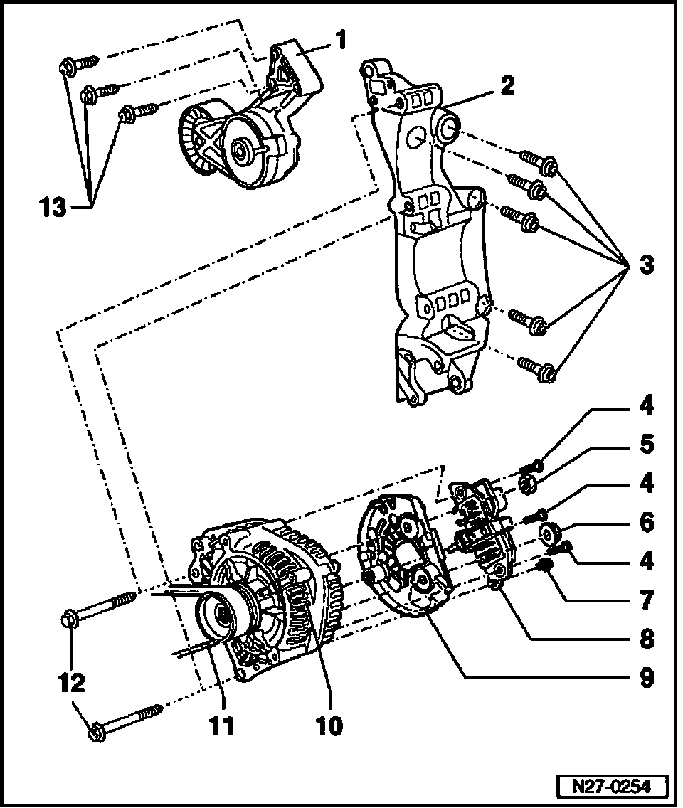
Alternator: Locations



4-Cylinder Gasoline Engines From 05.99, Assembly







1. Tensioner
2. Bracket
3. Hex socket bolts
- M10 x 45 mm
- 45 Nm
4. Screws
5. Nut
- M8
6. Nut
- M8
7. Screw
8. Voltage Regulator (VR)
- Checking carbon brushes
9. Protective cap
10. Generator (GEN)
- Tightening torque of B+ wire to generator
11. Ribbed belt
- Ribbed belt routing
12. Hex bolts
- M8 x 85 mm
- 25 Nm
13. Hex bolts
- M8 x 45 mm
- 25 Nm