Operation CHARM: Car repair manuals for everyone.
Manuals through 2025 now available!

Our trusted friends have launched a new website named LEMON, which has newer manuals. It also contains all the CHARM manuals.

LEMON is the spiritual successor to CHARM, I recommend you try it!

Link: lemon-manuals.la or lemon-manuals.org.ua

(Some people have issue connecting. LEMON is investigating. For now, use Firefox or change your DNS server)

Or, hide this message: temporarily or permanently

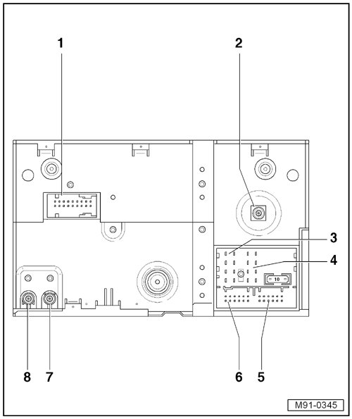
Navigation System






Radio Navigation System Multi-Pin Connector Assignments





1 - 18-pin multi-pin electrical connection 1, not Applicable to USA and Canada

2 - Multi-pin electrical connection 2

Connection for navigation system antenna

Terminal assignment, => [ Multi-Pin Connection 2 ]

3 - 8-pin multi-pin electrical connection 3

Terminal assignment, => [ 8-Pin Connection 3, Loudspeaker Outputs ]

4 - 8-pin multi-pin electrical connection 4

Terminal assignment, => [ 8-Pin Connection 4, Power Supply and CAN-Bus ]

5 - 12-pin multi-pin electrical connection 5

Terminal assignment, => [ 12-Pin Connection 5, Pre-Amplifier Output Signals ]

6 - 12-pin multi-pin electrical connection 6

Terminal assignment, => [ 12-Pin Connection 6, CD Changer Control, CD Audio Input Signals and
Satellite Radio ]

7 - electrical connection 7

Antenna connection for terrestrial radio reception

Terminal assignment, => [ Connections 7 and 8, Antenna Connections ]

8 - electrical connection 8

Antenna connection for terrestrial radio reception

Terminal assignment, => [ Connections 7 and 8, Antenna Connections ]

Multi-Pin Connection 2





1 Blue colored connection for antenna input signal " Navigation"

8-Pin Connection 3, Loudspeaker Outputs





Radio - Navigation head unit loudspeaker outputs are uses as input signals to Digital Sound System Control Module (J525).

1 Right rear loudspeaker, plus
2 Right front loudspeaker, plus
3 Left front loudspeaker, plus
4 Left rear loudspeaker, plus
5 Right rear loudspeaker, minus
6 Right front loudspeaker, minus
7 Left front loudspeaker, minus
8 Left rear loudspeaker, minus

8-Pin Connection 4, Power Supply and CAN-Bus





9 CAN-Bus, plus
10 CAN-Bus, minus
11 Radio muting (during telephone use)
12 Ground (Terminal 31)
13 Radio on, control wire and booster
14 Not assigned
15 Plus connection (Terminal 30 B+)
16 Control signal for anti-theft system, SAFE, terminal 30

12-Pin Connection 5, Pre-Amplifier Output Signals





Electrical connection where applicable.

1 Not assigned
2 Not assigned
3 Line Out, left
4 Not assigned
5 Navigation language, plus
6 Telephone audio input signal, TEL, minus
7 Not assigned
8 Line out, ground
9 Line Out, right
10 Not assigned
11 Navigation language, minus
12 Telephone audio input signal, TEL, plus

12-Pin Connection 6, CD Changer Control, CD Audio Input Signals and Satellite Radio





1 Satellite Radio input, audio left
2 CD changer, left and right port, audio Ground (GND)
3 Satellite Radio input, audio Ground (GND)
4 CD changer, power supply, plus, terminal 30
5 Satellite Radio input, continuous plus, terminal 30
6 CD changer, DATA OUT (data exchange for CD changer control from radio navigation system to CD changer)
7 Satellite Radio input, audio right
8 CD changer, left port audio, CD/L
9 CD changer, right port audio, CD/R
10 CD Changer, control signal
11 CD changer, DATA IN (data exchange for CD changer control from CD changer to radio navigation system)
12 CD changer, CLOCK (internal test protocol for monitoring data flow)

Connections 7 and 8, Antenna Connections





1 Transparent connection for antenna input signal, FM from antenna
2 Beige connection for antenna output signal FM to antenna (diversity, antenna selection)

The antenna signal input from connection 1 is checked in the radio and the result sent via connection 2 to the antenna. If the antenna signal is too weak, the radio then switches to another antenna (diversity). This process is not audible to the customer.