Operation CHARM: Car repair manuals for everyone.
Manuals through 2025 now available!

Our trusted friends have launched a new website named LEMON, which has newer manuals. It also contains all the CHARM manuals.

LEMON is the spiritual successor to CHARM, I recommend you try it!

Link: lemon-manuals.la or lemon-manuals.org.ua

(Some people have issue connecting. LEMON is investigating. For now, use Firefox or change your DNS server)

Or, hide this message: temporarily or permanently

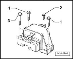
Engine Mount



Assembly mount

Tightening torques





Engine mount
1. Bearing to engine 40 Nm plus an additional 1/4 turn (90e1|)
2. Bearing to chassis 40 Nm plus an additional 1/4 turn (90°)
3. Support to bearing/chassis 20 Nm plus an additional 1/4 turn (90°)

* Replace bolts





Transmission assembly mount

1. Bearing to chassis 40 Nm plus an additional 1/4 turn (90°)
2. Bearing to chassis 25 Nm
3. Bearing to transmission plate 60 Nm plus an additional (1/8 turn (45°)

* Replace bolts





Pendulum supports
1. Pendulum support to transmission 40 Nm plus an additional 1/4 turn (90°)
2. Pendulum support to transmission 40 Nm plus an additional 1/4 turn (90°)
3. Pendulum support to subframe 20 Nm plus an additional 1/4 turn (90°)

* Replace bolts