Operation CHARM: Car repair manuals for everyone.
Manuals through 2025 now available!

Our trusted friends have launched a new website named LEMON, which has newer manuals. It also contains all the CHARM manuals.

LEMON is the spiritual successor to CHARM, I recommend you try it!

Link: lemon-manuals.la or lemon-manuals.org.ua

(Some people have issue connecting. LEMON is investigating. For now, use Firefox or change your DNS server)

Or, hide this message: temporarily or permanently

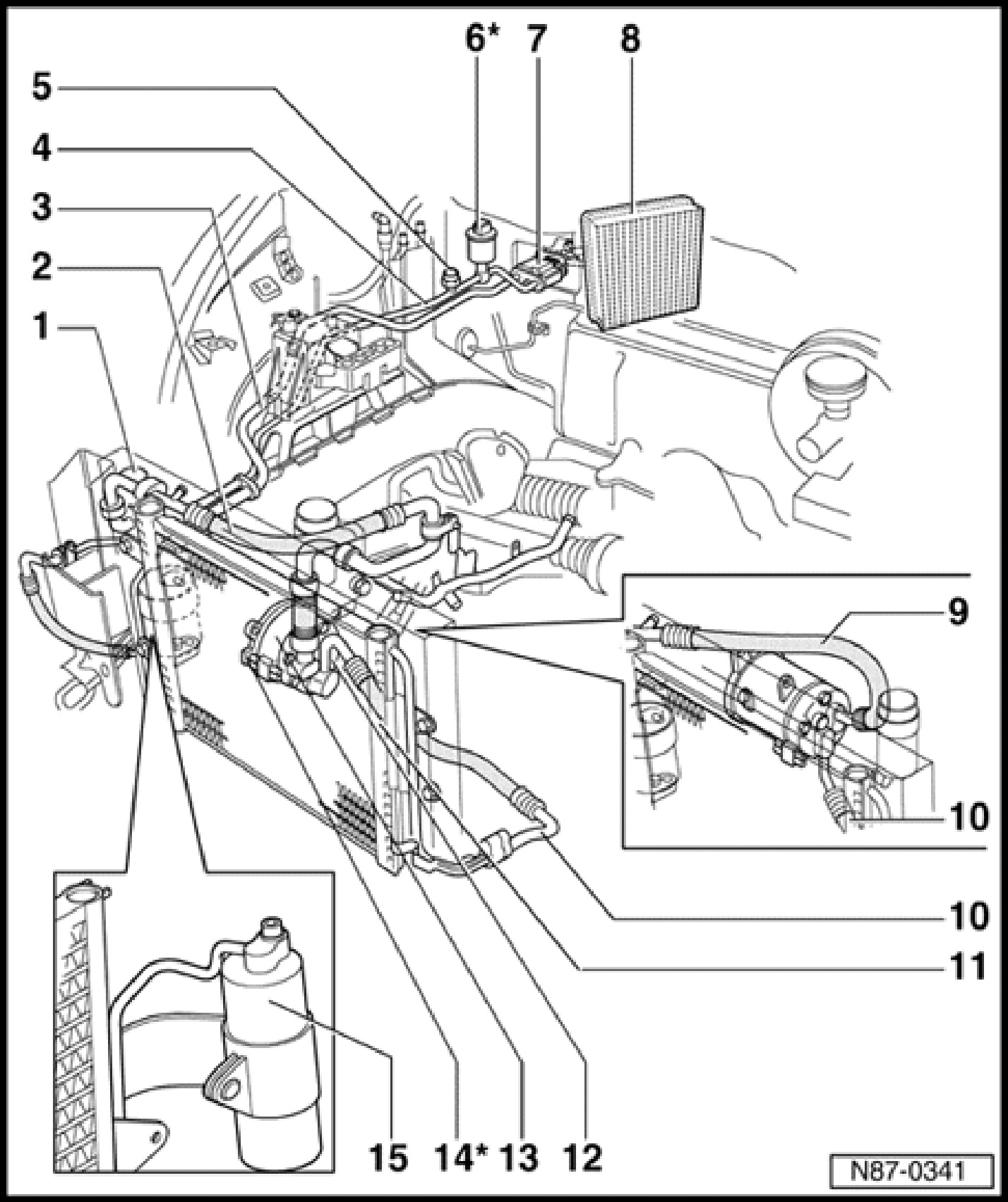
A/C Refrigerant System Controls, Component Overview



A/C Refrigerant System Controls, Component Overview

NOTE:
- Before carrying out any work on the A/C refrigerant system, refer to A/C refrigerant system safety measures.
- Except where indicated with all system components illustrated must only be serviced or replaced after discharging refrigerant system.







1 - Damper
2 - Refrigerant hose
3 - Refrigerant pipe
4 - Refrigerant pipe
- From receiver drier to expansion valve
5 - High pressure service valve
- Only use Kent Moore ACR4 or equivalent
6 - A/C Pressure Switch F129 (4-Pin) or High Pressure Sensor G65 (3-Pin)*
- Depending on engine type, refrigerant systems have either an A/C Pressure Switch F129 or High Pressure Sensor G65 installed. Refer to appropriate wiring diagram.
- A/C Pressure Switch F129, checking
- High Pressure Sensor G65, function, multi-pin connector assignments, electrical checks.
- Component can be removed without discharging refrigerant system
7 - Expansion valve
8 - Evaporator
- In heater/evaporator unit
9 - Refrigerant hose
10 - Refrigerant hose
- From compressor to condenser
11 - Condenser
12 - Pressure relief valve
- On compressor
- Checking
13 - Compressor
14 - A/C Clutch N25
- Clutch assembly can be serviced without discharging refrigerant system.
- Servicing.
15 - Receiver drier