Control Modules
Special Purpose Vehicle Control Module J608
General Description:
The Special Purpose Vehicle Control Module J608 controls specific equipment and functions for the following special purpose vehicles:
- Taxi
- Driving school
- Disabled people
- Disabled people driving school
- Special purpose signaling vehicle
- Special protection vehicle
DTC recognition and display:
Special Purpose Vehicle Control Module J608 is equipped with On Board Diagnostics (OBD) which assists troubleshooting.
Use Vehicle Diagnosis, Testing and Information System VAS 5051A in operating mode "Guided Fault Finding" for troubleshooting.
Special Purpose Vehicle Control Module J608, removing and installing
The Special Purpose Vehicle Control Module J608 is located in floor area beneath drivers seat.
Special tools, testers and auxiliary items required
- Torque wrench V.A.G 1410
Removing:
- Remove drivers seat.
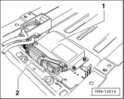
- Disengage harness connector -2- and disconnect it from Special Purpose Vehicle Control Module J608 -1-.
- Unscrew the four mounting bolts -1- and remove Special Purpose Vehicle Control Module J608 -2- upward from vehicle.
Installing:
Install in reverse order of removal, noting the following:
NOTE: When installing Special Purpose Vehicle Control Module J608, make sure that none of the surrounding lines are pinched.
- First install the Special Purpose Vehicle Control Module J608 on to its bracket with the four mounting bolts.
- Then connect and lock the harness connector.
- Tighten all mounting nuts to specified tightening torque.
Coding Special Purpose Vehicle Control Module J608
- Connect Vehicle Diagnosis, Testing and Information System VAS 5051A.
- In Vehicle Diagnostic, Testing and Information System VAS 5051A, select operating mode "Guided Fault Finding".
- Using the "Go To" button, select "Functions/Component selection" and the following menu options in sequence:
- Body
- Electrical Equipment
- 01 - On Board Diagnostic (OBD) capable systems
- Special Purpose Vehicle Control Module
- Functions
- Multi-function control module, coding
Output Diagnostic Test Mode (DTM) of Special Purpose Vehicle Control Module J608
NOTE: It depends on the vehicle equipment whether the components or functions listed below can be checked.
The following components and functions can be checked via output Diagnostic Test Mode (DTM) of Special Purpose Vehicle Control Module J608:
- Terminal 15
- Speed signal
- Roof sign illumination
- Roof sign alarm
- 2nd Battery Cut Out Relay J7
- Actuation of front and rear window regulators
- Smoke extraction
- Intercom system
- Main radio frequency activation
- Siren
- Blue lights
- Connect Vehicle Diagnosis, Testing and Information System VAS 5051A.
- In Vehicle Diagnostic, Testing and Information System VAS 5051A, select operating mode "Guided Fault Finding".
- Using the "Go To" button, select "Functions/Component selection" and the following menu options in sequence:
- Body
- Electrical Equipment
- 01 - On Board Diagnostic (OBD) capable systems
- Special Purpose Vehicle Control Module
- Functions
- Output Diagnostic Test Mode (DTM) of Special Purpose Vehicle Control Module