Operation CHARM: Car repair manuals for everyone.
Manuals through 2025 now available!

Our trusted friends have launched a new website named LEMON, which has newer manuals. It also contains all the CHARM manuals.

LEMON is the spiritual successor to CHARM, I recommend you try it!

Link: lemon-manuals.la or lemon-manuals.org.ua

(Some people have issue connecting. LEMON is investigating. For now, use Firefox or change your DNS server)

Or, hide this message: temporarily or permanently

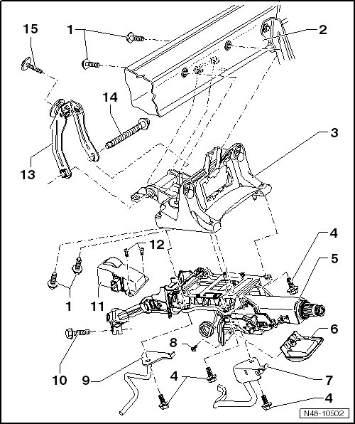
Steering Column Assembly Overview






Steering Column Assembly Overview

Welding and straightening work on supporting or wheel carrying components of suspension is not permitted.

Always replace self-locking nuts.

Always replace corroded bolts/nuts.





1 Bolt

M8 x 30; M8 x 85

20 Nm

2 Lateral Control Arm for Steering Column

3 Mounting Bracket

Removing and installing, refer to => [ Mounting Bracket ] Mounting Bracket.

4 Bolt

M8 x 30

20 Nm

Always replace after removal.

5 Steering Column

Removing and installing, refer to => [ Steering Column ] Steering Column.

6 Handle Plate

7 Brake Pedal Crash Brace

8 Bolt

M6 x 10

3 Nm

9 Clutch Pedal Crash Brace

10 Bolt

M8 x 35

20 Nm + 90° turn

Always replace after removal.

11 Electronic Steering Column Lock Control Module (J764)

Removing and installing, refer to => [ Electronic Steering Column Lock Control Module ] Electronic Steering Column Lock Control Module.

12 Shear Head Bolt

13 Strut

Removing and installing, refer to => [ Strut ] Strut.

14 Bolt

M8 x 94

20 Nm

15 Bolt

M8 x 48

20 Nm