Operation CHARM: Car repair manuals for everyone.
Manuals through 2025 now available!

Our trusted friends have launched a new website named LEMON, which has newer manuals. It also contains all the CHARM manuals.

LEMON is the spiritual successor to CHARM, I recommend you try it!

Link: lemon-manuals.la or lemon-manuals.org.ua

(Some people have issue connecting. LEMON is investigating. For now, use Firefox or change your DNS server)

Or, hide this message: temporarily or permanently

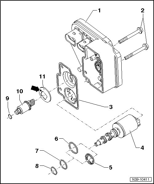
All Wheel Drive Control Module Assembly Overview






All Wheel Drive Control Module Assembly Overview





1 All wheel drive control module (J492)

Is calibrated with the Haldex clutch control valve => [ (Item 4) ].

Always replace together with the Haldex clutch control valve => [ (Item 4) ].

Removing and installing, refer to => [ All Wheel Drive Control Module ] All Wheel Drive Control Module.

2 Bolt, 6 Nm

3 Cover plate

With vulcanized gasket.

Always replace

4 Haldex clutch control valve (N373)

Is calibrated with the all wheel drive control module

Always replace together with the all wheel drive control module => [ (Item 1) ].

5 Oil seal

Redesigned version with diagonal centering lips.

Sealing ring replaced => [ (Item 6) Oil seal ].

Make sure the centering lip fits correctly in the groove.

Coat with high performance Haldex clutch oil and insert.

Always replace

6 Oil seal

Old version

The updated version => [ (Item 5) Oil seal ], is contained in the seal set.

7 Oil seal

Diameter 12 mm

For the Haldex clutch control valve.

Coat with high performance Haldex clutch oil and insert.

Always replace

8 Oil seal

Diameter 11 mm

For the Haldex clutch control valve.

Coat with high performance Haldex clutch oil and insert.

Always replace

9 Oil seal

For the oil pressure/temperature sensor.

Coat with high performance Haldex clutch oil and insert.

Always replace

10 Oil pressure/temperature sensor (G437)

Can be reused when replacing the all wheel drive control module.

11 Plate spring

Location, refer to => [ Plate Spring Location ]

Plate Spring Location





Convex side with marking - arrow - faces toward the oil pressure/temperature sensor - 1 -.