Operation CHARM: Car repair manuals for everyone.
Manuals through 2025 now available!

Our trusted friends have launched a new website named LEMON, which has newer manuals. It also contains all the CHARM manuals.

LEMON is the spiritual successor to CHARM, I recommend you try it!

Link: lemon-manuals.la or lemon-manuals.org.ua

(Some people have issue connecting. LEMON is investigating. For now, use Firefox or change your DNS server)

Or, hide this message: temporarily or permanently

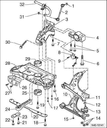
Subframe, Stabilizer Bar, Control Arm (Rabbit/GTI), Assembly Overview



Subframe, stabilizer bar, control arm (Rabbit/GTI), assembly overview

CAUTION!
^ Welding and straightening work on supporting or wheel carrying components of suspension is not permitted.
^ Always replace self-locking nuts.
^ Always replace corroded bolts/nuts.






1 - Nut
^ 65 Nm
^ When tightening, counter hold on hex socket head of joint bolt
^ Self-locking
^ Always replace after removal
2 - Coupling rod
^ Linking stabilizer to suspension strut
3 - Console
^ Locating
^ If a console is replaced, alignment must be checked Wheel Alignment
4 - Mounting bracket
^ Locating
^ With bonded rubber bushing
5 - Bolt
^ 50 Nm plus an additional 90° turn
^ Always replace after removal
6 - Bolt
^ M12 x 1.5 x 90
^ 70 Nm plus an additional 90° turn
^ Always replace after removal
7 - Bolt
^ M12 x 1.5 x 90
^ 70 Nm plus an additional 90° turn
^ Always replace after removal
8 - Left Front Level Control System Sensor G78
^ Can be checked in Guided Fault Finding using
9 - Bolt
^ 9 Nm
10 - Control arm
^ Description: Cast steel
^ If damaged, also replace lower ball joint
11 - Control arm
^ Description: Steel plate
^ If damaged, also replace lower ball joint
12 - Nut
^ M12 x 1.5
^ 60 Nm
^ Self-locking
^ Always replace after removal
13 - Ball joint
^ Replace when control arm is damaged
14 - Nut
^ 60 Nm
^ Self-locking
^ Always replace after removal
15 - Nut
^ 9 Nm
16 - Bolt
^ M12 x 1.5 x 100
^ 70 Nm plus an additional 90° turn
^ Always replace after removal
17 - Bolt
^ 20 Nm plus an additional 90° turn
^ Always replace after removal
18 - Bolt
^ M12 x 1.5 x 75
^ 70 Nm plus an additional 90° turn
^ Always replace after removal
19 - Bolt
^ M14 x 1.5 x 70
^ 100 Nm plus an additional 90° turn
^ Only tighten if pendulum support is bolted to transmission
^ Always replace after removal
20 - Underbody protection bracket
21 - Bolt
^ 40 Nm plus an additional 90° turn
^ Always replace after removal
22 - Bolt
^ 40 Nm + 90°
^ Always replace after removal
23 - Bracket on pendulum support
^ No replacement part
24 - Pendulum support
^ First, bolt to transmission, then bolt to subframe
^ Various versions
25 - Lower bonded rubber bushing for pendulum support
^ Pressing out and in for vehicles with Front Wheel Drive (FWD) Subframe (front wheel drive), servicing
^ Pressing out and pressing in for vehicles with all wheel drive
26 - Shield
^ For Front Wheel Drive (FWD) vehicles only
27 - Bolt
^ 6 Nm
^ Self-tapping
28 - Subframe
^ Various versions
29 - Upper bonded rubber bushing for pendulum support
^ Pressing out and in for vehicles with Front Wheel Drive (FWD)
^ Pressing out and pressing in for vehicles with all wheel drive
30 - Bolt
^ M12 x 1.5 x 110
^ 70 Nm plus an additional 180° turn
^ Always replace after removal
^ Always tighten threaded connections in curb weight position.
31 - Nut
^ 65 Nm
^ When tightening, counter hold on hex socket head of joint bolt
^ Self-locking
^ Always replace after removal
32 - Stabilizer bar
^ Various versions