Operation CHARM: Car repair manuals for everyone.
Manuals through 2025 now available!

Our trusted friends have launched a new website named LEMON, which has newer manuals. It also contains all the CHARM manuals.

LEMON is the spiritual successor to CHARM, I recommend you try it!

Link: lemon-manuals.la or lemon-manuals.org.ua

(Some people have issue connecting. LEMON is investigating. For now, use Firefox or change your DNS server)

Or, hide this message: temporarily or permanently

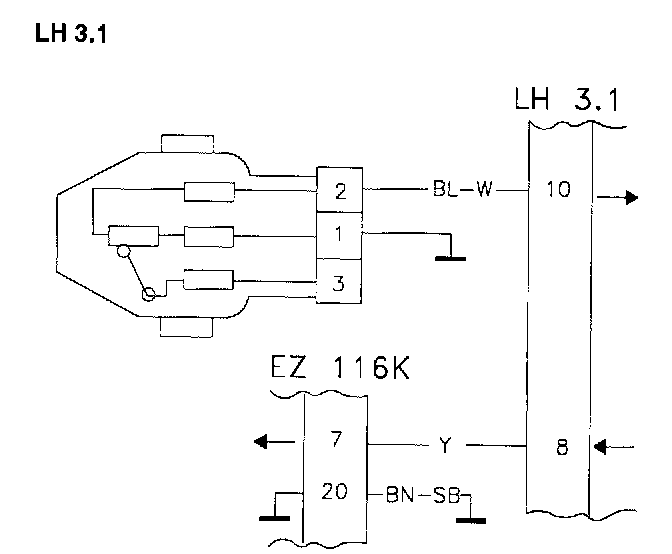
LH #8/EZ #7 (2.4) Idle Contact Signal Absent



TG. LH#8/EZ#7 (LH 3.1)

LH#8/EZ#7 Idle contact signal absent

DTC Conditions:

The DTC is set if the voltage exceeds 1.2 Vat LH#1O and LH#8 simultaneously when entering Running Test.

Causes of fault:





Break in TP switch ground connection.

Break in TP switch.

Fault symptoms:

Idling problems.

Fuel does not shut off when braking engine.

NOTE: When checking wiring, disconnect System Tester before taking readings.


TG1

Monitor Test

-Start engine, but do not touch gas pedal.




-Check that System Tester reads IDLE in Monitor Test.

If it reads IDLE:

Intermittent fault

-Check TP switch ground point for loose contacts.

If it does not read IDLE:

-Check ground point TG2.

TG2

Checking Ground Point




-Ignition off

-Disconnect TP switch.

Connect an ohmmeter between terminal 1 and GND.

Ohmmeter reading should be around 0 2.

If value Is OK:

-Try a new TP switch.

If value Is Incorrect:

-Check ground point and wire for breaks as in NA2. Checking the Wiring