Operation CHARM: Car repair manuals for everyone.
Manuals through 2025 now available!

Our trusted friends have launched a new website named LEMON, which has newer manuals. It also contains all the CHARM manuals.

LEMON is the spiritual successor to CHARM, I recommend you try it!

Link: lemon-manuals.la or lemon-manuals.org.ua

(Some people have issue connecting. LEMON is investigating. For now, use Firefox or change your DNS server)

Or, hide this message: temporarily or permanently

Knock Sensor: Service and Repair

KNOCK SENSOR REPLACEMENT

Preparations
^ Remove / Disconnect:
- Battery ground lead.
- Throttle pulley cover.
- Throttle cable.
- Spark plug cover.
- Crankcase ventilation from cylinder head.





Remove Fuel Rail and Injectors
^ Remove:
- Fuel rail cover.
- Injector connectors.
- Vacuum hose to fuel pressure regulator.
- Fuel line clips (2) and fuel rail mounting screws (two).
- Mount clamps P/N 9995533 on injectors.
- Vacuum hose from pressure regulator.
- Injectors and fuel rail. Lift carefully and place in protected position on top of engine.

NOTE: Handle injectors carefully to avoid damage to nozzles and needles.

NOTE: Recover all rubber damping elements mounted on intake manifold.





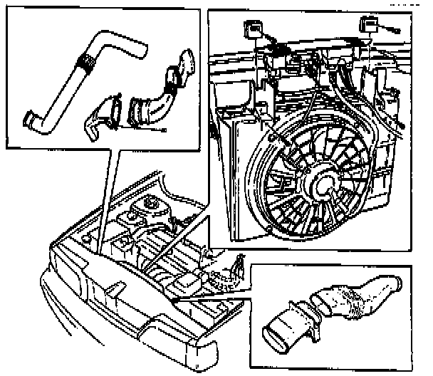
Remove Engine Cooling Fan
^ Remove / disconnect:
- Shroud mounting screws (four).
- Air hoses to control module box.
- Move aside shroud, lift relay shelf, open fan connectors and disconnect hoses to EGR controller at intake manifold and EGR valve.
- Shroud spacers.
- Control module box and Air Cleaner (ACL) intakes.
- Fan and shroud.
- Protect radiator with shield, P/N 9995474.





Remove Hoses and Connections
^ Remove / disconnect:
- Idle Air Control (IAC) Valve and Throttle Position (TP) Potentiometer connectors.
- Crankcase ventilation and carbon filter (EVAP canister) hoses.
- Hoses to brake servo and intake manifold vacuum servo.
- Inlet hose.
- EGR temperature sensor. Disconnect sensor from clip.
- Injector wiring clip.





Remove Intake Manifold
^ Remove / disconnect:
- Intake manifold upper bolts (three).
- Oil dipstick and bracket from intake manifold.
- Intake manifold lower bolts.
- Gas recirculation pipe from EGR valve.
- Intake manifold support bracket bolt.
- Intake manifold, by lifting slightly (approx. 20 mm) to free from engine.

Remove Knock Sensor
^ Remove / disconnect:
- Knock sensor connector.
- Knock sensor.





Install New Sensor
^ Install / reconnect:
- Knock sensor.
- Knock sensor connector.

Tighten to 20 Nm (14.8 ft lb).

NOTE: Front Knock Sensor must be tightened in the 4 o'clock position and Rear Knock Sensor in the half-past five position.





Install Intake Manifold
^ Install:
- New gasket with four lower intake manifold screws.

NOTE: Check that there are no foreign bodies in the intake manifold before installing it.

- Intake manifold. Properly position the crankcase ventilation hose.

NOTE: Ensure that crankcase ventilation hose is not pinched between cylinder head and intake manifold when tightening.

- Locate the EGR valve on the pipe.

Tighten EGR valve pipe coupling to 50 Nm (37 ft lbs).

- Three upper intake manifold screws.

Tighten all screws to 20 Nm (15 ft lbs).

- Support bracket.
- Dipstick.





Install Fuel Rail
^ Install / reconnect:
- All rubber damping elements on intake manifold.
- Fuel rail and fuel pipe clips (two).
- Use new bolts.

Tighten to 10 Nm (7.4 ft lbs) + 75°.

- Remove injector clamps.
- Pressure regulator vacuum hose.
- Injector connectors. Check that each connector is fitted with rubber seal.
- Fuel rail cover.





Install Hoses and Connections
^ Install / reconnect:
- IAC valve and TP potentiometer connectors.
- Crankcase ventilation and carbon filter (EVAP canister) hoses.
- Hose to brake servo and intake manifold vacuum servo.
- Inlet hose.
- EGR temperature sensor connector in clip. Connect sensor.
- injector wiring clip.





Install Engine Cooling Fan
^ Install / reconnect:
- Fan and shroud.
- Control module box and ACL intakes.
- Fan shroud spacers.
- Relay shelf and fan connector.
- Vacuum hoses from EGR controller (yellow hose to EGR valve and white hose to intake manifold).
- Fan shroud mounting screws (four).
- Air hoses to control module box.
- Throttle cable.
- Throttle pulley cover.
- Battery ground lead.