Operation CHARM: Car repair manuals for everyone.
Manuals through 2025 now available!

Our trusted friends have launched a new website named LEMON, which has newer manuals. It also contains all the CHARM manuals.

LEMON is the spiritual successor to CHARM, I recommend you try it!

Link: lemon-manuals.la or lemon-manuals.org.ua

(Some people have issue connecting. LEMON is investigating. For now, use Firefox or change your DNS server)

Or, hide this message: temporarily or permanently

PH. Regina #21



PH. Regina #21

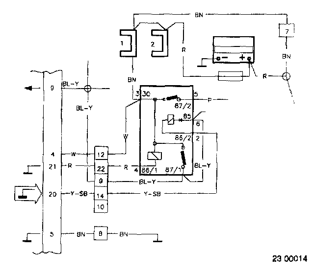
REGINA #21 Main relay control signal missing



Conditions for fault message:
Fault message stored if voltage is above 3.0 Volts

Causes of fault:
Chassis connections to #17 and #19 are not connected.
Breakage in engine ground
Regina control unit defective.

Fault symptoms:
Engine does not start.
For intermittent faults the engine dies or slows down.

PH1

Disconnection of the Volvo System Tester
- Disconnect the System Tester according to P1. P1. Connection of Volvo System Tester
^ Continue with Connection of measurement box PH2

PH2




Connection of measurement box
Connect measurement box to Regina and check chassis connections according to N1-N2. N. Measurement Box, Signal Description
Check #17 and #19 and engine ground extra carefully.
^ Continue with Checking of voltage supply PH3.

PH3




Checking of voltage supply
- Ignition on.
Connect a voltmeter between #21 and #5 (ground).
The voltmeter should show battery voltage.




- Try to start the engine.
The voltmeter should show approx. 0.8 V during cranking and when the engine is running.

If both values are OK:
Intermittent fault.
^ Check the chassis connections and engine ground for loose connections according to CD. CD. Checking of Wiring

If the value differs:
^ Test with a new control unit.