Operation CHARM: Car repair manuals for everyone.
Manuals through 2025 now available!

Our trusted friends have launched a new website named LEMON, which has newer manuals. It also contains all the CHARM manuals.

LEMON is the spiritual successor to CHARM, I recommend you try it!

Link: lemon-manuals.la or lemon-manuals.org.ua

(Some people have issue connecting. LEMON is investigating. For now, use Firefox or change your DNS server)

Or, hide this message: temporarily or permanently

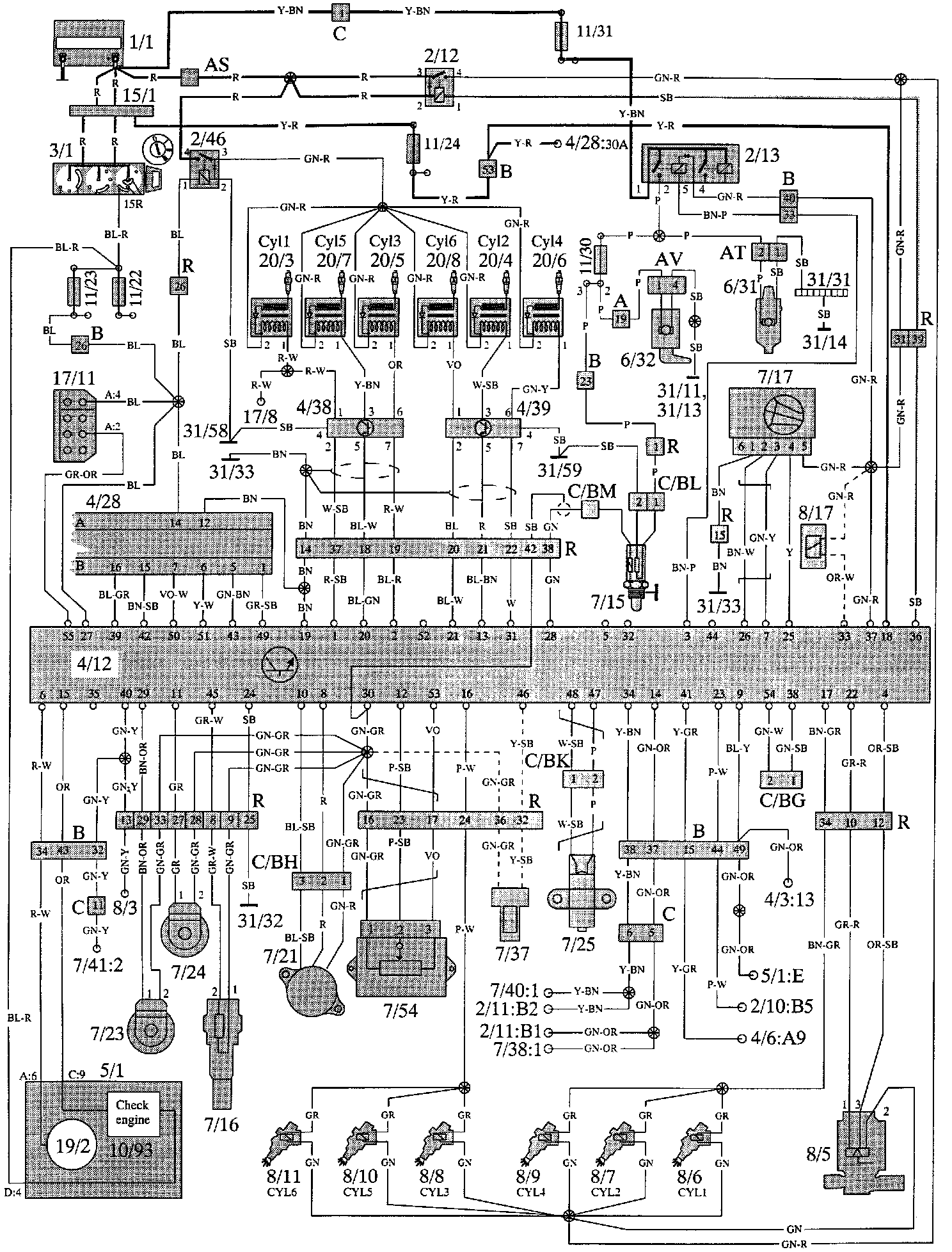
Motronic 1.8 Engine Management System

Component Numbers And Locations:




Component Location

Motronic 1.8:




Wiring Diagram

Component List

No. Component Name

1/1 Battery
2/1 Headlight relay with bulb failure sensor
2/2 Foglight relay
2/3 Regulator DIM-DIP
2/4 Intermittent wiper relay, windshield wipers
2/5 Relay, seat belt reminder/ignition key warning
2/6 Overload relay 15I
2/7 Central lock relay
2/8 Overdrive relay
2/10 Power unit ECC
2/11 Relay, engine cooling fan
2112 Relay injectors
2/13 Relay fuel injection
2/14 Relay glowplug
2/15 Relay exhaust temperature sensor
2/16 Intermittent wiper relay, tailgate wiper
2/23 Relay, fuel pump
2/38 Timer relay exhaust gas recirculation EGR
2/45 Relay P-shift lock
2/46 Relay ignition coil
2/48 Blocking relay A/C
3/1 Ignition lock
3/2 Switch, turnsignal/high-low beam
3/3 High and low beam switch
3/4 Cruise control operation
3/6 Switch, hazard warning with flasher relay
3/7 Foglight switch
3/8 Switch with timer relay, heated rear window/door mirrors
3/9 Brake light switch
3/10 Backup (reversing) light switch
3/12 Windshield wash/wipe switch
3/13 Rear window wash/wipe switch
3/14 Switch, luck button
3/15 Power window lift switch driver's door for driver's door
3/16 Power window lift switch driver's door for driver's side, rear
3/17 Power window lift switch driver's door for passenger's side front
3/18 Power window lift switch driver's door for passenger's side rear
3/19 Power window lift switch driver's side rear
3/20 Power window lift switch passenger's side front
3/21 Power window lift switch passenger's side rear
3/22 Switch for rear power window lifts
3/23 Switch for power window lifts, driver's side
3/24 Switch for power door mirror, passenger's side
3/25 Switch, power sunroof
3/26 Control module, driver's seat
3/27 Control module, passenger's seat
3/28 Switch for heated driver's Seat
3/29 Switch for heated passenger's seat
3/31 Door switch driver's door
3/32 Door switch passenger's side front
3/33 Door switch driver's side rear
3/34 Door switch passenger's side rear
3/35 Door switch tailgate (5-door)
3/36 Switch, glove compartment light
3/37 Horn contacts
3/38 Switch, brake pedal
3/39 Switch, clutch pedal
3/40 Start inhibit switch, automatic transmission
3/42-1 Switch on transmission
3/42-2 Oil pressure switch, kickdown valve
3/42-3 Kickdown switch
3/43 Switch in gear lever
3/44 Seat belt lock, driver's seat
3/45 Seat belt lock, passenger's seat
3/47 Parking brake switch
3/50 Throttle position (TP) switch/TP sensor
3/52 Switch, power antenna
3/59 Beam width control
3/63 Mode selector AW30-40/43
3/66 Idle air control (IAC) switch EGR
3/71 Gear position sensor
3/78 Lock unit, tailgate
4/1 Overheating protector, driver's Seat
4/2 Overheating protector, passenger's seat
4/3 Control module, Cruise control
4/4 Rheostat
4/5 Safety circuit, SRS
4/6 Control module ECC
4/9 Sensor unit SRS
4/10 Control module EZ-K (DI) system
4/12 Control module Motronic (MFI) system
4/15 Power stage EZ-K (DI) system
4/16 Control module ABS
4/21 Control module TCU
4/23 Control module LH-jetronic 2.4 (MFI) system
4/28 Control module timing
4/29 Control module driver's Seat
4/38 Power stage Motronic 1 (MFI) system
4/39 Power stage Motronic 2 (MFI) system
5/1 Combined instrument
5/3 Ambient temperature sensor
6/1 Windshield wiper motor
6/2 Washer motor, front
6/3 Right headlight wiper motor
6/4 Left headlight wiper motor
6/5 Central locking motor passenger's side front
6/6 Central locking motor passenger's side rear
6/7 Central locking motor driver's side rear
6/8 Central locking motor tailgate
6/9 Power window lift motor driver's door
6/10 Power window lift motor driver's side rear
6/11 Power window lift motor passenger's side front
6/12 Power window lift motor passenger's side rear
6/13 Power door mirror, driver's side
6/14 Power door mirror, passenger's side
6/15 Motor, power sunroof
6/16 Motor driver's seat backrest
6/17 Motor up-down, front edge of driver's seat
6/18 Motor up-down, rear edge of driver's seat
6/19 Motor fore-aft driver's seat
6/24 Cruise control vacuum pump
6/25 Starter motor
6/26 Generator
6/27 Servo motor throttle control
6/28 Cabin fan motor
6/29 Engine cooling fan
6/30 Wiper motor, tailgate
6/31 Fuel pump
6/32 Tailgate wiper motor
6/33-1 Fuel level sensor
6/33-2 Fuel primer pump
6/34 Power antenna
6/35 Parking heater
6/36 Central locking motor driver's side front
6/38 Actuator, left
6/39 Actuator, right
7/1 Bulb failure sensor, rear
7/4 Brake fluid level sensor
7/5 Washer fluid level sensor
7/6 Oil pressure sensor
7/7 Engine coolant temperature (ECT) sensor
7/9 Engine coolant temperature (ECT) sensor, ECC
7/10 Cabin temperature sensor
7/11 Ambient temperature sensor
7/12 Solar sensor
7/15 Heated oxygen sensor (HO2S)
7/16 Engine coolant temperature (ECT) sensor, fuel/ignition system
7/17 Mass air flow (MAF) sensor
7/21 Camshaft position (CMP) sensor
7/22 Engine speed (RPM) sensor
7/23 Knock sensor (KS), rear
7/24 Knock sensor (KS), front
7/25 Impulse sensor
7/26 Pressure sensor, EGR
7/28 Engine coolant temperature (ECT) diesel
7/30 Pressure sensor for charge pressure, turbodiesel
7/31 Sensor ABS left front
7/32 Sensor ABS right front
7/33 Sensor speedometer and ABS
7/34 Thermoelement three-way catalytic converter (TWC)
7/36 Exhaust temperature sensor
7/37 Temperature sensor EGR
7/38 Low-speed pressure sensor, engine cooling fan
7/40 High-speed pressure sensor, engine cooling fan
7/41 High-pressure sensor, A/C
7/47 PTC-resistor air pre-heating
7/53 Low-pressure sensor, A/C
7/54 Throttle position (TP) sensor
7/69 Ambient temperature sensor7/73 Engine coolant level sensor
7/74 Oil temperature sensor AW3040/43
7/76 Temperature sensor TCU
8/1 Operating solenoid, overdrive
8/2 Operating solenoids, ECC
8/3 Solenoid coupling, A/C
8/5 Idle air control (IAC) valve
8/6-11 Injectors
8/13 Fuel valve, diesel
8/14 Solenoid valve, overload protector
8/15 Hydraulic unit ABS
8/17 Converter, EGR
8/24 3-way valve EGR
8/28 Turbo control valve
8/30 Steering wheel module SRS
8/31 Passenger module SRS
8/33 Igniter, seat belt pre-tensioner, left side
8/34 Igniter, seat belt pre-tensioner, right side
8/36 Solenoid P-shift lock
8/37 Solenoids AW3O-40/43
9/1 Cigar lighter
9/2 Heated rear window
9/3 Heater element driver's seat backrest
9/4 Heater element passenger's seat backrest
9/5 Heater element driver's seat cushion
9/6 Heater element passenger's seat cushion
10/1 Left front light
10/2 Right front light
10/5 Left front foglight
10/6 Right front foglight
10/9 Left parking light and front turn signal
10/10 Right parking light and front turn signal
10/11 Left parking light, front
10/12 Right parking light, front
10/13 Left turn signal front
10/14 Right turn signal front
10/15 Left turn signal side repeater (not USA/CDN)
10/16 Right turn signal side repeater (not USA/CDN)
10/17 Right tail light
10/18 Left tail light
10/19 Extra brake light
10/20 Left number plate light
10/21 Right number plate light
10/22 Roof light
10/24 Trunk light
10/25 Roof light, load area (5-door)
10/26 Reading light, left rear
10/27 Reading light, right rear
10/29 Glove compartment light
10/30 Door open warning light driver's door
10/31 Door open warning light passenger's door
10/32 Door open warning light driver's side rear
10/33 Door open warning light passenger's side rear
10/35 Switch lighting, sunroof switch
10/36 Control panel lighting
10/37 Cigar lighter illumination
10/38 Ashtray illumination, rear
10/39 Seat heater switch illumination
10/40 Gear selector illumination
10/43 Right brake light
10/44 Right parking light rear
10/45 Right parking / tail light
10/46 Right rear foglight
10/47 Light, right rear turn signal
10/48 Right backup (reversing) light
10/50 Left brake light
10/51 Left parking light, rear
10/52 Left parking / tail light
10/53 Left rear foglight
10/54 Lamp left rear turn signal
10/55 Left backup (reversing) light
10/64 Right high beam
10/65 Right extra high beam
10/66 Right low beam
10/68 Left high beams
10/69 Left extra high beam
10/70 Left low beam
10/72 Ashtray illumination, front
10/74 Indicator light exhaust temperature
10/75 Indicator light charge pressure, turbodiesel
10/76 Indicator light diesel preheating
10/77 Indicator light SRS
10/78 Indicator light seat belt
10/79 Indicator light overdrive (auto.)/gear change indicator
10/80 Indicator light overdrive (man.)
10/81 Indicator light engine coolant level
10/82 Indicator light ABS
10/83 Indicator light parking brake
10/84 Indicator light brake warning
10/85 Indicator light high beams
10/86 Indicator light oil pressure
10/87 Indicator light charging
10/88 Indicator light bulb failure sensor
10/89 Indicator light rear foglights
10/90 Indicator light washer fluid level sensor
10/91 Service indicator
10/92 Indicator light trailer
10/93 Indicator light
Malfunction Indicator Lamp (MIL)
10/94 Indicator light right turn signal
10/95 Indicator light left turn signal
10/96 Instrument lighting
10/114 Vanity mirror light, right side
10/115 Vanity mirror light, left side
10/116 Spare fuse illumination
11/1-35 Fuses
11/41 Fuse, combined instrument
15/1 Positive terminal
15/2 30-rail in relay unit
15/3 30-rail in fusebox
15/4 151-rail in relay unit
15/6 Fuse-protected 30-rail in relay unit15/9 X-rail in relay unit
16/1 Radio
16/3 Loudspeaker right front door
16/4 Loudspeaker left front door
16/5 Loudspeaker right rear door
16/6 Loudspeaker left rear door
16/7 Loudspeaker instrument panel right side
16/8 Loudspeaker instrument panel left side
16/9 Antenna
16/10 Horn 1
16/11 Horn 2
16/15 CD-changer
16/17 Loudspeaker, parcel shelf left side-post left side
16/18 Loudspeaker, parcel shelf right side-post right side
17/1 Service socket for starter motor operation
17/8 Service socket: clamp 1, cyl. 1 (engine)
17/11 OBD diagnostic socket
18/1 Bridge connector 1
18/2 Bridge connector 2
19/1 Engine coolant temperature (ECT) sensor
19/2 Engine speed (RPM) sensor
19/3 Speedometer
19/4 Clock
19/5 Fuel level sensor
20/1 Ignition coil
20/2 Distributor
20/3-8 Spark plugs (ignition coils)
20/9 Glowplugs
20/15 Series resistance
31/1 Ground connector right front wing
31/2 Ground connector left front wing
31/3 Ground connector body
31/4 Ground connector engine
31/5 Ground connector for heated rear window (4-door)
31/6 Ground connector left A-post
31/9 Ground connector at parking brake lever
31/10 Ground connector right A-post
31/11 Ground connector left tail light cluster
31/12 Ground connector right tail light cluster
31/13 Ground connector in trunk
31/14 Ground connector at relay unit
31/16 Ground connector at windshield wiper motor
31/17 Ground connector at power sunroof motor
31/18 Ground connector at centre console
31/26 Ground connector generator
31/28 Ground connector at overdrive operating solenoid
31/30 Ground connector, A/C solenoid coupling
31/31 Ground connector rail in relay unit
31/32 Ground connector on engine (power ground)
31/33 Ground connector on engine (signal ground)
31/34 Ground connector tailgate connector
31/35 Ground connector, antenna
31/42 Ground connector rail via door switch, left front
31/56 Ground connector gear selector sensor
31/57 Ground connector on engine for Motronic (power ground)
31/64 Ground connector engine cooling fan
C1 Connector 53-pin
Instrument panel harness - Door sill harness
C2 Connector 53-pin
Instr. panel harness - Left wheel housing harness
C3 Connector 53-pin
Instr. panel harness - Right wheel housing harness
C5 Connector left A-post, 2-pinC6 Connector at relay unit, 4-pin
C7 Connector at steering column, 8-pin
C8 Connector 4-pin (accessories)
C9 Connector at centre console 24-pin
C12 Connector at relay unit, 2-pin
C14 Connector at relay unit, 2-pin
C15 Connector at transmission, 4-pin
C2O Connector under gear lever carrier, 2-pin
C21 Connector left B-post, 6-pin
C22 Connector at trunk, 6-pin
C23 Connector at tailgate, 2-pin (5-door)
C25 Connector trunk, 2-pin
C27 Connect6r trunk, 1-pin
C31 Connector at passenger seat, 2-pin
C32 Connector at driver's scat, 2-pin
C33 Connector under driver's seat, 2-pin
C34 Connector under passenger's seat, 2-pin
C36 Connector under passenger's seat, 2-pin
C37 Connector under driver's seat, 2-pin
C39 Connector at driver's Seat, 4-pin
C4O Connector at passenger's seat, 4-pin
C41 Connector under driver's seat, 6-pin
C42 Connector under driver's seat, 2-pin
C5O Connector 8-pin
Left wheel housing harness - Engine wiring harness
C51 Connector 8-pin
Left wheel housing harness - Engine wiring harness
C54 Connector 8-pin
Right wheel housing harness - Engine wiring harness
C55 Connector 8-pin
Right wheel housing harness - Engine wiring harness
C57 Connector at right suspension tower, 3-pin
C61 Connector at right A-post, 8-pin
C63 Connector at left headlight, 3-pin
C64 Connector at right headlight, 3-pin
C71 Connector 3-pin
Left wheel housing harness - Engine wiring harness
C72 Connector driver's door, 2-pin
C73 Connector passenger's door, 2-pin
C74 Connector rear door, driver's side, 2-pin
C75 Connector rear door, passenger's side, 2-pin
C79 Connector driver's door, 4-pin
C9l Connector at relay unit, 2-pin
C93 Connector left rear wheel housing, 4-pin
C98 Connector at power antenna, 4-pin
C1O2 Connector at relay unit, 2-pin
C1O5 Connector for bridge coupling, 2-pin
C111 Connector to temperature sensor, 2-pin
C121 Coupling reel, steering wheel, SRS
C122 Connector at trunk/tailgate, 2-pin
C123 Connector for bridge coupling, 2-pin
C124 Connector at left wheel housing, 2-pin
C128 Connector at AW3O-40/43, 8-pin
C129 Connector at AW3O-4Y43, 8-pin
C130 Connector at AW3O-40/43, 4-pin
C131 Connector at left suspension tower, 53-pin
C132 Connector 8-pin
Left wheel housing harness - Engine wiring harness
C134 Connector at left engine anchorage, 1-pin
C139 Connector at gear selector, 4-pin
C143 Connector at A-post passenger's side, 24-pin
C144 Connector at A-post driver's side, 24-pin
C145 Connector, 8-pin
Left wheel housing harness - Engine wiring harness
C149 Connector at B-pest passenger's side, 11-pin
C15O Connector at B-pest driver's side, 1 1-pin
C151 Connector at relay unit, 2-pin
C159 Connector, 2-pin, ECC engine coolant temp. (ECT) sensor
C166 Connector at relay unit, 8-pin
C3O0 Connector at firewall, 4-pin (to Ho2s)
D2 Connector alarm, 8-pin at steering column
D3 Connector alarm, 4-pin at steering column
D4 Connector alarm, 2-pin in engine compartment, left front
D5 Connector towing hook, 10-pin (not USA/CDN)
D6 Connector ambient temperature sensor, 2-pin ahead of left front wheel
D7 Connector ambient temperature sensor, 6-pin