Operation CHARM: Car repair manuals for everyone.
Manuals through 2025 now available!

Our trusted friends have launched a new website named LEMON, which has newer manuals. It also contains all the CHARM manuals.

LEMON is the spiritual successor to CHARM, I recommend you try it!

Link: lemon-manuals.la or lemon-manuals.org.ua

(Some people have issue connecting. LEMON is investigating. For now, use Firefox or change your DNS server)

Or, hide this message: temporarily or permanently

Checking Control Panel






Checking control panel

Checking control button, legroom




- Ignition off.
Read off control button status.
Adjust the seat front-rear alignment backwards and forwards with the control button.





Status should change from NOT ACTIVE to ACTIVE when activation occurs.

OK - Checking control button, backrest adjustment

Not OK - Checking for contact resistance and oxidation

-------------------------------------------------

Checking control button, backrest adjustment




- Ignition off.
Read off control button status.
Adjust the seat backrest backwards and forwards with the control button.





Status should change from NOT ACTIVE to ACTIVE when activation occurs.

OK - Checking control button, seat rear edge adjustment

Not OK - Checking for contact resistance and oxidation

-------------------------------------------------

Checking control button, seat rear edge adjustment




- Ignition off.
Read off control button status.
Adjust the rear seat edge height adjustment up and down with the control button.





Status should change from NOT ACTIVE to ACTIVE when activation occurs.

OK - Checking control button, seat front edge adjustment

Not OK - Checking for contact resistance and oxidation

-------------------------------------------------

Checking control button, seat front edge adjustment




- Ignition off.
Read off control button status.
Adjust the front seat edge height adjustment up and down with the control button.





Status should change from NOT ACTIVE to ACTIVE when activation occurs.

OK - Checking memory buttons

Not OK - Checking for contact resistance and oxidation

-------------------------------------------------

Checking memory buttons




- Ignition off.
Read off memory buttons status.
Activated the four memory buttons, one at a time.





Status should change from NOT ACTIVE to ACTIVE when activation occurs.

OK - Test complete

Not OK - Checking for contact resistance and oxidation

-------------------------------------------------

Checking the control buttons status




- Ignition off.
Go into scrolling values.
Activate the seat functions in both directions with the control buttons and read off the status of each button.
Activate the four memory buttons and read off the status.
See Volvo Scan Tool (ST) Scrolling values Volvo Scan Tool (ST) Scrolling Values.





The status for all the functions should change from NOT ACTIVE to ACTIVE when they are activated.

OK - Test complete

Not OK - Checking for contact resistance and oxidation

-------------------------------------------------

Checking for contact resistance and oxidation








- Ignition off.
- Disconnect the 16-pin connector B.
Remedy the 16-pin connector for loose connections according to Checking wiring and terminals. Intermittent faults Checking Wiring and Terminals. Intermittent Faults and contact resistance and oxidation according to Checking wiring and terminals. Permanent fault Checking Wiring and Terminals. Permanent Fault.

Continue - Connecting the breakout box

-------------------------------------------------






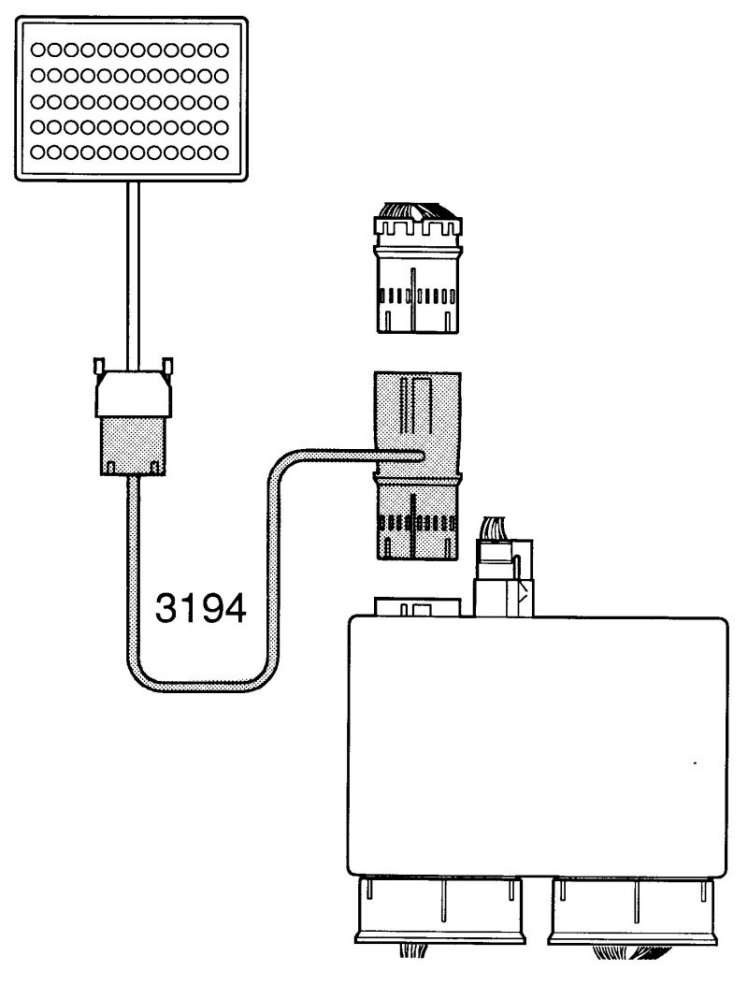
Connecting breakout box
981 3190 Replaced by 9511428 981 3190 Replaced by 951 1428 981 3194 Replaced by 9511495 981 3194 Replaced by 951 1495




Information

Connecting up the Test box





-------------------------------------------------

Check ground points




- Ignition off.
- Connect breakout box 981 3190 with adapter 981 3194 to 16-pin yellow (or green) connector (output 31-46). 981 3190 Replaced by 9511428 981 3190 Replaced by 951 1428 981 3194 Replaced by 9511495 981 3194 Replaced by 951 1495








- Measure with ohmmeter between battery negative pole and:
- connection 36 on breakout box.
- connection 37 on breakout box.

In both cases the ohmmeter should read 0 ohms.

OK - Calibrating ground terminals, continued

Not OK - Checking for an open-circuit

-------------------------------------------------

Calibrating ground terminals, continued




- Ignition off.








- Connect an ohmmeter between battery negative terminal and terminal A:3 on the 4-pin connector.





The ohmmeter should read approx. 0 ohms.

OK - Checking control buttons

Not OK - Checking for an open-circuit, contact resistance and oxidation

-------------------------------------------------

Checking for an open-circuit








- Check lead between controller and control module connection D:6 or D:7 for break as per HA6 . Checking wiring and terminals. Permanent fault Checking Wiring and Terminals. Permanent Fault.





Continue - Verification

-------------------------------------------------

Checking for an open-circuit, contact resistance and oxidation




- Check lead between control module connection 31 and control point for break as per HA2 as well as contact resistance and oxidation as per HA5 . Checking wiring and terminals. Permanent fault Checking Wiring and Terminals. Permanent Fault Checking wiring and terminals. Intermittent faults Checking Wiring and Terminals. Intermittent Faults.





Continue - Checking control buttons

-------------------------------------------------

Checking control buttons




- Ignition off.
Connect an ohmmeter between breakout box outlet to relevant button and ground (outlet 36). See Connector D Connector D.









The ohmmeter should read 0 ohms when the respective buttons are activated.

OK - Checking the control module
Checking the control module

Not OK - Checking for an open-circuit

-------------------------------------------------

Checking for an open-circuit
Check cables between control panel and control module for an open-circuit according to Checking wiring and terminals. Permanent fault Checking Wiring and Terminals. Permanent Fault.
If faulty, try a new control panel according to Control panel replacement.





Select Continue when the fault has been remedied.

Continue - Verification

-------------------------------------------------

Replacing component
Try a new control module according to Control module, replace.





Select Continue when the fault has been remedied.

Continue - Verification

-------------------------------------------------

Fault-tracing information
The control panel is operating correctly. The symptom was probably caused by contact resistance in the terminals.


Continue - Verification

-------------------------------------------------

Checking the control module




- Ignition off.
Read off control button status.
Adjust the seat front-rear alignment backwards and forwards with the control button.





Status should change from NOT ACTIVE to ACTIVE when activation occurs.

OK - Checking control module, continued

Not OK - Replacing component

-------------------------------------------------

Checking control module, continued




- Ignition off.
Read off control button status.
Adjust the seat backrest backwards and forwards with the control button.





Status should change from NOT ACTIVE to ACTIVE when activation occurs.

OK - Checking control module, continued

Not OK - Replacing component

-------------------------------------------------

Checking control module, continued




- Ignition off.
Read off control button status.
Adjust the rear seat edge height adjustment up and down with the control button.





Status should change from NOT ACTIVE to ACTIVE when activation occurs.

OK - Checking control module, continued

Not OK - Replacing component

-------------------------------------------------

Checking control module, continued




- Ignition off.
Read off control button status.
Adjust the front seat edge height adjustment up and down with the control button.





Status should change from NOT ACTIVE to ACTIVE when activation occurs.

OK - Checking control module, continued

Not OK - Replacing component

-------------------------------------------------

Checking control module, continued




- Ignition off.
Read off memory buttons status.
Activate the four memory buttons, one at a time.





Status should change from NOT ACTIVE to ACTIVE when activation occurs.

OK - Fault-tracing information

Not OK - Replacing component

-------------------------------------------------

Verification




Hint: After carrying out the repair, check that the fault has been remedied as follows:

Verify the function(s) which were malfunctioning.
1. Forward/backward seat adjustment
2. Backrest angle adjustment
3. Seat height adjustment at the rear edge
4. Seat height adjustment at the front edge
5. Memory functions

Select an alternative.

1 - Verifying control button, seat forward/backwards

2 - Verifying control button, backrest angle adjustment

3 - Verifying the control button, seat height adjustment at rear edge

4 - Verifying control button, seat height adjustment at front edge

5 - Verifying memory buttons

------------------------

Verifying control button, seat forward/backwards




- Ignition OFF.
Read off control button status.
Operate the seat forward/backward using the control button.





The status should change from NOT ACTIVE to ACTIVE when the seat is operated.

------------------------

Verifying control button, backrest angle adjustment




- Ignition OFF.
Read off control button status.
Operate the backrest forward/backward using the control button.





The status should change from NOT ACTIVE to ACTIVE when the seat is operated.

------------------------

Verifying the control button, seat height adjustment at rear edge




- Ignition OFF.
Read off control button status.
Operate the seat rear edge height adjustment, raising and lowering it by using the control button.





The status should change from NOT ACTIVE to ACTIVE when the seat is operated.

------------------------

Verifying control button, seat height adjustment at front edge




- Ignition OFF.
Read off control button status.
Operate the seat front edge height adjustment, raising and lowering it by using the control button.





The status should change from NOT ACTIVE to ACTIVE when the seat is operated.

------------------------

Verifying memory buttons




- Ignition OFF.
Read off memory buttons status.
Activate the four memory buttons, one at a time.





The status should change from NOT ACTIVE to ACTIVE when the seat is operated.

------------------------

Fault-tracing information

Were there other functions that were malfunctioning and need verifying?

Yes - Verification

No - Fault-tracing information

-------------------------------------------------

Fault-tracing information




Information

Fault-tracing information
The fault should be diagnosed and remedied. Since this is not the case the fault-tracing process has failed.
Complete the fault-tracing for those fault or try again.

Do you want to terminate fault-tracing at this time?

Yes - Exit fault-tracing

No - Attempt New Test

-------------------------------------------------