Operation CHARM: Car repair manuals for everyone.
Manuals through 2025 now available!

Our trusted friends have launched a new website named LEMON, which has newer manuals. It also contains all the CHARM manuals.

LEMON is the spiritual successor to CHARM, I recommend you try it!

Link: lemon-manuals.la or lemon-manuals.org.ua

(Some people have issue connecting. LEMON is investigating. For now, use Firefox or change your DNS server)

Or, hide this message: temporarily or permanently

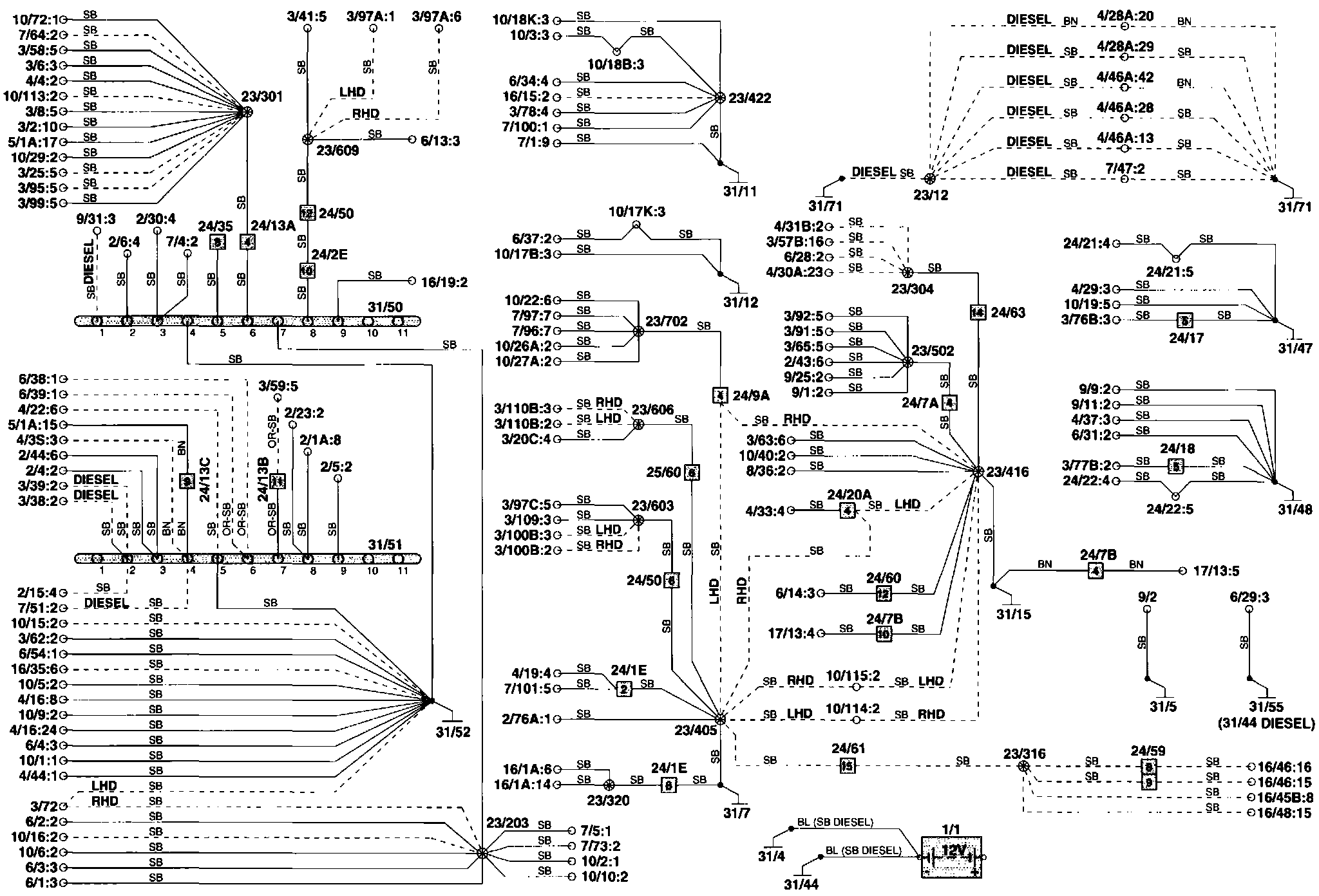
Ground Locations









Wiring Diagram







Component Location

Component I.D. List
31/4 Engine ground point (ground terminal - battery-engine)
31/5 Heated rear windshield ground
31/7 Ground terminal driver's side A post
31/11 Ground terminal cargo compartment left-hand side
31/12 Ground terminal cargo compartment right-hand
31/15 Ground terminal passenger side A post
31/44 Engine compartment ground point (battery ground terminal - body)
31/47 Ground terminal left cross member
31/48 Ground terminal right cross member
31/50 Ground rail (power ground)
31/51 Ground rail (signal ground)
31/52 Ground terminal left spring strut turret
31/55 Ground point engine coolant fan (FC)
31/71 Ground terminal right front side member







Ground points 31/4, 31/5, 31/7, 31/11, 31/12, 31/15, 31/44, 31/47 & 31/48







Ground points 31/50, 31/51, 31/52, 31/52, 31/55 & 31/71