Operation CHARM: Car repair manuals for everyone.
Manuals through 2025 now available!

Our trusted friends have launched a new website named LEMON, which has newer manuals. It also contains all the CHARM manuals.

LEMON is the spiritual successor to CHARM, I recommend you try it!

Link: lemon-manuals.la or lemon-manuals.org.ua

(Some people have issue connecting. LEMON is investigating. For now, use Firefox or change your DNS server)

Or, hide this message: temporarily or permanently

Knock Sensor: Service and Repair

Special tools: 999 5533 (5), 999 5474

Preparations
Remove:
- Battery negative lead.
- Throttle pulley cover.
- Throttle cable.
- Spark plug cover.
- Crankcase ventilation from the cylinder head.

Removing Fuel Rail With Injectors
Remove:
- Fuel rail cover
- Injector connectors
- Fuel line clips (2) and fuel rail mounting screws (2)
- Install the five holders 999 5533 on the injectors according to.
- Put a cable grip around delivery line and injector 1 holder to prevent them twisting and leaking fuel.
- Carefully lift up injectors and fuel rail and place on a protective cover on top of engine.

NOTE: Handle injectors carefully to avoid damage to nozzles and needles.





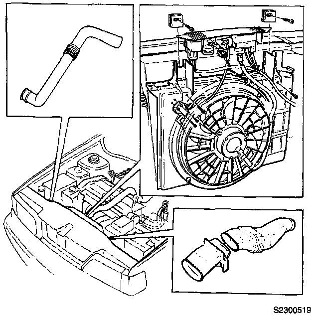
Removing Engine Cooling Fan
Remove:
- Air intake and intake hose to air cleaner (ACL).
- Canister purge (CP) valve hose at intake manifold.
- The two screws holding the canister purge valve to the engine cooling fan (FC) shroud.
- Canister purge valve connector.
- Engine cooling fan shroud mounting screws (4).
- Air duct to engine control module (ECM) box.
- Fold back shroud a little. Pull up relay mounting and disassemble engine cooling fan connectors and disconnect pulsed secondary air injection system (PAIR) pump valve hoses.
- Fan shroud spacers.
- Engine cooling fan and shroud.
- Cover radiator with protective panel 999 5474.





Removing Hoses And Connectors
Remove:
- Idle air control (IAC) valve and throttle position (TP) sensor connectors.
- Brake system servo hose.
- Fresh air hose.
- Injector cable harness clip.





Removing Intake Manifold
Remove:
- Intake manifold upper bolts (3).
- Dipstick from intake manifold.
- Intake manifold lower bolts.
- Intake manifold support bracket bolt.
- Intake manifold by lifting it approx. 20 mm, to release intake manifold from engine.

Removing Knock Sensors
Remove:
- Knock sensor (KS) connector.
- Knock sensor.





Installing Knock Sensor
Install:
- Knock sensor and tighten. Tightening torque 20 Nm.

NOTE: Front knock sensor must be tightened in the 4 o'clock position and rear knock sensor in the half-past five position.

- Knock sensor connector.





Installing Intake Manifold
Install:
- New gasket with four lower intake manifold screws.
- Intake manifold

NOTE: Check that there are no foreign bodies in the intake manifold before installing it.

- Intake manifold.

NOTE: Ensure that crankcase ventilation hose is not trapped between cylinder head and intake manifold when tightening.

- Three upper intake manifold screws. Tighten all screws to 20 Nm (15 ft.lbs).
- Support bracket.
- Dipstick.

Installing Fuel Rail
Install:
- Fuel rail and fuel pipe clips (two).
- New screws and tighten. Tightening torque 10 Nm.
- Remove injector holders.
- Injector connectors. Check that each connector is fitted with rubber seal.
- Injector cable harness clip.
- Fuel rail cover.





Reinstalling Hoses And Connectors
Install:
- Idle air control valve and throttle position sensor connectors.
- Brake system servo hose.
- Fresh air hose.





Reinstalling Engine Coolant Fan
Install:
- Engine cooling fan and shroud.
- Fan shroud spacers.
- Relay mounting and fan control connector.
- Vacuum hoses to pulsed secondary air injection pump valve.
- Engine cooling fan shroud mounting screws (4).
- Air duct to engine control module box.
- Canister purge valve.
- Canister purge valve hose to intake manifold, use new clamp.
- Air intake and intake hose to air cleaner.

Installing
Install:
- Throttle cable.
- Throttle pulley cover.
- Battery negative lead.
- Crankcase ventilation to cylinder head, use new clamp.
- Spark plug cover.