Operation CHARM: Car repair manuals for everyone.
Manuals through 2025 now available!

Our trusted friends have launched a new website named LEMON, which has newer manuals. It also contains all the CHARM manuals.

LEMON is the spiritual successor to CHARM, I recommend you try it!

Link: lemon-manuals.la or lemon-manuals.org.ua

(Some people have issue connecting. LEMON is investigating. For now, use Firefox or change your DNS server)

Or, hide this message: temporarily or permanently

Rear Subframe: Service and Repair






Sub-frame rear, replacing

Special tools:
999 5659 Tension caliper 999 5659 Tension Caliper

Removing the sub-frame

Preparations
Raise the car.

Note! Lift the sill edges so that the rear axle is free.





Remove
- the wheels
- the brake caliper mounting screws. Hang the caliper up with a piece of wire
- the ABS sensor
- the three ABS cable mountings. Hang the cable with the brake caliper
- the screw for the brake pipe bracket
- the locating pin for the brake disc
- the brake disc.




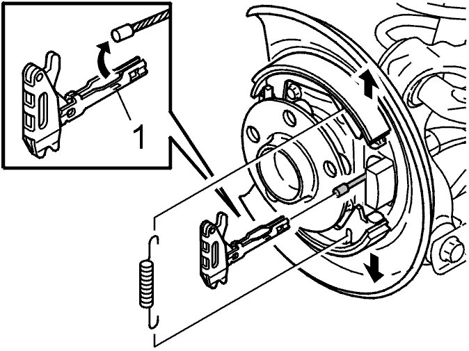
- the return spring at the expander
- the expander. Lift the brake shoe slightly. Grip the expander and pull it outwards to access the cable.
Unhook or pry apart the expander (1) by the mechanical cable to remove it.




- the guide sleeve for the cable sleeve. Apply a screwdriver between the guide sleeve lug and wheel arch. Pry apart slightly to remove the sleeve.




- the mechanical parking brake cable from the tie rod and the sub-frame
- the exhaust system. See Exhaust system, replacing Service and Repair
- the springs and shock absorbers. See Spring rear, replacing Spring Rear, Replacing.




- EVAP canister screw.

Note! The EVAP canister hangs in the bodywork when the sub-frame is lowered.




Drill out the heat deflector plate rivet on the sub-frame left rear bushing.

Remove the sub-frame




Position a lifting table under the sub-frame.

Remove
- the four sub-frame mountings
- the sub-frame brackets screws
- the brake hose mounting stays from mountings on the brackets
- the brake pipes from the plastic clips on the brackets.

Note! Remove the fuel filter bracket on the right bracket.

Carefully lower the sub-frame.

Remove components from the sub-frame





Note! The lateral link, tie rod, lower control arm and wheel spindle are removed from the sub-frame as one unit.

Remove
- the lateral links from the sub-frame
- the tie rods
- the wheel spindle from the upper control arm
- the anti-roll bar control arms from the upper control arm
- the anti-roll bar from the sub-frame.

Installing the sub-frame

Install components on the sub-frame

Note! To ensure that there is no exhaust leakage, see: Flanged joint, assembling Service and Repair.





Install
- the upper control arm. See Installing upper control arm, AW55-50/51SN, AW50/51 AWD, 4T65EV-GT Installing Upper Control Arm
- the anti-roll bar on the new sub-frame. Tighten to 80 Nm.





Note! Lateral link, tie rod, lower control arm and wheel spindle are installed on the new sub-frame as one unit.

Install
- the wheel spindle to the upper control arm. Do not tighten so hard that the toothed segment goes into the bushing on the wheel unit
- the lateral links on the sub-frame. Finger tighten
- tie rods on the sub-frame. Finger tighten
- the lower control arm on the sub-frame. Finger tighten.




- Install a M12x70 mm screw and nut in the hole for the anti-roll bar on the control arm, to assist when measuring
- Check the height measurement on the control arm. If necessary adjust the height measurement using a tie strap
- Tighten the wheel spindle to the upper control arm. Tighten to 50 Nm
- Install anti-roll bar control arms to the upper control arm. Tighten to 80 Nm.

Note! Counterhold the ball joint so as not to damage the boot.

Reinstall the sub-frame
Place the sub-frame on a lifting table.
- Lift up the sub-frame enough to be able to install the EVAP canister. Tighten to 25 Nm
- Lift the sub-frame up completely to the bodywork.

Note! Ensure that the brake pipes are not crimped at the sub-frame mountings.

Release the lower control arms from the sub-frame.





Install
- the brake line mounting stays on the sub-frame bracket. Tighten to 25 Nm
- the brake pipe in the clips on the sub-frame brackets
- the screws for the sub-frame, at the front edge through the brackets
- the screws for the brackets

Note! Use new screws for the sub-frame mountings. Tighten all the mountings. Tighten to 80 Nm.

- the fuel filter with the holder on the right bracket. Tighten to 25 Nm.
Remove the lifting table.

Finishing




- Pop rivet the exhaust pipe heat deflector into the left rear sub-frame mounting.





Install
- the parking brake cable mounting in the sub-frame. Tighten to 25 Nm
- the mounting for parking brake cable on the tie rod
- the exhaust system. See Exhaust system, replacing Service and Repair
- the springs and shock absorbers. See Spring rear, replacing Spring Rear, Replacing.

Note! At the same time tighten the tie rods and lateral links to the sub-frame. Tighten to 100 Nm and 80 Nm respectively. Use tensioner 999 5659 Tension caliper 999 5659 Tension Caliper. See Tensioner, instructions for use, AW55-50/51SN, 4T65EV-GT Tensioner, Instructions For Use.




Press the cable sleeve guide sleeve into place in the mounting.





Install
- the expander on the cable. Press the mounting together to lock the cable in the expander
- the expander between the brake shoes
- the return spring.
Check the function.





Install
- the brake disc and the locating pin. Tighten to 10 Nm
- the brake caliper. Use new screws. Tighten to 60 Nm
- the ABS sensor. Tighten to 10 Nm
- The ABS line on the wheel spindle and lateral link
- the wheels. See Installing wheels Service and Repair.
Adjust the parking brake. See Handbrake, brake shoes, replacing Hand Brake, Brake Shoes, Replacing.
Align the wheels.