Operation CHARM: Car repair manuals for everyone.
Manuals through 2025 now available!

Our trusted friends have launched a new website named LEMON, which has newer manuals. It also contains all the CHARM manuals.

LEMON is the spiritual successor to CHARM, I recommend you try it!

Link: lemon-manuals.la or lemon-manuals.org.ua

(Some people have issue connecting. LEMON is investigating. For now, use Firefox or change your DNS server)

Or, hide this message: temporarily or permanently

Network Structure






Network structure

General




A = Master node
B = Slave node
The network is made up of a number of control modules connected to each other via a communications wire. The control modules are voltage fed and ground individually and exchange information in an optional direction via the communication wiring.
In event of a failure on the communication wiring, the control modules will not be able to communicate with the other control modules located after the failure. However, the control modules located before the failure can still communicate.
On a LIN bus there is always one control module that is the main control module (a.k.a. master node). All other control modules on the same LIN bus are slave nodes.

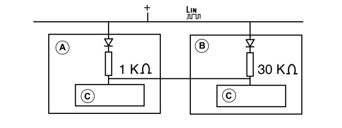
Terminating resistor




A = Master node
B = Slave node
C = Transmitter/receiver
LIN is terminated to the battery voltage on each node via a pull-up resistance

The master node is terminated with 1 kohms and the slave nodes with 30 kohms.
The termination resistance forms a parallel circuit and the resistance to the battery voltage depends on the number of connected nodes. The resistance to ground should be infinite or at least extremely large if no communications are in progress.