Operation CHARM: Car repair manuals for everyone.
Manuals through 2025 now available!

Our trusted friends have launched a new website named LEMON, which has newer manuals. It also contains all the CHARM manuals.

LEMON is the spiritual successor to CHARM, I recommend you try it!

Link: lemon-manuals.la or lemon-manuals.org.ua

(Some people have issue connecting. LEMON is investigating. For now, use Firefox or change your DNS server)

Or, hide this message: temporarily or permanently

System Diagram

Navigation Unit Inputs And Outputs For Connector A (20P) Part 1:



Navigation Unit Inputs And Outputs For Connector A (20P) Part 2:



Navigation Unit Inputs And Outputs For Connector B (14P):



Navigation Unit Inputs And Outputs For Connector C (8P):



Navigation Unit Inputs And Outputs For Connector D (7P):



Navigation Unit Inputs And Outputs For Connector E (2P):



Navigation Unit Inputs And Outputs For Connector F (5P):



Navigation Display Unit Inputs And Outputs For 20P Connector:



Rearview Camera Inputs And Outputs For 6P Connector:



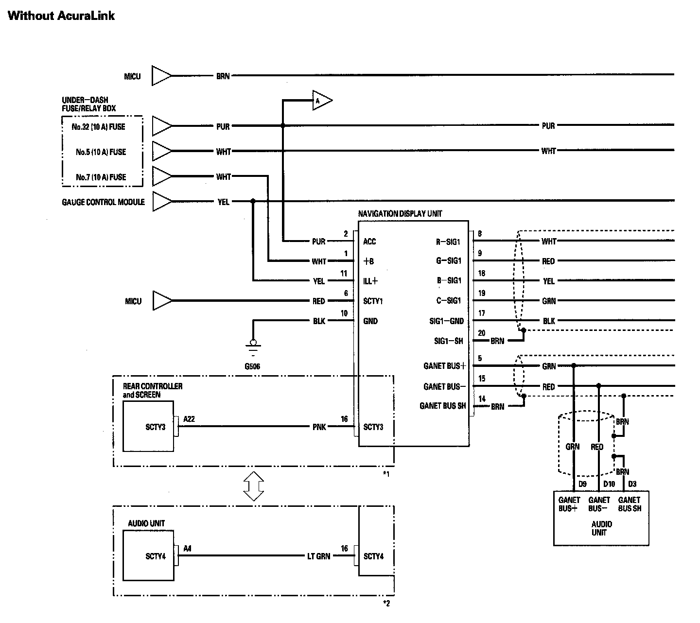
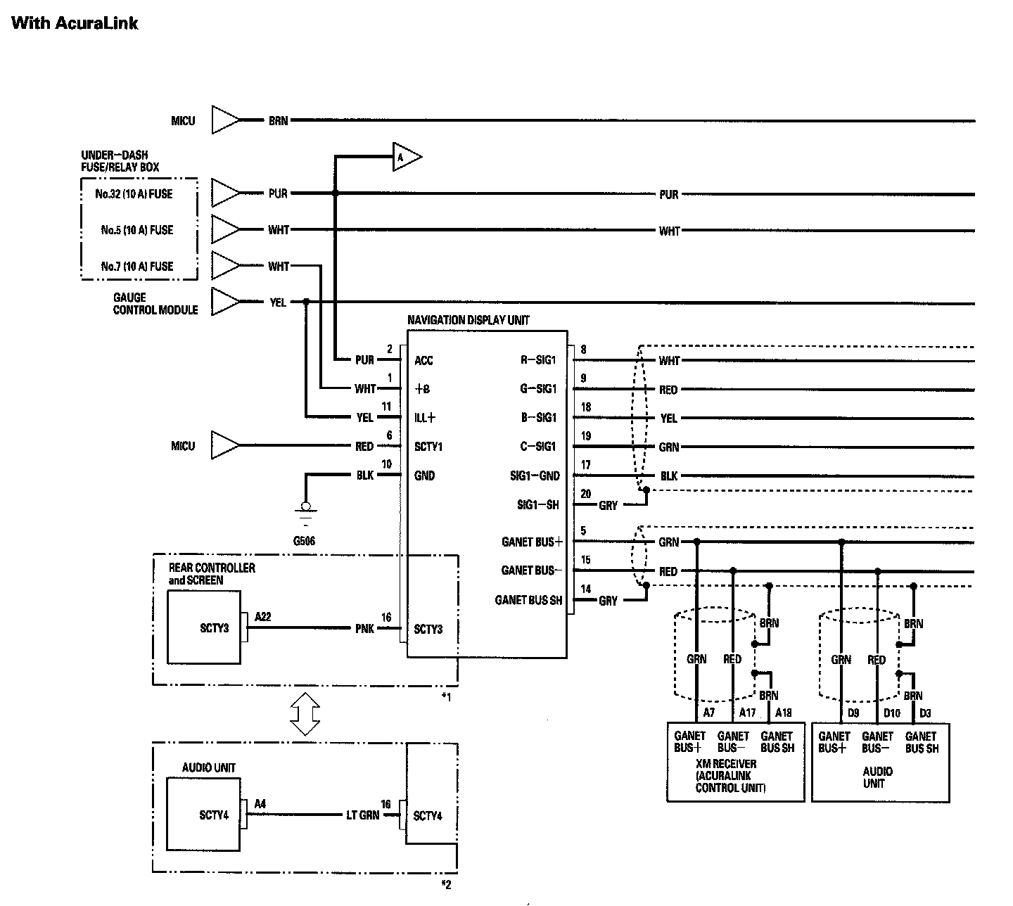
Navigation System Circuit Diagram Part 1:



Navigation System Circuit Diagram Part 2:



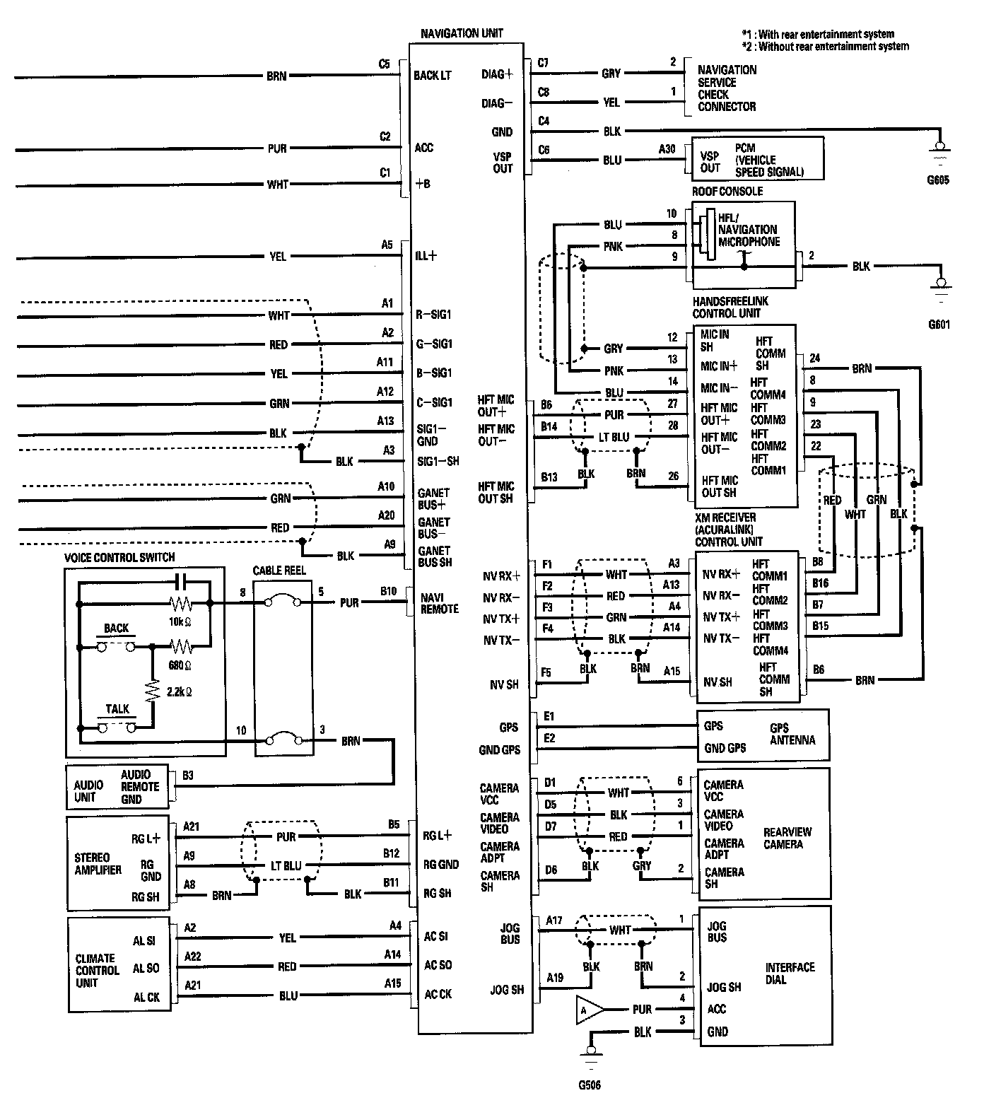
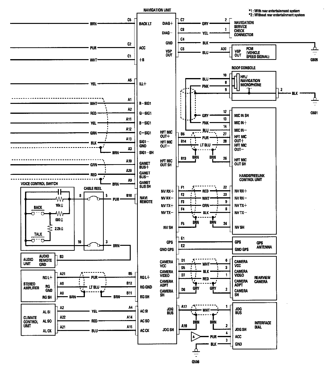
Navigation System Circuit Diagram Part 3:



Navigation System Circuit Diagram Part 4:



Navigation System Circuit Diagram Part 5: