Operation CHARM: Car repair manuals for everyone.
Manuals through 2025 now available!

Our trusted friends have launched a new website named LEMON, which has newer manuals. It also contains all the CHARM manuals.

LEMON is the spiritual successor to CHARM, I recommend you try it!

Link: lemon-manuals.la or lemon-manuals.org.ua

(Some people have issue connecting. LEMON is investigating. For now, use Firefox or change your DNS server)

Or, hide this message: temporarily or permanently

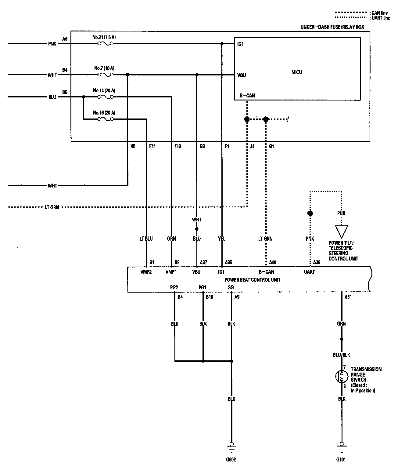
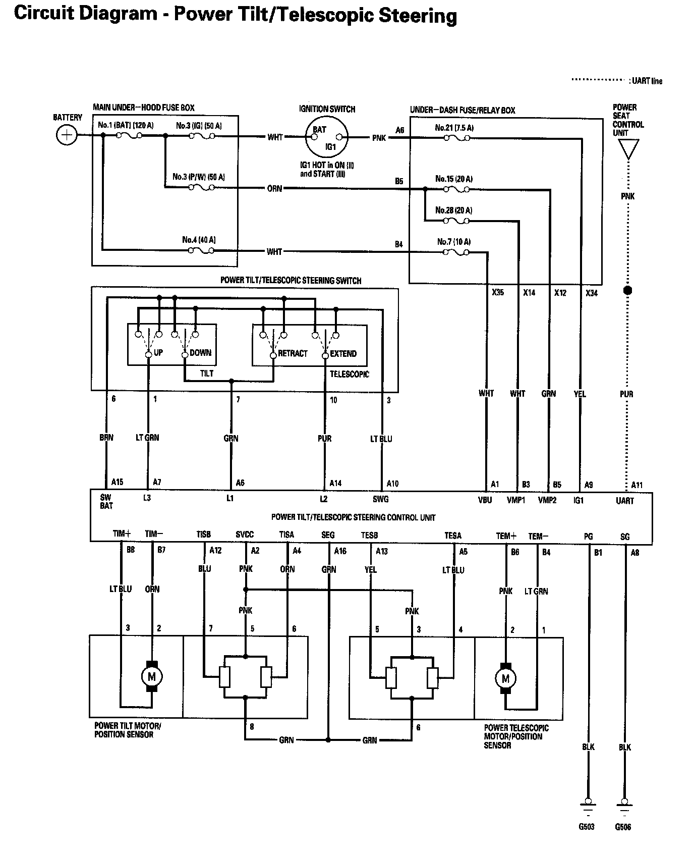
Driving Position Memory System (DPMS) Circuit Diagram

Driving Position Memory System (DPMS) Circuit Diagram - Power Tilt/Telescopic Steering:



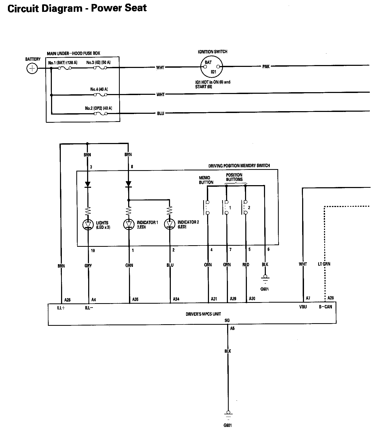
Driving Position Memory System (DPMS) Circuit Diagram - Power Seat Part 1:



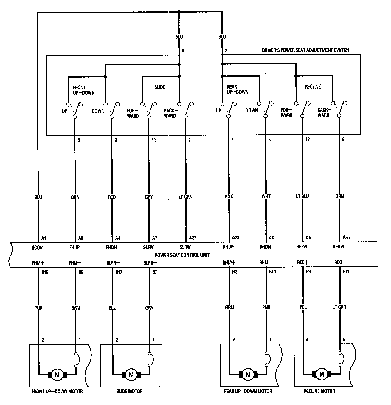
Driving Position Memory System (DPMS) Circuit Diagram - Power Seat Part 2:



Driving Position Memory System (DPMS) Circuit Diagram - Power Seat Part 3:



Driving Position Memory System (DPMS) Circuit Diagram - Power Seat Part 4:



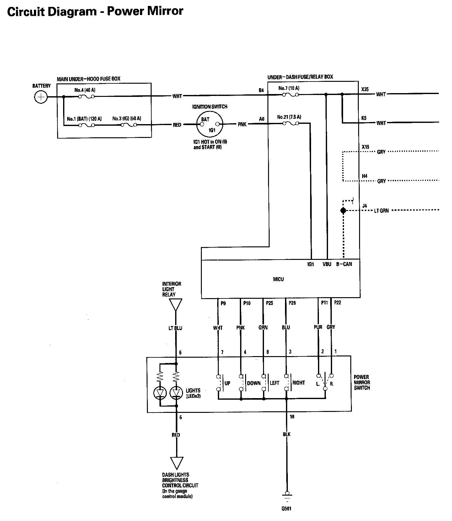
Driving Position Memory System (DPMS) Circuit Diagram - Power Mirror Part 1:



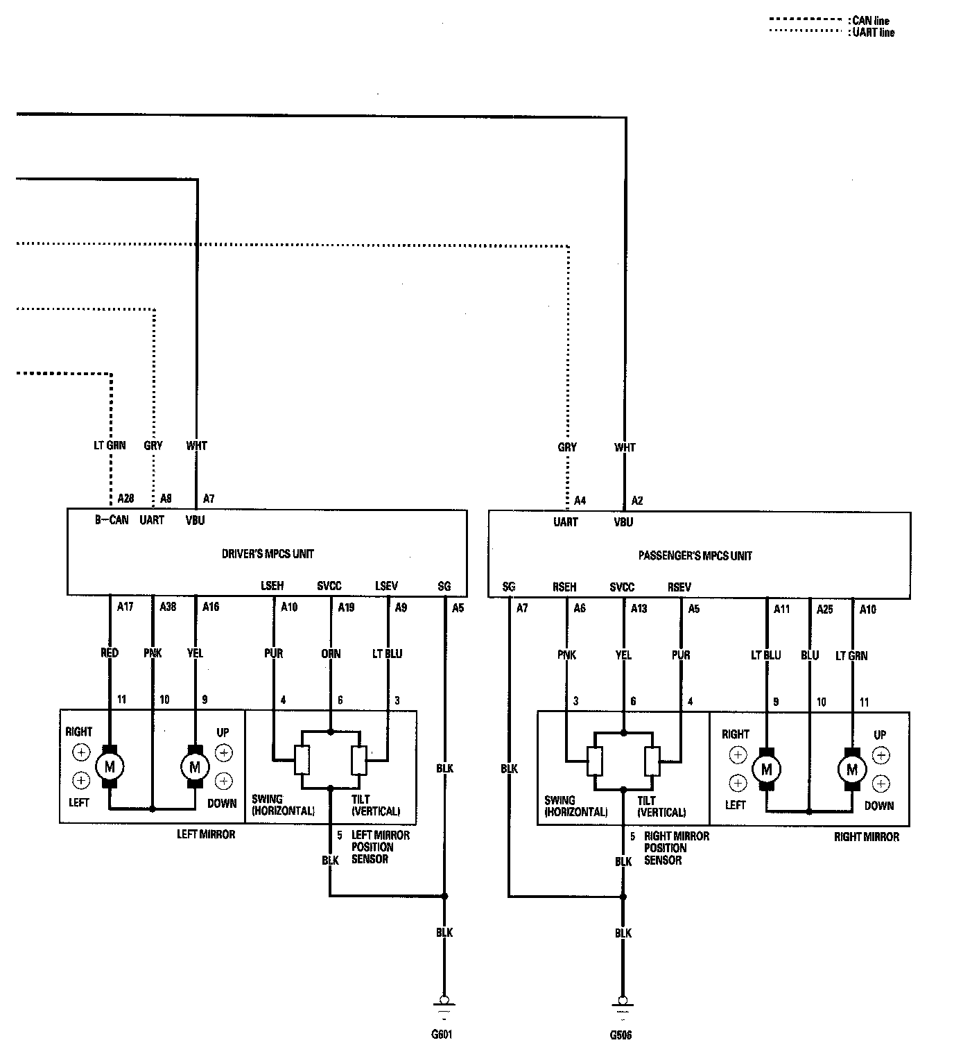
Driving Position Memory System (DPMS) Circuit Diagram - Power Mirror Part 2: