Operation CHARM: Car repair manuals for everyone.
Manuals through 2025 now available!

Our trusted friends have launched a new website named LEMON, which has newer manuals. It also contains all the CHARM manuals.

LEMON is the spiritual successor to CHARM, I recommend you try it!

Link: lemon-manuals.la or lemon-manuals.org.ua

(Some people have issue connecting. LEMON is investigating. For now, use Firefox or change your DNS server)

Or, hide this message: temporarily or permanently

Engine Removal

Engine Removal

Special Tools Required
^ Universal eyelet 07AAK-SNAA120
^ 1.8 support bolt 07AAK-SNAA500
^ RDX engine support eyelet 07AAK-SNAA600
^ RDX engine support mount pads 07AAK-STKA120
^ Front subframe adapter VSB02C000016
^ Engine support hanger, A and Reds AAR-T-12566 *
*:Available through American Honda Tool and Equipment Program, 1-888-424-6857

NOTE:
^ Use fender covers to avoid damaging painted surfaces.
^ To avoid damaging the wiring and terminals, unplug the wiring connectors carefully while holding the connector portion.
^ Mark all wiring and hoses to avoid misconnection. Also, be sure that they do not contact other wiring or hoses, or interfere with other parts.

1. Make sure you have the anti-theft code for the audio system and the navigation system (if equipped), then write down the audio presets.
2. Secure the hood in the wide open position (support rod in the lower hole).





3. Relieve the fuel pressure.
4. Disconnect the negative cable from the battery first, then disconnect the positive cable.
5. Remove the battery.
6. Remove the air cleaner housing assembly.
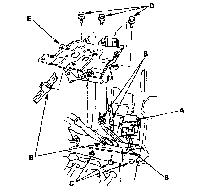
7. Remove the relay block (A) and harness clamps (B).





8. Loosen the bolts (C), and remove the bolts (D), then remove the battery base (E).
9. Remove the charge air cooler cover (A), then remove the charge air cooler cover front bracket (B).





10. Remove the air bypass outlet pipe (A).





11. Remove the battery cables (A) from the under-hood fuse/relay box.





12. Disconnect the harness connector (B).
13. Disconnect the powertrain control module (PCM) connectors (A) and the engine wire harness connector (B).





14. Remove the harness clamps (C).
15. Remove the under-hood fuse relay box from the bracket.





16. Remove the quick-connect fitting cover (A), then disconnect the fuel feed hose.





17. Remove the heater hoses from the clamps (A), then remove the bolt (B) securing the heater hose clamp bracket.





18. Remove the evaporative emission (EVAP) canister hose (A), brake booster vacuum hose (B), and vacuum hose (C).





19. Remove the shift cable.
20. Remove the drive belt.
21. Remove the power steering (P/S) pump (A) without disconnecting the P/S hoses, then remove the P/S hose from the clamp (B).





22. Remove the radiator cap.
23. Raise the vehicle on the lift to full height.
24. Remove the front wheels.
25. Remove the splash shield.





26. Loosen the drain plug in the radiator, and drain the engine coolant.
27. Drain the engine oil.
28. Drain the automatic transmission fluid (ATF).
29. Remove the three-way catalytic converter (TWC).





30. Separate the stabilizer links.
31. Separate the knuckles from the lower arms.
32. Remove the driveshafts. Coat all precision finished surfaces with clean engine oil. Tie plastic bags over the driveshaft ends.
33. Remove the propeller shaft from the transfer shaft flange.
34. Remove the bolt (A) securing the P/S fluid line bracket, and unclamp the P/S fluid line clamps (B) on the front subframe.





35. Remove the bolts securing the steering gearbox mounting brackets.





36. Lower the vehicle on the lift.
37. Remove the radiator.
38. Disconnect the A/C compressor clutch connector (A), then remove the A/C compressor (B) without disconnecting the A/C hoses.





39. Remove the heater hoses.





40. Remove the automatic transmission fluid (ATF) cooler hoses (A), then plug the line and hose.





41. Remove the ground cable (B).
42. Attach the engine support eyelet with the support bolt.





43. Remove the top corner clip (A) from the front grill on both sides. Place the engine support mount pads over the hood edge cushions (B), and align the pins with the clip hole (C). Remove the lids from both side of the cowl cover. Install the engine support hanger (AAR-T-12566), then attach the hook to the engine support eyelet. Tighten the wing nut (D) by hand to lift and support the engine/transmission assembly.





44. Raise the lift to full height.
45. Remove the lower torque rod.





46. Make reference marks on the body across the marks (A) on the edge of the front subframe (B).





47. Attach the subframe adapter (A) to the subframe and hang the belt of the subframe adapter over the front of the subframe, then secure the belt with its stop.





48. Raise the jack and line up the slots in the arms with the bolt holes on the corner of the jack base, then attach them with bolts securely.
49. Remove the subframe.





50. Hang the steering gearbox with a rope.
51. Lower the vehicle on the lift.
52. Remove the harness clamps (A), then remove the transmission mount (B).





53. Install the transmission hanger bracket (P/N 21232-RCT-A00) (A) and washer (B) on the transmission.





54. Attach the universal eyelet to the drive belt auto-tensioner.





55. Attach a chain hoist (A) to the universal eyelet (B), and the transmission hook (C). Lift up on the engine/transmission assembly until it's securely supported by the chain hoist, and remove the engine hanger.





56. Remove the side engine mount bracket mounting bolt and nut.





57. Check that the engine/transmission is completely free of vacuum hoses, fuel and coolant hoses, and electrical wiring.
58. Slowly lower the engine/transmission assembly about 150 mm (6 in.). Check once again that all hoses and electrical wiring are disconnected and free from the engine/transmission, then lower it all the way.
59. Disconnect the chain hoist from the engine/transmission assembly.
60. Raise the vehicle all the way on the lift, and remove the engine/transmission assembly from under the vehicle.