Operation CHARM: Car repair manuals for everyone.
Manuals through 2025 now available!

Our trusted friends have launched a new website named LEMON, which has newer manuals. It also contains all the CHARM manuals.

LEMON is the spiritual successor to CHARM, I recommend you try it!

Link: lemon-manuals.la or lemon-manuals.org.ua

(Some people have issue connecting. LEMON is investigating. For now, use Firefox or change your DNS server)

Or, hide this message: temporarily or permanently

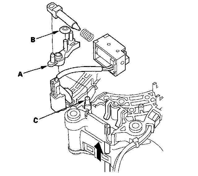
Shift Lock Stop, Shift Lock Stop Cushion Replacement

Shift Lock Stop, Shift Lock Stop Cushion Replacement
1. Remove the shift lock solenoid.
2. Remove the shift lock stop (A) and stop cushion (B), and replace the shift lock stop or stop cushion.





3. Install the shift lock stop cushion on the shift lock stop.
4. Apply silicone grease to the pin (C) on the shift lever bracket base, and install the shift lock stop over the pin.
5. Install the shift lock solenoid.