Operation CHARM: Car repair manuals for everyone.
Manuals through 2025 now available!

Our trusted friends have launched a new website named LEMON, which has newer manuals. It also contains all the CHARM manuals.

LEMON is the spiritual successor to CHARM, I recommend you try it!

Link: lemon-manuals.la or lemon-manuals.org.ua

(Some people have issue connecting. LEMON is investigating. For now, use Firefox or change your DNS server)

Or, hide this message: temporarily or permanently

Power Window Switch: Service and Repair

Power Window Switch Replacement

Driver's

1. Remove the driver's door panel.




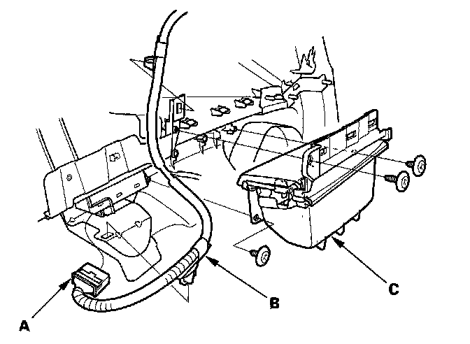
2. Disconnect the 22P connector (A) from the power window master switch.
3. Remove the driver's door subharness (B) from the power window master switch.
4. Remove the three screws from the door panel, then pull up on the door pocket (C) to release the clips.




5. Remove the three screws and the power window master switch (A) from the door panel.




6. Remove the four screws and the power window master switch (A).
7. Install the switch in the reverse order of removal.
8. After replacement, reset the power window control unit.

Front passenger's

1. Removal the front passenger's door panel.




2. Disconnect the 14P connector (A) from the power window switch.
3. Remove the front passenger's door subharness (B) from the power window switch.
4. Remove the three screws from the door panel, then pull up on the door pocket (C) to release the clips.




5. Remove the three screws and the power window switch (A) from the door panel.
6. Remove the four screws and the power window switch.
7. Install the switch in the reverse order of removal.
8. After replacement, reset the power window control unit.

Rear passenger's

1. Remove the door panel.




2. Disconnect the 14P connector from the power window switch (A).
3. Remove the screws and the power window switch from the door panel.
4. Remove the four screws and the power window switch.
5. Install the switch in the reverse order of removal.