Operation CHARM: Car repair manuals for everyone.
Manuals through 2025 now available!

Our trusted friends have launched a new website named LEMON, which has newer manuals. It also contains all the CHARM manuals.

LEMON is the spiritual successor to CHARM, I recommend you try it!

Link: lemon-manuals.la or lemon-manuals.org.ua

(Some people have issue connecting. LEMON is investigating. For now, use Firefox or change your DNS server)

Or, hide this message: temporarily or permanently

Ignition Distributor - Trigger Wheel Removal


87audi01

Applies To 4 and 5 cyl.
Gas engines
w/electronic ignition

Group 28




Subject

Ignition Distributor Trigger Wheel Removal

Part Identifier 2839

Key Points

Hall sender replacement


A 294

Number

87-01

June 8, 1987

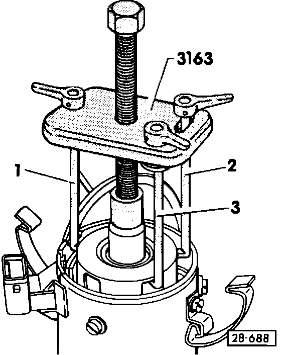
When replacing the Hall sender in ignition distributors with centrifugal/vacuum advance, the trigger wheel must be removed. Use puller 3163* to avoid damaging the trigger wheel and distributor housing.

Install the puller as follows:

4 cylinder engines




- remove circlip on top of trigger wheel
- install hooks 1 and 2 as shown
- center 1363* tensioning bolt on top of distributor shaft
- slowly tighten bolt and withdraw trigger wheel

- remove and replace Hall sender

Note

A pin is used to position the trigger wheel, which can become dislodged during removal. Be careful not to drop it into the distributor.

5 cylinder engines




- remove circlip on top of trigger wheel
- install hooks 1, 2, and 3 as shown
- center 1363* tensioning bolt on top of distributor shaft
- slowly tighten bolt and withdraw trigger wheel

- remove and replace Hall sender

Note

A pin is used to position the trigger wheel, which can become dislodged during removal. Be careful not to drop it into the distributor.


*Not minimum requirement