Operation CHARM: Car repair manuals for everyone.
Manuals through 2025 now available!

Our trusted friends have launched a new website named LEMON, which has newer manuals. It also contains all the CHARM manuals.

LEMON is the spiritual successor to CHARM, I recommend you try it!

Link: lemon-manuals.la or lemon-manuals.org.ua

(Some people have issue connecting. LEMON is investigating. For now, use Firefox or change your DNS server)

Or, hide this message: temporarily or permanently

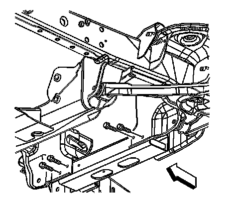
Engine Front Crossmember Replacement (RWD)


Engine Front Crossmember Replacement (RWD)


Removal Procedure





1.Raise and support the vehicle. Refer to Lifting and Jacking the Vehicle .

2.Disconnect the electrical wiring harness connectors from the engine crossmember.

3.Remove the engine crossmember mounting bolts.

4.Remove the engine crossmember.

Installation Procedure





1.Install the engine crossmember.

Notice:Refer to Fastener Notice .

2.Install the engine crossmember mounting bolts.

Tighten
Tighten the bolts to 120 N �m (89 lb ft).

3.Connect the electrical wiring harness connectors to the engine crossmember.

4.Lower the vehicle.