Operation CHARM: Car repair manuals for everyone.
Manuals through 2025 now available!

Our trusted friends have launched a new website named LEMON, which has newer manuals. It also contains all the CHARM manuals.

LEMON is the spiritual successor to CHARM, I recommend you try it!

Link: lemon-manuals.la or lemon-manuals.org.ua

(Some people have issue connecting. LEMON is investigating. For now, use Firefox or change your DNS server)

Or, hide this message: temporarily or permanently

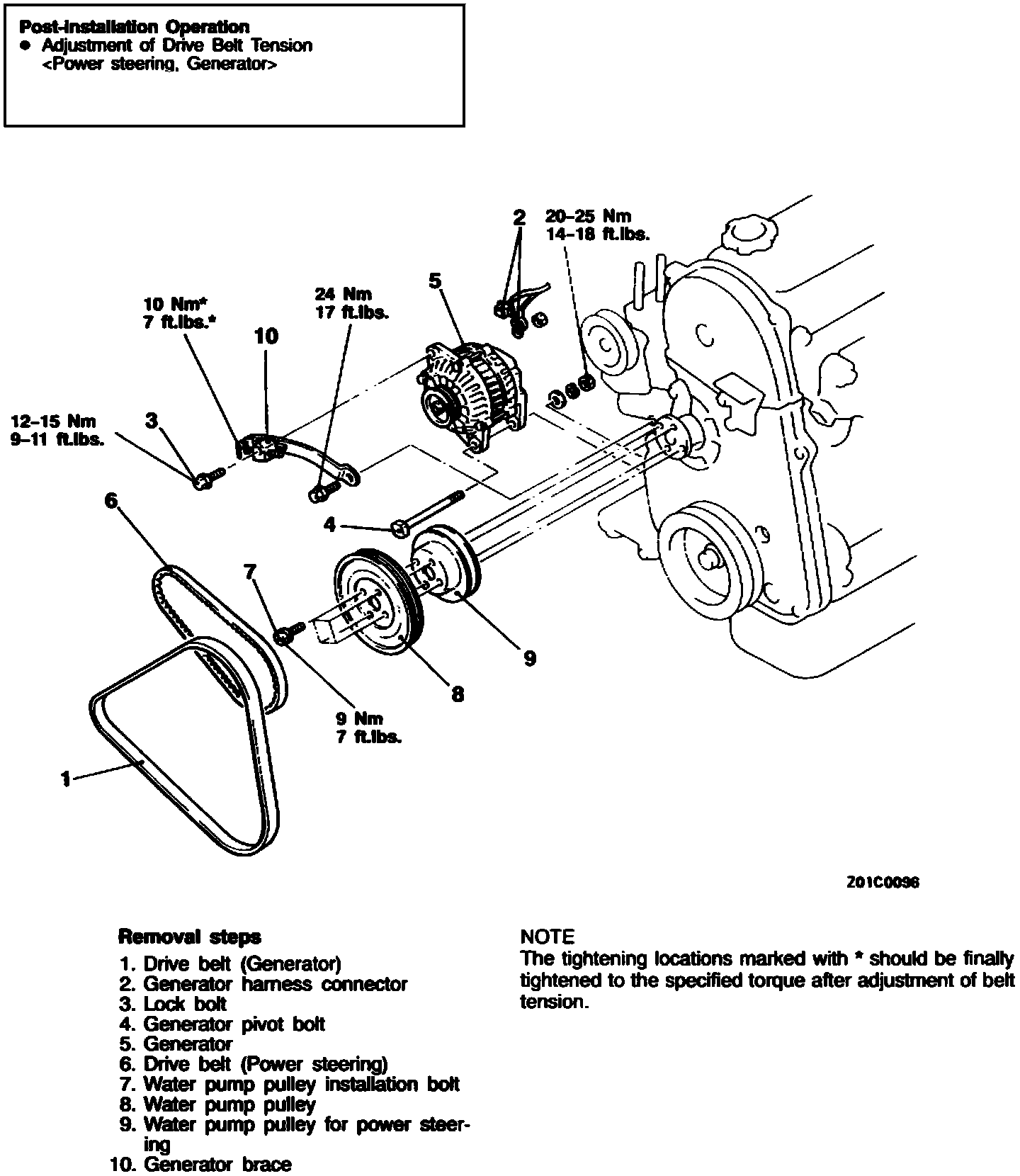
Generator Replacement

Generator - Removal And Installation:






NOTE: The tightening locations marked with * should be finally tightened to the specified torque after adjustment of belt tension.


REMOVE
1. Drive belt (Generator)
2. Generator harness connector
3. Lock bolt
4. Generator pivot bolt
5. Generator
6. Drive bell (Power steering)
7. Water pump pulley installation bolt
8. Water pump pulley
9. Water pump pulley for power steering
10. Generator brace

INSTALL
1. Generator brace
2. Water pump pulley for power steering
3. Water pump pulley
4. Water pump pulley installation bolt
5. Drive bell (Power steering)
6. Generator
7. Generator pivot bolt
8. Lock bolt
9. Generator harness connector
10. Drive belt (Generator)

Post-Installtion
- Adjustment of Drive Belt Tension