Operation CHARM: Car repair manuals for everyone.
Manuals through 2025 now available!

Our trusted friends have launched a new website named LEMON, which has newer manuals. It also contains all the CHARM manuals.

LEMON is the spiritual successor to CHARM, I recommend you try it!

Link: lemon-manuals.la or lemon-manuals.org.ua

(Some people have issue connecting. LEMON is investigating. For now, use Firefox or change your DNS server)

Or, hide this message: temporarily or permanently

Disassembly

Disassembly

1. Remove engine as outlined and install engine on engine stand, following manufacturer's instructions using Powertrain Lift 014-00765 or equivalent.

2. Loosen four bolts retaining power steering pump pulley hub to power steering pump (DO NOT remove bolts).

3. Release front end accessory drive belt tension by rotating drive belt tensioner clockwise. Refer to Engine/Drive Belts, Mounts, Brackets and Accessories/Drive Belt/Service and Repair. Service and Repair

4. Remove drive belt.

5. Disconnect ignition wires from ignition coil and spark plugs.

6. Release ignition wire separators from upper intake manifold and remove ignition wires as an assembly.







7. Remove A/C compressor mounting bolts from cylinder block. Remove A/C compressor.







8. Remove generator brace from generator and generator mounting bracket.

9. Remove generator from generator mounting bracket.

10. Remove generator mounting bracket retainers and bracket from cylinder block.

11. Remove engine lifting eye from RH and LH cylinder heads.

12. Rotate water pump drive belt tensioner clockwise to release water pump drive belt tension and remove water pump drive belt. Carefully release drive belt tensioner. Refer to Engine/Drive Belts, Mounts, Brackets and Accessories/Drive Belt/Service and Repair. Service and Repair







13. Using Crankshaft Damper Replacer T74P-6316-B and Water Pump Pulley Remover/Replacer with shaft protector and screws T94P-6312-AH or equivalent, remove water pump drive pulley from LH intake camshaft.

14. Disconnect heated oxygen sensor from fuel charging wiring and remove LH exhaust manifold retaining bolts and LH exhaust manifold gasket from LH cylinder head.







15. Remove oil level dipstick, oil level indicator tube and 0-ring from LH cylinder head and cylinder block.







16. Depress black retainer with a small screwdriver on upper intake manifold and disconnect main emission vacuum control connector from upper intake manifold. Disconnect EGR vacuum regulator control, EGR Valve, control solenoid vacuum valve, intake manifold runner control solenoid and fuel pressure regulator vacuum connector. Remove main emission vacuum control connector from engine.

17. Disconnect EGR pressure sensor hoses from EGR valve to exhaust manifold tube.







18. Remove retaining nut and ignition coil ground cable from EGR pressure sensor mounting bracket retaining stud. Disconnect fuel charging wiring from EGR pressure sensor and control solenoid vacuum valve.

19. Remove EGR pressure sensor mounting bracket retainers and EGR pressure sensor and mounting bracket as an assembly from the RH cylinder head.







20. Remove EGR valve to exhaust manifold tube from EGR valve and RH exhaust manifold.

21. Remove RH exhaust manifold retainers, RH exhaust manifold and exhaust manifold gasket from RH cylinder head.

22. Remove crankcase ventilation tube from throttle body vacuum port connector.

23. Remove positive crankcase ventilation valve from oil separator crankcase ventilation tube.

24. If necessary, remove EGR valve retainer bolts, EGR valve and EGR valve gasket. Refer to Powertrains Management/Emission Control Systems/Exhaust Gas Recirculation/. EGR Valve/Service and Repair. Service and Repair

25. Disconnect fuel charging wiring from throttle position sensor.

26. If necessary, remove throttle body retaining bolts and stud bolt, throttle body and gasket from upper intake manifold.

27. If necessary, remove EGR vacuum regulator control retaining bolts and EGR vacuum regulator control from upper intake manifold. Refer to Powertrains Management/Emission Control Systems/Exhaust Gas Recirculation/EGR Electronic Vacuum Regulator Solenoid/Service and Repair. Service and Repair

28. Disconnect fuel charging wiring from idle air control valve.

29. If necessary, remove idle air control valve retainer bolts, idle air control valve and gasket from upper intake manifold.







30. Remove upper intake manifold retaining bolts in sequence as shown. Remove upper intake manifolds and intake manifold upper gaskets from lower intake manifold.












31. Disconnect fuel charging wiring from the following components:

- Engine coolant temperature sensor.

- Ignition coil.

- Radio ignition interference capacitor.

- Fuel injectors.

- Camshaft position sensor.

- Oil pressure sensor.

- Crankshaft position sensor.

32. Remove fuel charging wiring and in-line connector bracket from RH valve cover retaining studs and engine assembly.

33. Disconnect main emission vacuum control connector from fuel pressure regulator.







34. Remove lower intake manifold retainer bolts in sequence shown from cylinder heads.







35. Remove lower intake manifold, fuel injectors and fuel injection supply manifold as an assembly from cylinder heads.


36. Remove intake manifold gaskets from cylinder heads and discard.







37. Remove crankcase ventilation tube retaining nut and crankcase ventilation tube from oil separator and water crossover stud bolt.

38. Loosen upper radiator hose spring clamp. Remove upper radiator hose from water crossover.












39. Remove water crossover to cylinder head retaining bolts and remove water crossover from cylinder head.

40. Loosen water pump outlet hose spring clamp. Remove water pump outlet hose from cylinder block inlet tube.












41. Remove water pump to LH cylinder head retaining bolts and remove water pump.

42. Remove ignition coil to RH valve cover retainer bolts. Remove radio ignition interference capacitor. ignition coil ground strap and ignition coil from RH valve cover.







43. Loosen RH and LH valve cover retainer bolts and studs in sequence as shown. Remove RH and LH valve covers from cylinder head.












44. Remove camshaft rear oil seal retainer bolts and camshaft rear oil seal retainer and gasket from LH cylinder head.

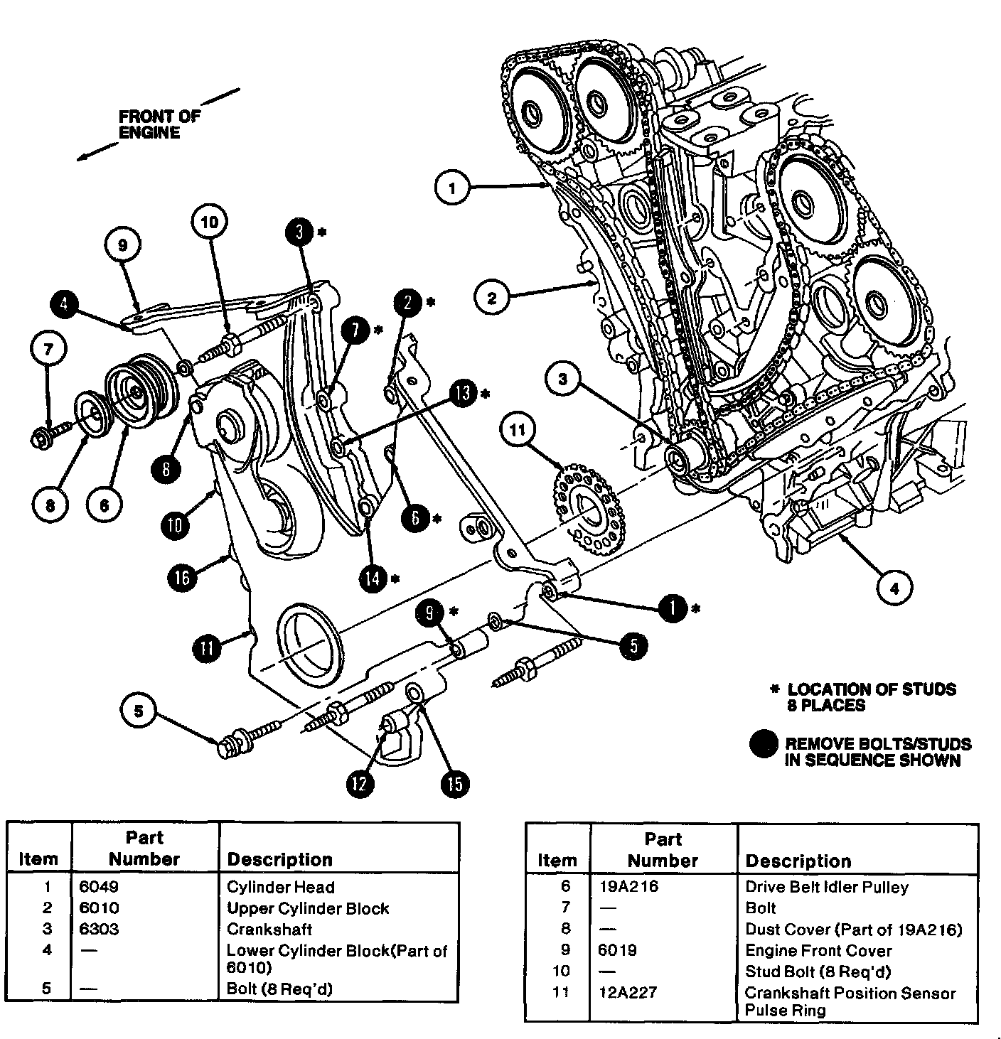
45. NOTE: Original spark plugs are different from LH cylinder head to RH cylinder head. Verify from which cylinder head spark plugs are removed.

NOTE: Replacement spark plugs are identical and can be installed in either cylinder head. Refer to Powertrain/Ignition Systems/Spark Plug/Service and Repair. Spark Plug

Remove spark plugs from cylinder heads.

46. Remove power steering pump pulley retaining bolts and power steering pump pulley.

47. Remove four bolts and six nuts retaining power steering pump and brace to power steering pump bracket and engine front cover studs.







48. Remove power steering pump and brace from engine.

49. Remove crankshaft pulley retainer bolt and washer from crankshaft.







50. Remove crankshaft pulley from crankshaft using Crankshaft Damper Remover T58P-6316-D.

51. If necessary, remove camshaft position sensor and crankshaft position sensor retaining bolts, camshaft position sensor and crankshaft position sensor from engine front cover.

52. Remove oil bypass filter.

53. Remove oil pressure sensor from cylinder block.

54. Remove oil pan drain plug and drain engine oil. Reinstall oil pan drain plug with new gasket. Tighten to 22-30 N.m (16-22 lb-Ft).












55. CAUTION: To prevent residue in bottom of oil pan from entering engine, remove oil pan prior to turning engine upside down on engine stand.

In sequence shown, remove oil pan retaining bolts and stud bolts.

56. Remove oil pan and oil pan gasket from lower cylinder block.

57. If required, using Seal Remover T92C-6700-CH, remove crankshaft front seal from engine front cover.

58. Remove drive belt idler pulley from RH side of engine front cover, if required.

59. Remove fuel charging wiring retainers from engine front cover retaining studs.







60. Remove engine front cover retaining bolts and studs in sequence as shown.

61. Remove engine front cover.

62. Remove crankshaft position sensor pulse ring from crankshaft.

63. Rotate the crankshaft to position the crankshaft keyway to the 11 o'clock location.

64. Verify the alignment arrows on the camshafts are aligned. If the arrows on the camshafts are not aligned, rotate the crankshaft one complete revolution.

65. Rotate crankshaft to position crankshaft keyway to the 3 o'clock location. This will position the RH cylinder head camshafts to the neutral position (base circle).

66. NOTE: If the timing chain guides, timing chain tensioner arms or timing chains show premature wear or damage, also replace the camshaft damper as outlined.

Remove LH and RH timing chain tensioner retaining bolts, LH and RH timing chain tensioner.







67. Using a small screwdriver, release the timing chain tensioner ratchet/pawl mechanism through the access hole in the timing chain tensioners. Compress timing chain tensioner rack and piston into the tensioner housing by inserting a small wire into the top of piston and gently unseat oil check ball. Compress timing chain tensioners by hand.

68. NOTE: Timing chain tensioners must be reinstalled onto engine while compressed and locked. Failure to compress timing chain tensioners prior to installation may cause damage to engine.

With the tensioner rack and piston compressed, install a 1.5mm (0.060 inch) drill bit or wire into the small hole above the ratchet, engaging the lock groove in the rack of the timing chain tensioners.

69. CAUTION: Cylinder head camshaft journal caps and cylinder heads are numbered to ensure that they are assembled in their original positions. If removed, keep camshaft journal caps from each cylinder head together. Do not mix with camshaft journal caps from another cylinder head.

CAUTION: Remove the cylinder head camshaft journal thrust caps first to ensure damage to the cylinder head camshaft journal thrust caps does not occur.

Remove cylinder head camshaft journal thrust cap retaining bolts and thrust caps from RH cylinder head.







70. Loosen remaining RH cylinder head camshaft journal cap bolts in sequence shown 7-8 revolutions in several passes to allow camshafts to be raised from RH cylinder head. Do not remove retaining bolts completely.

71. CAUTION: If RH timing chain tensioner arm and RH timing chain guide are to be reused, mark position of timing chain tensioner arm and timing chain guide to ensure that they are assembled in their original positions. Remove RH timing chain tensioner arm and RH timing chain.

72. Remove RH timing chain guide retaining bolts and RH timing chain guide.












73. Remove RH timing chain crankshaft sprocket.

74. CAUTION: If valve tappets and roller rocker arms are to be reused, mark position of rocker arms and valve tappets to ensure that they are assembled in their original positions.

Remove RH cylinder head camshaft journal caps and bolts and camshafts from RH cylinder head and remove rocker arms.

75. Remove valve tappets from RH cylinder head.

76. Remove RH timing chain tensioner arm and RH timing chain.

77. Rotate crankshaft two revolutions and position crankshaft keyway to the 11 o'clock location. This will position the LH cylinder head camshafts to the neutral position (base circle).

78. Verify the alignment arrows on the camshafts are aligned.

79. CAUTION: Cylinder head camshaft journal caps and cylinder heads are numbered to ensure that they are assembled in their original positions. Keep camshaft journal caps from each cylinder head together. Do not mix with camshaft journal caps from another cylinder head.

CAUTION: Remove cylinder head camshaft journal thrust caps first to ensure that damage to the cylinder head camshaft journal thrust caps does not occur.

Remove cylinder head camshaft journal thrust cap retaining bolts and thrust caps from LH cylinder head.







80. Loosen remaining LH cylinder head camshaft journal cap bolts in sequence shown 7-8 revolutions to allow camshafts to be raised from LH cylinder head. Do not remove retaining bolts completely.

81. CAUTION: If LH timing chain tensioner arm and LH timing chain guide are to be reused, mark position of timing chain tensioner arm and timing chain guide to ensure that they are assembled in their original positions.

Remove LH timing chain tensioner arm and LH timing chain.

82. Remove LH timing chain guide retaining bolts and LH timing chain guide.

83. Remove LH timing chain crankshaft sprocket.







84. CAUTION: If valve tappets and roller rocker arms are to be reused, mark position of rocker arms and valve tappets to ensure that they are assembled in their original positions.

Remove LH cylinder head camshaft journal caps, bolts and camshafts from LH cylinder head and remove rocker arms.

85. Remove valve tappets from LH cylinder head.







86. Remove cylinder head retaining bolts and washers in sequence shown.







87. NOTE: Cylinder heads should not be set on cylinder head face. Protect cylinder head face surface to avoid scratches and dents on cylinder head face sealing surfaces.

Remove cylinder heads from cylinder block.

88. Remove cylinder head gasket from cylinder block.

89. If required, disassemble cylinder heads. Refer to Engine/Cylinder Head/Service and Repair. Service and Repair

90. Remove oil separator retaining bolts, oil separator and oil separator to cylinder block gasket from cylinder block. Discard oil separator to cylinder block gasket.

91. Remove power steering pump bracket retaining bolts and power steering pump bracket from cylinder block.

92. If necessary, remove engine coolant inlet tube from cylinder block.

93. Turn engine over on engine stand.







94. Remove oil pump screen cover and tube support self-locking retaining nut and discard nut.







95. Remove oil pump screen cover and tube retaining bolts, oil pump screen cover and tube and 0-ring from oil pump.







96. Remove oil pan baffle retaining nuts and oil pan baffle from lower cylinder block retaining studs.







97. Remove oil pump retaining bolts in sequence shown. Remove oil pump from cylinder block. Inspect oil pump.

98. CAUTION: Pistons, connecting rods and connecting rod bearings should be numbered to ensure they are assembled in their original positions.

NOTE: Before removing pistons, inspect the top of the cylinder bores. If necessary, remove the ridge and/or carbon deposits from each cylinder using Cylinder Ridge Reamer T64L-6011-EA. Turn crankshaft until piston to be removed is at the high point of its travel.

99. NOTE: Mark position of connecting rod cap to connecting rod for aid in reassembly.

If more than one piston is being removed, identify the pistons, connecting rods and connecting rod caps for cylinder position.







100. Remove the connecting rod cap retaining bolts, connecting rod cap and lower connecting rod bearing. keep connecting rod cap and lower connecting rod bearing together. Using Connecting Rod Guide Tool T94P-6136-AH installed into the connecting rod bolt holes, push the piston, connecting rod and upper connecting rod bearing through the top of the cylinder bore. Use care to prevent damage to the crankshaft bearing journals and cylinder bore surfaces. Keep upper connecting rod bearing and connecting rod together.







101. CAUTION: Care should be taken not to damage the connecting rod and cap joint face surfaces or possible engine damage may occur.

CAUTION: Connecting rod bolts must be replaced with new bolts. They are torque-to-yield designed and cannot be reused.

Connecting rod bolts are retained in the bolt hole with a light press fit. The bolts have been torqued to yield at least twice and must be discarded. Using a hammer and punch, drive bolts from bolt holes.

102. Using a new connecting rod bolt, attach connecting rod cap and lower connecting rod bearing to connecting rod and upper connecting rod bearing to prevent mixing parts and damaging the connecting rod joint face surfaces.

103. If piston ring replacement is required, replace piston rings. Refer to Engine/Cylinder Block Assembly/Piston Ring/Service and Repair. Service and Repair







104. If required, remove pistons from connecting rods. Refer to Engine/Cylinder Block Assembly/Piston/Service and Repair. Service and Repair







105. Using Seal Remover T92C-6700-CH and a piece of thin copper shim stock 0.25 mm (0.010 inch) thick between the crankshaft and Seal Remover T92C-6700-CH, remove crankshaft rear oil seal from cylinder block.







106. NOTE: Number 7 through number 18 are torque-to-yield bolts and should not be reused. Discard these bolts.

Using removal sequence, remove lower cylinder block retaining bolts.







107. Remove lower cylinder block from upper cylinder block.

108. NOTE: If bearings are to be reused, mark position of upper and lower crankshaft main bearings and crankshaft thrust main bearing.

Remove lower crankshaft main bearings and crankshaft thrust main bearing from lower cylinder block.

109. CAUTION: When removing crankshaft, use care not to damage any crankshaft journal bearing surfaces.

Remove crankshaft.

110. Remove upper crankshaft main bearings and crankshaft thrust washer from cylinder block.

111. If necessary, remove crankshaft key from crankshaft keyway.

112. If required, remove oil filter mounting insert from cylinder block.

113. Remove pipe plugs and alignment dowels from cylinder block as necessary to clean cylinder block and debris from oil passages.

114. Inspect crankshaft and cylinder block. Replace crankshaft as required. Refer to Engine/Cylinder Block Assembly/Crankshaft/Testing and Inspection.

115. Inspect cylinder block. Replace cylinder block as required. Refer to Engine/Cylinder Block Assembly/Testing and Inspection.