Operation CHARM: Car repair manuals for everyone.
Manuals through 2025 now available!

Our trusted friends have launched a new website named LEMON, which has newer manuals. It also contains all the CHARM manuals.

LEMON is the spiritual successor to CHARM, I recommend you try it!

Link: lemon-manuals.la or lemon-manuals.org.ua

(Some people have issue connecting. LEMON is investigating. For now, use Firefox or change your DNS server)

Or, hide this message: temporarily or permanently

Pinpoint Test A: The Engine Does Not Crank




Starting System

Pinpoint Tests

Pinpoint Test A: The Engine Does Not Crank

Refer to Wiring Diagram Set 20, Starting System for schematic and connector information. Diagrams By Number

Normal Operation

When the ignition switch is turned to the START position, the Body Control Module (BCM) and PCM receive a request to start the engine. When the PCM receives the correct coded key ID messages from the BCM and the correct input from the Transmission Range (TR) sensor that the gear selector is in PARK or NEUTRAL, voltage and ground is supplied to the starter relay coil. When the starter relay is energized the relay contacts close. Voltage is then supplied from Battery Junction Box (BJB) fuse 13 (30A) to the starter relay contacts which supplies voltage to the starter solenoid. The starter solenoid is grounded at the starter motor. Energizing the starter solenoid engages the starter drive into the ring gear and closes the starter solenoid contacts allowing voltage directly from the battery to the starter motor to crank the engine. The PCM disengages the starter once an RPM threshold is reached, a set crank time is exceeded or the ignition is turned OFF.

This pinpoint test is intended to diagnose the following:
- Battery
- Battery cables
- Wiring, terminals or connectors
- Fuse
- Ignition switch
- PCM
- Starter motor
- Starter relay
- TR sensor
- Passive Anti-Theft System (PATS)
- BCM

PINPOINT TEST A: THE ENGINE DOES NOT CRANK

-------------------------------------------------
A1 CHECK THE BATTERY

- Check the battery condition and charge. Refer to Battery, Mounting and Cables Testing and Inspection and Procedures.
- Is the battery OK?

Yes
GO to A2.

No
CHARGE or INSTALL a new battery as necessary. REFER to Battery, Mounting and Cables Battery and Battery Tray - Exploded View. TEST the system for normal operation.

-------------------------------------------------
A2 CHECK FOR ANY MESSAGES IN THE MESSAGE CENTER

- Ignition ON.
- Check the message center with the ignition key in the RUN position.
- Is STARTING SYSTEM FAULT displayed in the message center?

Yes
REFER to Anti-Theft - Passive Anti-Theft System (PATS) Testing and Inspection.

No
GO to A3.

-------------------------------------------------
A3 RETRIEVE PCM DTCs

- Ignition ON.
- Enter the following diagnostic mode on the scan tool: PCM - Self-Test.
- Were DTCs retrieved during the self-test?

Yes
REFER to the PCM chart. PCM DTC Chart

No
GO to A4.

-------------------------------------------------
A4 CHECK THE PCM TRANSMISSION RANGE TR SENSOR PID

- Enter the following diagnostic mode on the scan tool: DataLogger - PCM.
- While observing the TR PID, place the gear selector in PARK and then NEUTRAL.
- Does the PID match the selector lever position?

Yes
GO to A5.

No
REFER to Automatic Transaxle/Transmission - 6R80 Testing and Inspection, to diagnose the TR sensor concern.

-------------------------------------------------
A5 CHECK THE STARTER MOTOR RELAY ENABLE (STRT_RLY) PID

- While holding the key in the START position, monitor the STRT_RLY PID.
- Does the PID change from DISABLED to ENABLED?

Yes
GO to A6.

No
GO to A16.

-------------------------------------------------
A6 CHECK THE STARTER MOTOR RELAY

- Swap the starter relay with a known good relay and attempt to crank the engine.
- Does the engine crank?

Yes
INSTALL a new starter relay. TEST the system for normal operation.

No
GO to A7.

-------------------------------------------------
A7 CHECK THE VOLTAGE TO THE STARTER RELAY

- Ignition OFF.
- Disconnect: Starter Relay.
- Measure the voltage between starter relay socket 3, circuit SBB13 (GY/RD) and ground.




- Is the voltage greater than 10 volts?

Yes
GO to A8.

No
VERIFY BJB fuse 13 (30A) is OK. If OK, REPAIR circuit SBB13 (GY/RD) for an open. If not OK, REFER to the Wiring Diagrams to identify the possible causes of the circuit short. TEST the system for normal operation. Diagrams By Number

-------------------------------------------------
A8 CHECK THE STARTER MOTOR

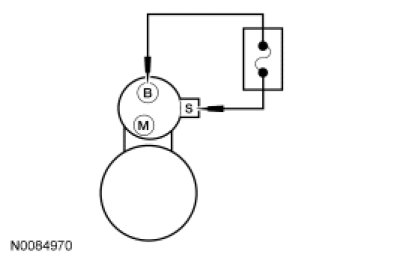
- With the transmission in PARK, connect one end of a fused jumper wire to starter relay socket 3, circuit SBB13 (GY/RD) and momentarily connect the other end of the fused jumper wire to starter relay socket 5, circuit CDC25 (BN/GN).




- Did the starter motor engage and the engine crank?

Yes
GO to A14.

No
GO to A9.

-------------------------------------------------
A9 CHECK THE BATTERY GROUND CABLE

- Measure the voltage between the positive battery post and the battery ground cable connection at the engine.




- Is the voltage greater than 10 volts?

Yes
GO to A10.

No
INSTALL new battery cables. REFER to Battery, Mounting and Cables Service and Repair. TEST the system for normal operation.

-------------------------------------------------
A10 CHECK THE STARTER MOTOR GROUND

- Measure the voltage between the positive battery post and the starter motor case.




- Is the voltage greater than 10 volts?

Yes
GO to A11.

No
CLEAN the starter motor mounting flange and make sure the starter motor is correctly mounted. TEST the system for normal operation.

-------------------------------------------------
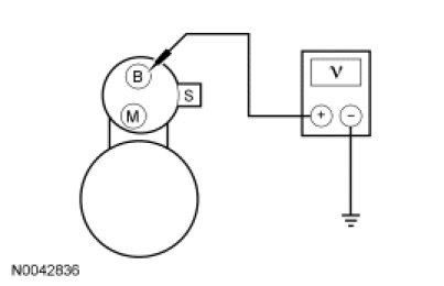
A11 CHECK THE VOLTAGE TO THE STARTER MOTOR

- Measure the voltage between the starter solenoid C197A-1, circuit SDC02 (RD) and ground.




- Is the voltage greater than 10 volts?

Yes
GO to A12.

No
INSTALL new battery cables. REFER to Battery, Mounting and Cables Service and Repair. TEST the system for normal operation.

-------------------------------------------------
A12 CHECK THE STARTER MOTOR

- Connect one end of a fused jumper wire to starter solenoid C197A-1, circuit SDC02 (RD) and momentarily connect the other end of the fused jumper wire to starter solenoid C197B-1, circuit CDC25 (BN/GN).




- Did the starter engage and the engine crank?

Yes
GO to A13.

No
INSTALL a new starter motor. REFER to Starter Motor - 3.5L GTDI, 3.7L Starter Motor or Starter Motor - 5.0L (4V), 6.2L (2V) Starter Motor. TEST the system for normal operation.

-------------------------------------------------
A13 CHECK FOR START INPUT AT THE STARTER

- Connect: Starter Relay.
- Disconnect: Starter Solenoid C197B.
- Measure the voltage between the starter solenoid C197B-1, circuit CDC25 (BN/GN) and ground, while holding the key in the START position.




- Is the voltage greater than 10 volts?

Yes
CLEAN the starter solenoid "S" terminal and C197B. CHECK the wiring and the starter motor for a loose or intermittent connection. TEST the system for normal operation.

No
REPAIR circuit CDC25 (BN/GN) for an open. TEST the system for normal operation.

-------------------------------------------------
A14 CHECK THE PCM START CIRCUITS FOR A SHORT TO GROUND

- Disconnect: PCM C175B (5.0L and 6.2L), C1381B (3.7L) or C1551B (3.5L).
- Measure the resistance between the PCM C175B (5.0L and 6.2L) or C1381B (3.7L), harness side and ground, using the following chart:








- Measure the resistance between the PCM C1551B (3.5L), harness side and ground, using the following chart:








- Are the resistances greater than 10,000 ohms?

Yes
GO to A15.

No
REPAIR the affected circuit. TEST the system for normal operation.

-------------------------------------------------
A15 CHECK THE PCM START CIRCUITS FOR AN OPEN

- Measure the resistance between the PCM C175B (5.0L and 6.2L) or C1381B (3.7L), harness side and the starter relay using the following chart:








- Measure the resistance between the PCM C1551B (3.5L), harness side and the starter relay using the following chart:








- Are the resistances less than 5 ohms?

Yes
INSTALL a new PCM. REFER to Electronic Engine Controls Service and Repair. TEST the system for normal operation.

No
REPAIR the affected circuit. TEST the system for normal operation.

-------------------------------------------------
A16 CHECK THE START CIRCUIT FOR VOLTAGE AT THE PCM

- Ignition OFF.
- Disconnect: PCM C175B (5.0L and 6.2L), C1381B (3.7L) or C1551B (3.5L).
- While holding the key in the START position, measure the voltage between the PCM C1551B-47 (3.5L), circuit CDC35 (BU/WH), harness side and ground.




- While holding the key in the START position, measure the voltage between the PCM C175B-16 (5.0L and 6.2L) or C1381B-16 (3.7L), circuit CDC35 (BU/WH), harness side and ground.




- Is the voltage greater than 10 volts?

Yes
INSTALL a new PCM. REFER to Electronic Engine Controls Service and Repair. TEST the system for normal operation.

No
GO to A17.

-------------------------------------------------
A17 CHECK THE IGNITION SWITCH

- Carry out the ignition switch component test.

- Did the ignition switch pass the component test?

Yes
REPAIR circuit CDC35 (BU/WH) for an open. TEST the system for normal operation.

No
INSTALL a new ignition switch. REFER to Steering Column Switches Ignition Switch. TEST the system for normal operation.

-------------------------------------------------