Operation CHARM: Car repair manuals for everyone.
Manuals through 2025 now available!

Our trusted friends have launched a new website named LEMON, which has newer manuals. It also contains all the CHARM manuals.

LEMON is the spiritual successor to CHARM, I recommend you try it!

Link: lemon-manuals.la or lemon-manuals.org.ua

(Some people have issue connecting. LEMON is investigating. For now, use Firefox or change your DNS server)

Or, hide this message: temporarily or permanently

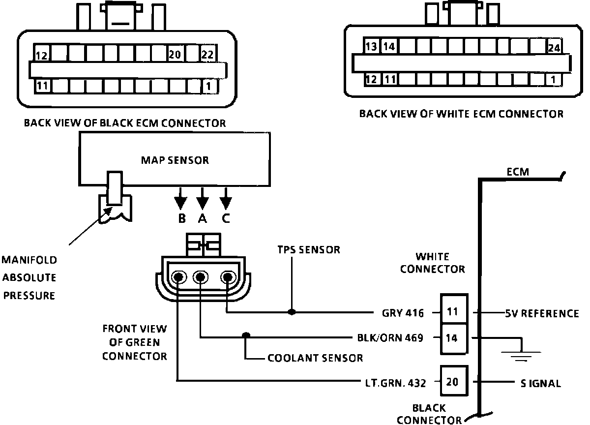
Manifold Pressure/Vacuum Sensor: Testing and Inspection

Chart C-1D - Map Output Check:




Wiring Diagram For Chart C-1D - Map Output Check:






CHART C-1D - MAP OUTPUT CHECK

Circuit Description:

The Manifold Absolute Pressure (MAP) Sensor measures manifold pressure (vacuum) and sends that signal to the ECM. The ECM uses this information for fuel and spark control.


Test Description:

1. Checks MAP sensor output voltage to the ECM. This voltage, without engine running, represents a barometer reading to the ECM.

2. Applying 34 kPa (10 inches Hg) vacuum to the MAP sensor should cause the voltage to be 1.2 volts less than the voltage at Step 1. Upon applying vacuum to the sensor, the change in voltage should be instantaneous. A slow voltage change indicates a faulty sensor.



3. Check vacuum hose to sensor for leaking or restriction. Be sure no other vacuum devices are connected to the MAP hose.