Operation CHARM: Car repair manuals for everyone.
Manuals through 2025 now available!

Our trusted friends have launched a new website named LEMON, which has newer manuals. It also contains all the CHARM manuals.

LEMON is the spiritual successor to CHARM, I recommend you try it!

Link: lemon-manuals.la or lemon-manuals.org.ua

(Some people have issue connecting. LEMON is investigating. For now, use Firefox or change your DNS server)

Or, hide this message: temporarily or permanently

Crankshaft Position Sensor: Service and Repair

REMOVAL PROCEDURE

CAUTION: Refer to Battery Disconnect Caution in Service Precautions.

IMPORTANT: The CKP System Variation Learn Procedure will need to be performed whenever the Crankshaft Position (CKP) sensor is removed or replaced. Refer to CKP System Variation Learn Procedure.




1. Disconnect the negative battery cable.
2. Raise the Vehicle.
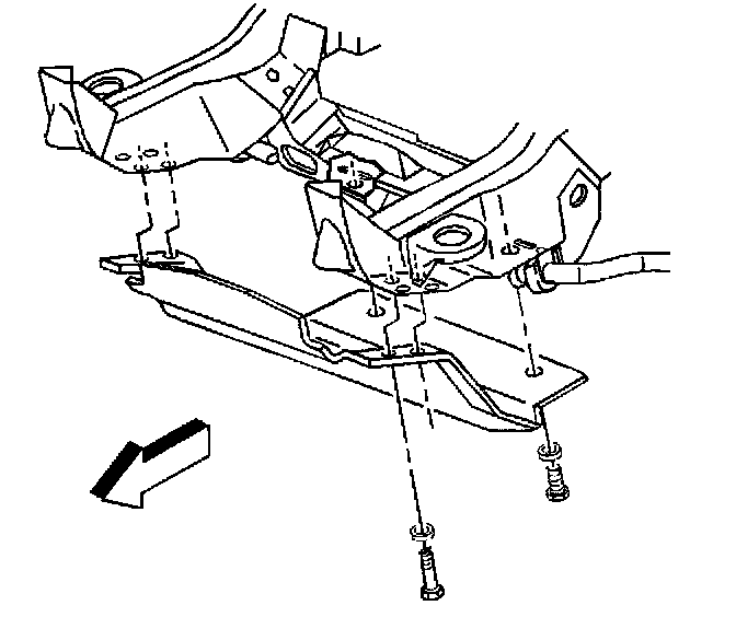
3. If the vehicle is equipped with the underbody shield package, then remove the steering linkage shield mounting bolts.




4. Remove the steering linkage shield.




5. Disconnect the CKP sensor harness connector.




6. Remove the CKP sensor mounting bolt.




7. Remove the CKP sensor.

INSTALLATION PROCEDURE

IMPORTANT:
- When installing the CKP sensor, make sure the sensor is fully seated before tightening the mounting bolt. A poorly seated CKP sensor may perform erratically; possibly setting false DTCs.
- Do not reuse the original O-ring.




1. Replace the CKP sensor O-ring.
2. Lubricate the O-ring with clean engine oil before installing the CKP sensor.

IMPORTANT: Make sure the CKP sensor mounting surface is clean and free of burrs.

3. Install the CKP sensor.





NOTE: Refer to Fastener Notice in Service Precautions.

4. Install the CKP sensor mounting bolt.

Tighten
Tighten the CKP sensor mounting bolt to 20 N.m (15 lb ft).




5. Connect the CKP sensor harness connector.




6. Install the steering linkage shield.




7. Install the steering linkage shield mounting bolts.

Tighten
Tighten the bolts to 33 N.m (24 lb ft).

8. Lower the Vehicle.
9. Connect the negative battery cable.
10. Perform the CKP System Variation Learn Procedure. Testing and Inspection