Operation CHARM: Car repair manuals for everyone.
Manuals through 2025 now available!

Our trusted friends have launched a new website named LEMON, which has newer manuals. It also contains all the CHARM manuals.

LEMON is the spiritual successor to CHARM, I recommend you try it!

Link: lemon-manuals.la or lemon-manuals.org.ua

(Some people have issue connecting. LEMON is investigating. For now, use Firefox or change your DNS server)

Or, hide this message: temporarily or permanently

Fuel Tank Pressure Sensor: Service and Repair





REMOVAL PROCEDURE

CAUTION: Refer to Battery Disconnect Caution in Service Precautions.

1. Disconnect the negative battery cable.
Relieve the fuel pressure. Refer to Fuel Pressure Relief Procedure. Service and Repair
2. Drain the fuel tank. Refer to Fuel Tank Draining Procedure.
3. Lower the fuel tank.
4. Remove the fuel tank.
5. Disconnect electrical connector.
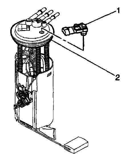
6. Remove Fuel Tank Pressure sensor (1) from fuel sender assembly (2)

INSTALLATION PROCEDURE
1. Install the Fuel Vapor Pressure Sensor (1) on the fuel sender assembly (2).
2. Reconnect electrical connector
3. Install the fuel tank.
4. Reconnect the negative battery cable.