Operation CHARM: Car repair manuals for everyone.
Manuals through 2025 now available!

Our trusted friends have launched a new website named LEMON, which has newer manuals. It also contains all the CHARM manuals.

LEMON is the spiritual successor to CHARM, I recommend you try it!

Link: lemon-manuals.la or lemon-manuals.org.ua

(Some people have issue connecting. LEMON is investigating. For now, use Firefox or change your DNS server)

Or, hide this message: temporarily or permanently

Knock Sensor: Service and Repair

REMOVAL PROCEDURE

TOOLS REQUIRED
J 35748 Oil Pressure Sending Unit Socket

CAUTION: Refer to Battery Disconnect Caution in Service Precautions.




1. Disconnect the negative battery cable.
2. Disconnect the spark plug wires and ignition coil wire from the distributor.




3. Disconnect the CMP sensor harness connector from the distributor.




4. Remove the distributor cap screws.




5. Remove the distributor cap.





IMPORTANT: A DTC P1345 will set if the rotor is not reinstalled in the exact position the rotor was in prior to removal.

6. Observe the alignment of the rotor in relation to the distributor base (1).




7. Remove the distributor mounting bolt.




8. Remove the distributor assembly.
9. Discard the distributor gasket.




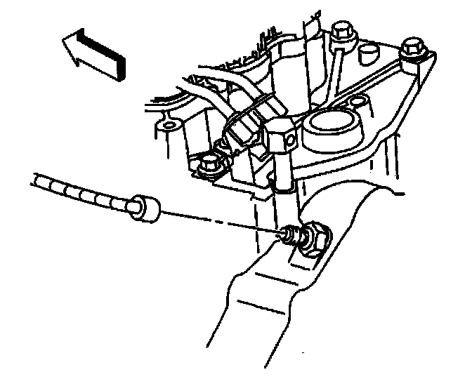
10. Disconnect the engine oil pressure sensor harness connector.




11. Remove the engine oil pressure sender with a J 35748 Oil Pressure Sending Unit Socket.




12. Remove the knock sensor harness connector.




13. Remove the knock sensor.

INSTALLATION PROCEDURE

TOOLS REQUIRED
J 35748 Oil Pressure Sending Unit Socket

IMPORTANT: Do not use the old screws for the distributor cap, CMP sensor, and rotor. Use replacement screws that have been coated with a thread locking compound.

NOTE: Refer to Component Tightening Notice in Service Precautions.




1. Install the knock sensor.

Tighten
Tighten the sensor to 20 N.m (15 lb ft)




2. Connect the knock sensor harness connector.




3. Install the engine oil pressure sender with a J 35748 Oil Pressure Sending Unit Socket.

Tighten
Tighten the sender to 30 N.m (22 lb ft)




4. Connect the engine oil pressure sensor harness connector.

IMPORTANT: The proper CKP/CMP correlation will be lost if the rotor is not reinstalled in the same exact position. A DTC P1345 will result from improper distributor shaft alignment.




5. Align the rotor in its original position in relation to the distributor base (1).




6. Install the distributor assembly using a new distributor gasket.




7. Install the distributor mounting bolt.

Tighten
Tighten the bolt to 25 N.m (18 lb ft)




8. Install the distributor cap.




9. Install new distributor cap screws.

Tighten
Tighten the screws to 2.4 N.m (21 lb in)




10. Connect the CMP sensor harness connector.




11. Connect the spark plug wires and the ignition coil wire.
12. Connect the negative battery cable.