Operation CHARM: Car repair manuals for everyone.
Manuals through 2025 now available!

Our trusted friends have launched a new website named LEMON, which has newer manuals. It also contains all the CHARM manuals.

LEMON is the spiritual successor to CHARM, I recommend you try it!

Link: lemon-manuals.la or lemon-manuals.org.ua

(Some people have issue connecting. LEMON is investigating. For now, use Firefox or change your DNS server)

Or, hide this message: temporarily or permanently

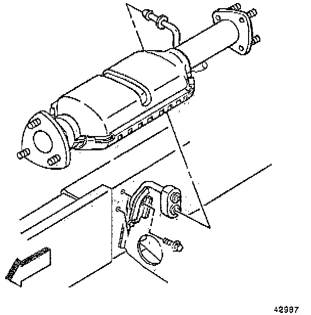
Catalytic Converter: Service and Repair

Removal Procedure





1. Raise and suitably support the vehicle. Refer to Vehicle Lifting.
2. Disconnect the Heated Oxygen Sensor (H02S) electrical connection.
3. Remove the catalytic converter to exhaust manifold pipe flange nuts.





4. Remove the catalytic converter to the muffler flange nuts.
5. Remove the catalytic converter from the muffler.





6. Remove the catalytic converter from the rubber catalytic converter hanger.





7. Remove the catalytic converter and gasket from the vehicle.
8. Remove the heated oxygen sensor (H02S) as necessary.

Installation Procedure





1. Install the Heated Oxygen Sensor (H02S) as necessary.
2. Install the catalytic converter and new gasket to the exhaust manifold pipe.





3. Install the catalytic converter to the rubber catalytic converter hanger.





4. Install the muffler and new gasket to the catalytic converter.

Notice: Refer to Fastener Notice in Service Precautions.

5. Install the catalytic converter to the exhaust manifold pipe flange nuts.
^ Tighten the catalytic converter to the exhaust manifold pipe flange nuts to 35 Nm (26 ft. lbs.).
6. Install the catalytic converter to the muffler flange nuts.
^ Tighten the catalytic converter to the muffler flange nuts to 40 Nm (30 ft. lbs.).





7. Connect the heated oxygen sensor (H02S) electrical connection.
8. Lower the vehicle.