Operation CHARM: Car repair manuals for everyone.
Manuals through 2025 now available!

Our trusted friends have launched a new website named LEMON, which has newer manuals. It also contains all the CHARM manuals.

LEMON is the spiritual successor to CHARM, I recommend you try it!

Link: lemon-manuals.la or lemon-manuals.org.ua

(Some people have issue connecting. LEMON is investigating. For now, use Firefox or change your DNS server)

Or, hide this message: temporarily or permanently

Ignition System: Testing and Inspection


















System Description
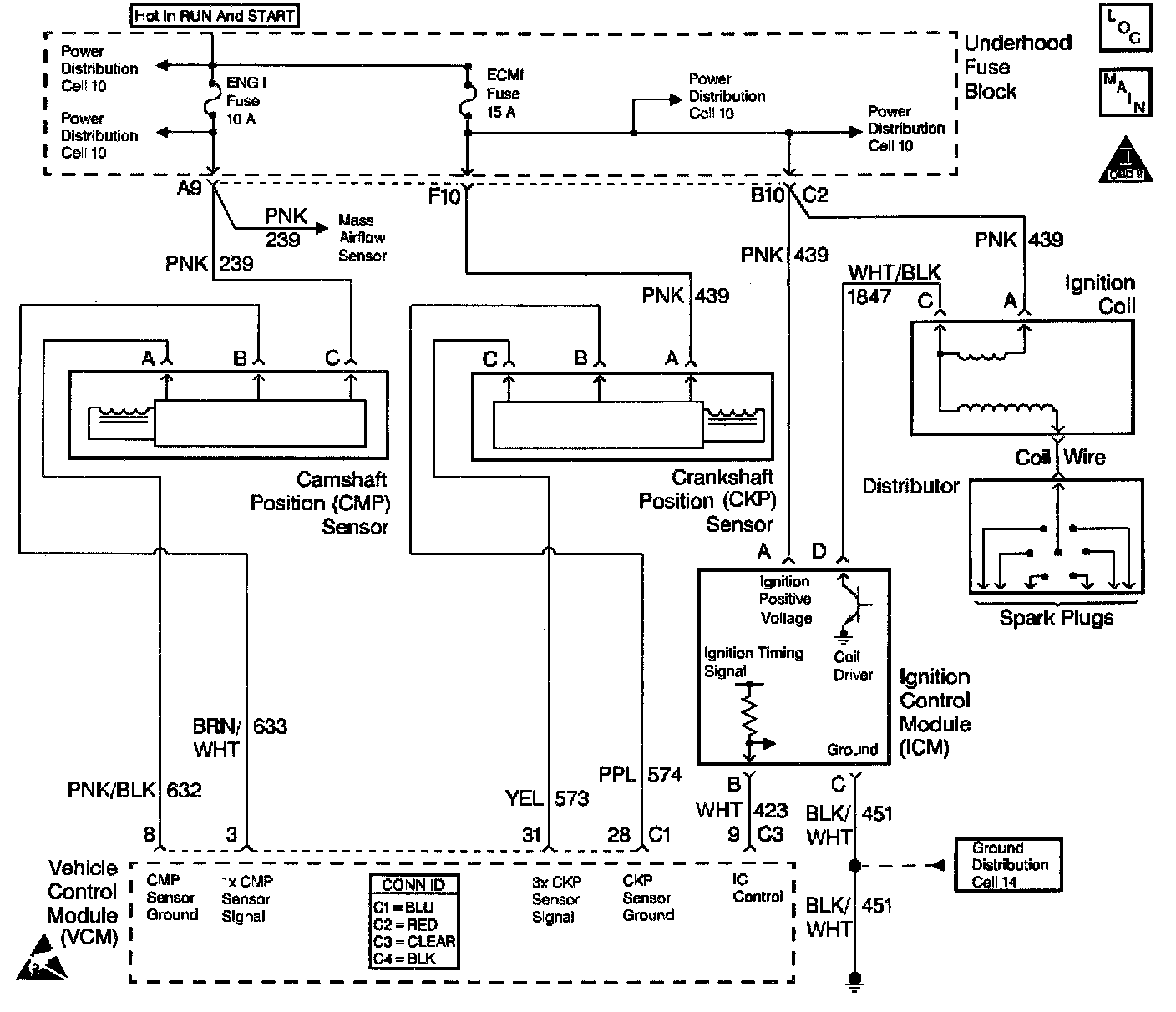
This system includes the Distributor, the CAM position sensor ignition coil with the ignition coil driver, the secondary wires, spark plugs, the (KS) sensors and the crank sensors. The ignition system is controlled by the Vehicle Control Module (VCM). The VCM monitors the information from various engine sensors, computes the desired spark timing and controls the dwell and firing of the ignition coil via an (IC) line to the coil driver.

Diagnostic Aids
Check the following when the distributor rotor does not rotate, while engine is cranking:
^ A broken distributor drive shaft
^ A worn distributor drive gear or camshaft timing chain and gears

An intermittent may be caused by any of the following conditions:
^ A poor connection
^ Rubbed through wire insulation
^ A broken wire inside the insulation

Thoroughly check any circuitry that is suspected of causing the intermittent complaint. Refer to Intermittents and Poor Connections Diagnosis. Symptom Related Diagnostic Procedures

Test Description
The numbers below refer to the step numbers in the diagnostic table.
The battery should be fully charged prior to any tests.
1. Perform the OBD system check before proceeding unless it was already performed.
2. Checks for proper output from the enhanced ignition system. The spark test requires a minimum of 25,000 volts to operate. This check can be used in case of an ignition miss, because the system may provide enough voltage to run the engine but not enough to operate a spark plug under heavy load.
3. This test separates the distributor cap, rotor, and ignition wires from the ignition coil in order to help identify a secondary ignition system problem.
5. This test checks the ignition control module, connections, and wiring.
11. This test begins to determine if the VCM is providing a signal to the ignition control module. If the VCM is not providing a signal to the ignition control module, the problem exists between the ignition control module and the VCM.
13. This test checks for a basic engine mechanical problem.