Operation CHARM: Car repair manuals for everyone.
Manuals through 2025 now available!

Our trusted friends have launched a new website named LEMON, which has newer manuals. It also contains all the CHARM manuals.

LEMON is the spiritual successor to CHARM, I recommend you try it!

Link: lemon-manuals.la or lemon-manuals.org.ua

(Some people have issue connecting. LEMON is investigating. For now, use Firefox or change your DNS server)

Or, hide this message: temporarily or permanently

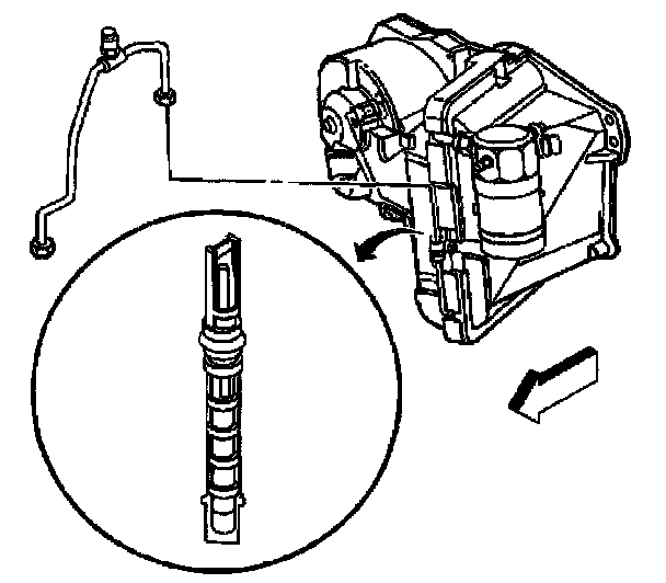
Expansion Block/Orifice Tube: Service and Repair





Expansion (Orifice) Tube Replacement

REMOVAL PROCEDURE

TOOLS REQUIRED
J 26549-E Orifice Tube Remover.

1. Remove the air cleaner.
2. Discharge and recover the refrigerant from the system. Refer to Refrigerant Recovery and Recharging.
3. Remove the evaporator tube from the evaporator.
4. Remove the O-ring seal.
5. Use the J 26549-E
6. If you have difficulty removing a restricted or plugged expansion (orifice) tube, use the following procedure:
6.1. Remove as much of any impacted residue as possible.

NOTE: If the system has a pressure switch near the expansion (orifice) tube location, it should be removed prior to heating the pipe to avoid damage to switch,

6.2. Carefully apply heat with a heat gun (hair dryer, epoxy dryer, or equivalent) approximately 7 mm (0.25 in) from the dimples on the inlet pipe. DO NOT overheat the pipe.
6.3. While applying heat, use the J 26549-E
6.4. Use a turning motion along with a push-pull motion in order to loosen the impacted expansion (orifice) tube.
Remove the expansion (orifice) tube.

INSTALLATION PROCEDURE

IMPORTANT: Install the shorter screen end of the expansion (orifice) tube into the evaporator first.

1. Use the J 26549-E.
2. Coat the new O-ring seal with 525 Viscosity refrigerant oil.
3. Install the new O-ring seal.

NOTE: Refer to Fastener Notice in Service Precautions.

4. Install the evaporator tube to the evaporator.

Tighten
Tighten the evaporator tube to 27.5 N.m (20 lb ft).

5. Evacuate and charge the system. Refer to Refrigerant Recovery and Recharging.
6. Ensure that no leaks exist in the system.
7. Install the air cleaner.