Operation CHARM: Car repair manuals for everyone.
Manuals through 2025 now available!

Our trusted friends have launched a new website named LEMON, which has newer manuals. It also contains all the CHARM manuals.

LEMON is the spiritual successor to CHARM, I recommend you try it!

Link: lemon-manuals.la or lemon-manuals.org.ua

(Some people have issue connecting. LEMON is investigating. For now, use Firefox or change your DNS server)

Or, hide this message: temporarily or permanently

Part 2




Engine Replacement

Installation Procedure

1. Install an engine lift chain to the engine lift brackets and attach to an engine lift devise.
2. Remove the engine from the engine stand.
3. If equipped with an automatic transmission, install the automatic transmission flywheel locator. Refer to Flywheel Locator Installation (69. Flywheel Locator Installation).
4. Ensure the torque converter is fully engaged with the transmission oil pump (M30 only).





Note: Ensure clearance is maintained between the engine and the following:

* The A/C compressor
* The A/C hoses
* The engine mounts
* The engine wiring harness
* The fuel hose/pipes
* The heater outlet hose/pipe
* The power steering pump
* The radiator
* The transmission input shaft (MA5 only)
* The transmission oil cooler pipes (M30 only)

5. Carefully lower the engine into the engine compartment, aligning the engine dowels with the transmission.





Note: Ensure the torque converter turns freely while tightening the transmission mounting bolts (M30 only).

6. Align the engine dowels (1) with the transmission.
7. Loosely install the 2 transmission mounting bolts (2).
Ensure the dowels (1) are fully engaged into the transmission.
8. Remove the jack from under the vehicle.
9. Position the engine mounts to the engine.




10. Install the bolts securing the right engine mount to the engine block.
The engine lift devise may have to be raised or lowered slightly to install these bolts.





Caution: Refer to Fastener Caution (Fastener Caution).

11. To aid in the installation of the bolts, start bolt in this position (1) first. Tighten the bolts to 50 Nm (37 lb ft).




12. Install the bolts securing the left engine mount to the engine block.
The engine lift devise may have to be raised or lowered slightly to install these bolts.




13. To aid in the installation of the bolts, start bolt in this position (1) first. Tighten the bolts to 50 Nm (37 lb ft).
14. Lower the engine fully on to the engine mounts.
15. Remove the engine lift chain from the engine lift brackets.
16. Raise and support the vehicle. Refer to Lifting and Jacking the Vehicle (Service and Repair).




17. Tighten the 2 transmission mounting bolts (2) previously installed. Tighten the bolts to 50 Nm (37 lb ft).





Note:
* Ensure the studded mounting bolts (2) are located in the correct position.
* The heater pipe (1) must be secured with the 2 upper mounting bolts.

18. Install the remaining transmission mounting bolts and tighten to 50 Nm (37 lb ft).
19. Align the torque converter to flexplate/flywheel orientation marks made during the removal procedure (M30 only).
20. Repeat the following steps for all 3 torque converter bolts (M30 only):

1. Rotate the harmonic balancer center bolt clockwise ONLY, in order to access the torque converter bolt holes in the flexplate/flywheel through the service slot.
2. To aid in alignment of the torque converter to the flexplate/flywheel, install all 3 torque converter bolts before fully tightening using one of the following:

* 18 mm crowfoot wrench
* Short T50 TORX bit
Tighten the bolts to 60 Nm (44 lb ft).




21. Install the inspection plug (3) to the transmission (1) (M30 only).




22. Install the bolt (2) securing the transmission oil cooler pipe bracket to the right side of the engine oil pan rail (M30 only).
Tighten the bolt to 20 Nm (15 lb ft).
23. Install the exhaust seal. Refer to Exhaust Seal Replacement (LLV/LLR) (Service and Repair)Exhaust Seal Replacement (LH9) (Service and Repair).




24. Install the service slot plug.
25. Install the applicable components:

* RWD
Install the crossmember. Refer to Transmission Support Crossmember Replacement (2WD) (Transmission Support Crossmember Replacement)Transmission Support Crossmember Replacement (4WD) (Transmission Support Crossmember Replacement).
* 4WD

1. Position the differential carrier assembly to the frame.




2. Install the differential carrier assembly bushing to frame bolts and tighten to 152 Nm (112 lb ft).
3. Install the front propeller shaft. Refer to Front Propeller Shaft Replacement (Front Propeller Shaft Replacement).




26. Install the nuts (2) securing the fuel hose/pipe bracket (1) to the transmission (M30 only). Tighten the nuts to 20 Nm (15 lb ft).
27. Connect the fuel hose/pipe retainer (4) to the range selector cable bracket (3) (M30 only).




28. Install the nuts securing the fuel hose/pipe brackets to the transmission (MA5 only). Tighten the nuts to 20 Nm (15 lb ft).




29. Install the left engine mount-to-frame bracket bolt and tighten to 85 Nm (63 lb ft).




30. Connect the engine wiring harness retainers (5) to the engine oil pan rail.
31. Install the 3 bolts securing the engine wiring ground leads (2) to the engine block. Tighten the bolts to 20 Nm (15 lb ft).
32. Lower the vehicle to chest level in order to access the components through the wheelhouse.
33. Connect the engine wiring harness connector (3) to the CKP sensor (1).




34. Install the heater outlet hose/pipe to the thermostat housing and install the retainer using J 38185 .
35. Install the bolt (5) securing the heater outlet hose/pipe to the left engine mount (4) and tighten to 9 Nm (80 lb in).




36. Connect the engine wiring harness retainer (4) to the engine oil pan rail.
37. Connect the engine wiring harness connector to the knock sensor 1 (2).




38. Connect the engine wiring harness connector (3) to the knock sensor 2 (1).
39. Connect the coolant heater cord to the coolant heater, if equipped.




40. Connect the engine wiring harness connector to the EVAP canister purge solenoid valve.




41. Install the bolt (4) securing the battery negative cable (5) to the engine block (1). Tighten the bolt to 35 Nm (26 lb ft).




42. Connect the battery positive cable (2) to the starter and install the starter terminal nut (1) and tighten to 9 Nm (80 lb in).
43. Connect the lead (4) to the starter solenoid and install the starter solenoid "S" terminal nut (3) and tighten to 3.5 Nm (31 lb in).




44. Secure the following wiring harness retainers to the engine wiring harness bracket:

* The battery cable
* The engine wiring harness (4, 6)
* The MAP sensor (5)

45. Lower the vehicle.




46. Connect the MAP sensor wiring harness retainer (4) to the intake manifold (5).
47. Connect the brake booster hose (6) to the brake booster.
48. Install the oil level indicator and tube. Refer to Oil Level Indicator Tube Replacement (Service and Repair).
49. Connect the EVAP pipe at the intake manifold. Refer to Plastic Collar Quick Connect Fitting Service (Plastic Collar Quick Connect Fitting Service).
50. Connect the fuel feed pipe to the fuel rail. Refer to Plastic Collar Quick Connect Fitting Service (Plastic Collar Quick Connect Fitting Service).




51. Connect the engine wiring harness retainer (1) to the intake manifold (2).




52. Install the right engine mount-to-frame bracket bolt and tighten to 85 Nm (63 lb ft).




53. Position the power steering pump to the power steering pump bracket.
54. Install the power steering pump mounting bolts and tighten to 25 Nm (18 lb ft).




55. Connect the inlet heater hose quick connect (1) to the heater core (2).




56. Remove the J 44220 from the cylinder head.




57. Position the AIR pipe cover and NEW gasket to the cylinder head.
58. Install the AIR pipe cover studs and tighten to 25 Nm (18 lb ft).
59. Install the transmission filler tube (M30 only). Refer to Transmission Fluid Filler Tube and Seal Replacement (2.9L, 3.7L) (Service and Repair)Transmission Fluid Filler Tube and Seal Replacement (5.3L) (Service and Repair).




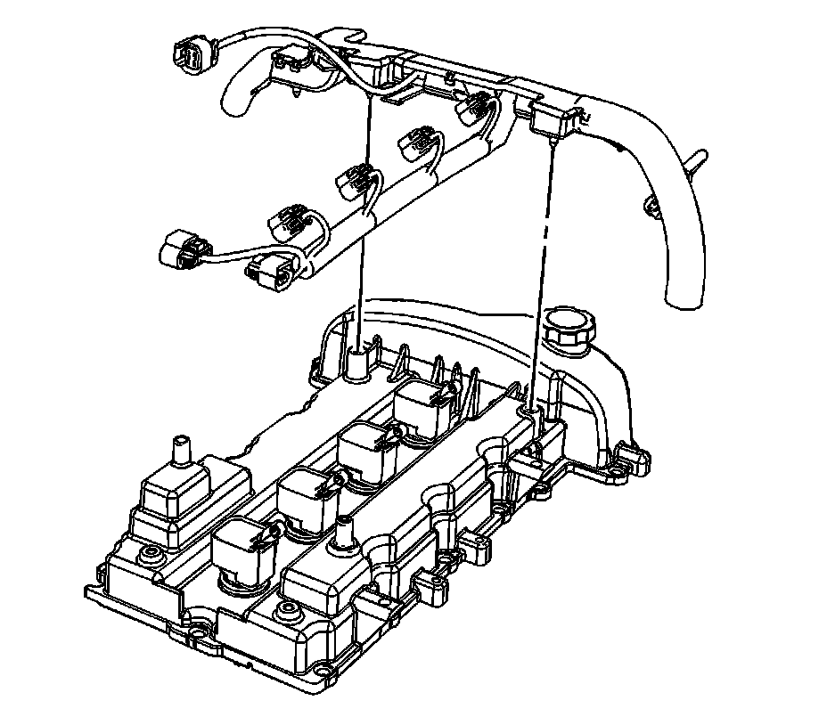
60. Engage the engine wiring harness conduit to the camshaft cover.




61. Connect the engine wiring harness connector to the intake CMP sensor.




62. Connect the engine wiring harness retainer (3) to the camshaft cover (4).
63. Connect the engine wiring harness connector (2) to the throttle body (1).




64. Connect the engine wiring harness electrical connectors to the ignition coils.




65. Connect the following electrical connectors to the camshaft cover:

* The fuel injector harness (1)
* The HO2S (2)
* The ECT sensor (3)




66. Connect the engine wiring harness retainer (2) to the camshaft cover (3).
67. Connect the engine wiring harness connectors to the following components:

* The exhaust CMP sensor (5)
* The exhaust camshaft actuator (6)




68. Connect the engine wiring harness retainers (1) to the power steering pump (2).
69. Connect the engine wiring harness connectors to the following components:

* The electric motor actuator connector (4WD only)
* The oil pressure switch




70. Connect the engine wiring harness retainers (1) to the wheelhouse (4).
71. Close the engine wiring harness retainer (5).
72. Connect the 2 engine wiring harness connectors (2) to the PCM (3).
73. Install the washer solvent container/coolant recovery reservoir mounting bolts. Refer to Windshield Washer Solvent Container Replacement (Service and Repair).




74. Install the inlet radiator hose (2) to the thermostat housing (4) using J 38185 .
75. Remove the engine lift bracket. Refer to Engine Lift Bracket Replacement (Service and Repair).
76. Install the generator. Refer to Generator Replacement (LLV/LLR) (Service and Repair)Generator Replacement (LH8) (Service and Repair).
77. Install the A/C compressor. Refer to Air Conditioning Compressor Replacement (LLV, LLR) (Removal and Replacement)Air Conditioning Compressor Replacement (LH9) (Removal and Replacement).
78. Install the air cleaner resonator and outlet duct. Refer to Air Cleaner Resonator and Outlet Duct Replacement (Air Cleaner Resonator and Outlet Duct Replacement).
79. Install the cooling fan. Refer to Fan Replacement (LLV, LLR) (Service and Repair)Fan Replacement (LH9) (Service and Repair).
80. Fill the cooling system. Refer to Cooling System Draining and Filling (Static Fill) (Cooling System Draining and Filling (Static Fill))Cooling System Draining and Filling (Vac N Fill) (Cooling System Draining and Filling (Vac N Fill)).
81. Install the left inner wheelhouse liner. Refer to Front Wheelhouse Liner Replacement (Service and Repair).
82. Install the battery box. Refer to Battery Box Replacement (Battery Box Replacement).




83. Install the hood. Refer to Hood Replacement (Service and Repair).
84. Fill the engine oil, if previously drained. Refer to Engine Oil and Oil Filter Replacement (Service and Repair).

Engine Final Test and Inspection

Complete the following procedure after the engine is installed in the vehicle:

1. With the ignition OFF or disconnected, crank the engine several times. Listen for any unusual noises or evidence that any parts are binding.
2. Start the engine and listen for abnormal conditions.
3. Check the vehicle oil pressure gauge or light and confirm that the engine has acceptable oil pressure.
4. Run the engine at approximately 1000 RPM until the engine reaches normal operating temperature.
5. While the engine continues to idle raise and support the vehicle. Refer to Lifting and Jacking the Vehicle (Service and Repair).
6. Inspect for oil, coolant, transmission fluid, and exhaust leaks while the engine is idling.
7. Lower the vehicle.
8. Perform the crankshaft (CKP) variation learn procedure. Refer to Crankshaft Position System Variation Learn (Testing and Inspection).
9. Perform a final inspection for the proper engine oil, transmission fluid and coolant levels.
10. Road test the vehicle.