Operation CHARM: Car repair manuals for everyone.
Manuals through 2025 now available!

Our trusted friends have launched a new website named LEMON, which has newer manuals. It also contains all the CHARM manuals.

LEMON is the spiritual successor to CHARM, I recommend you try it!

Link: lemon-manuals.la or lemon-manuals.org.ua

(Some people have issue connecting. LEMON is investigating. For now, use Firefox or change your DNS server)

Or, hide this message: temporarily or permanently

Electrical Diagrams



Engine Controls Schematics

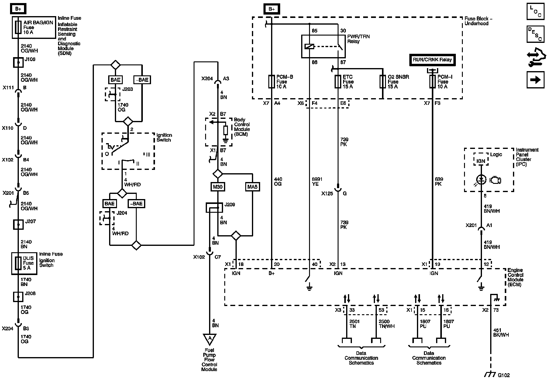
Module Power, Ground, Serial Data, and MIL






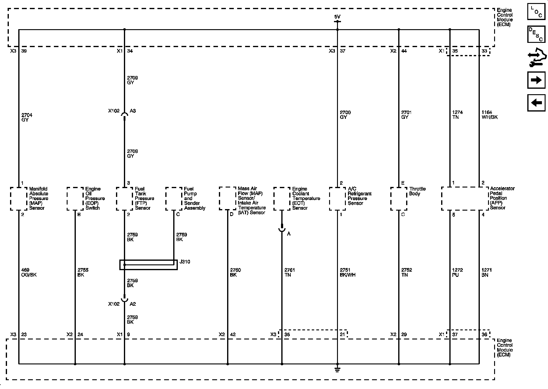
Engine Data Sensors - 5-Volt and Low Reference Bus






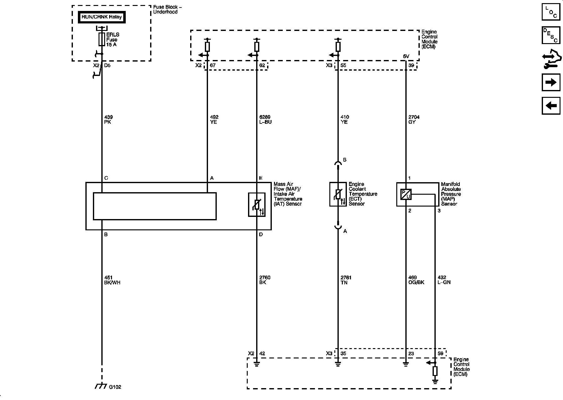
Engine Data Sensors - Pressure and Temperature






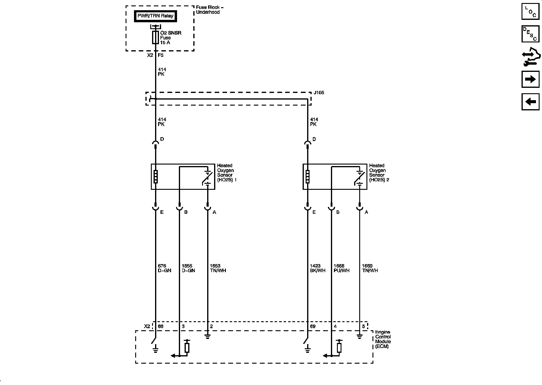
Engine Data Sensors - Heated Oxygen Sensors






Engine Data Sensors - Throttle Controls






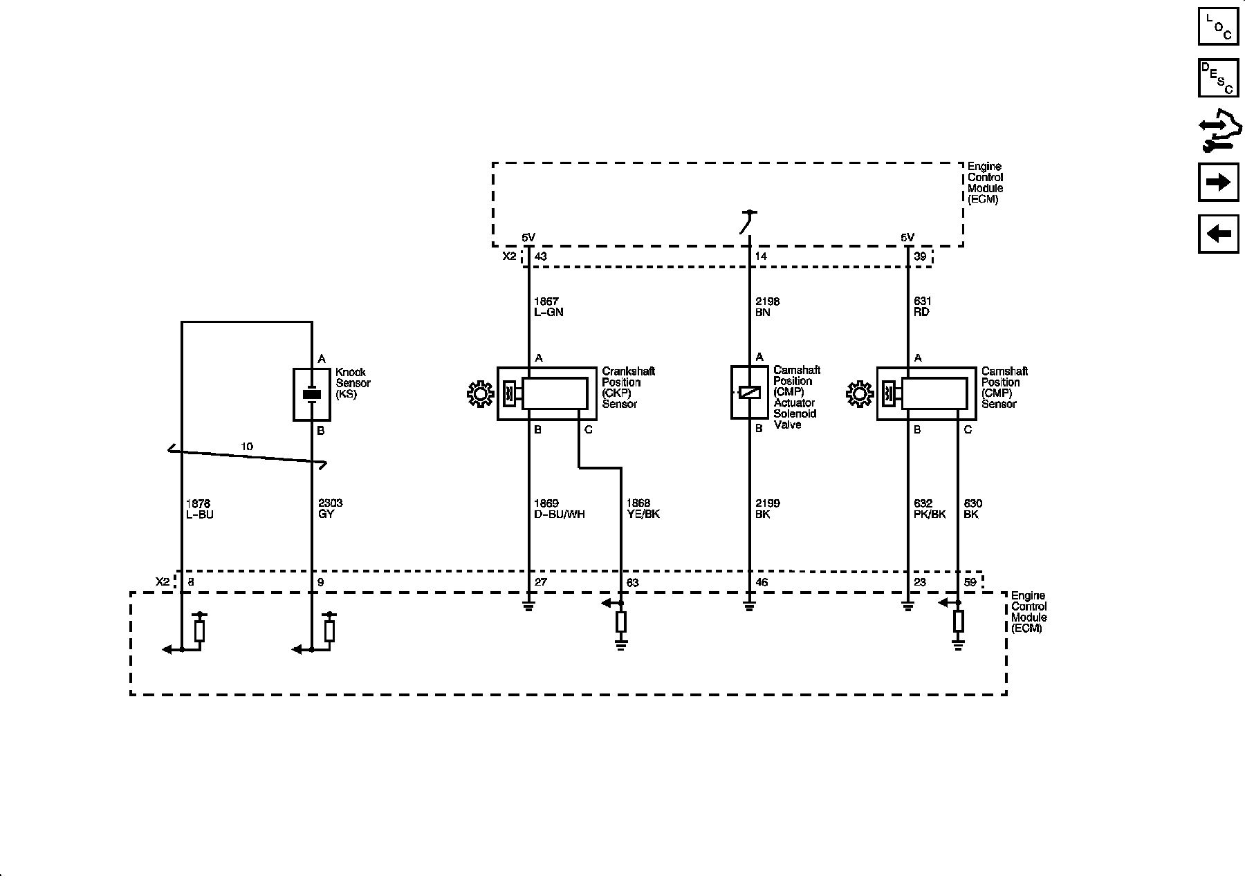
Ignition Controls - Sensors






Ignition Controls - Ignition Coils






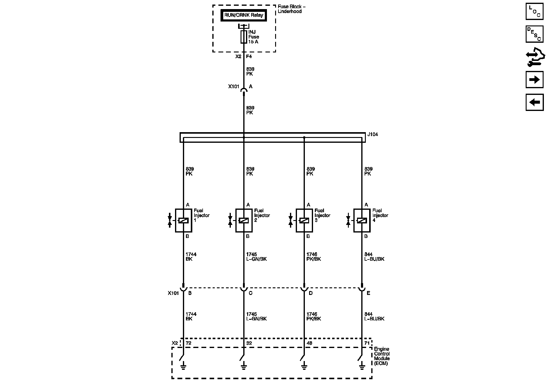
Fuel Controls - Fuel Injectors






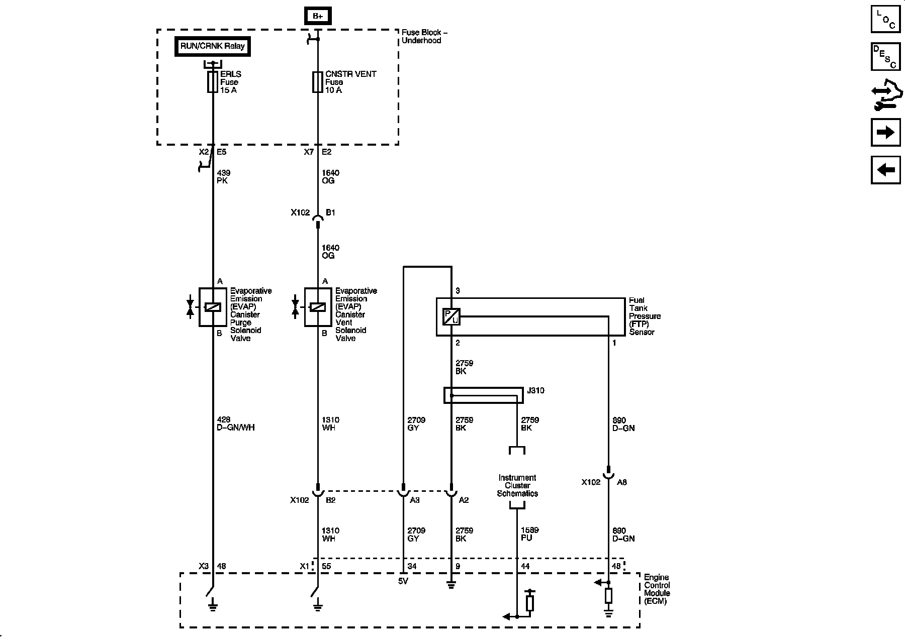
Fuel Controls - EVAP Controls






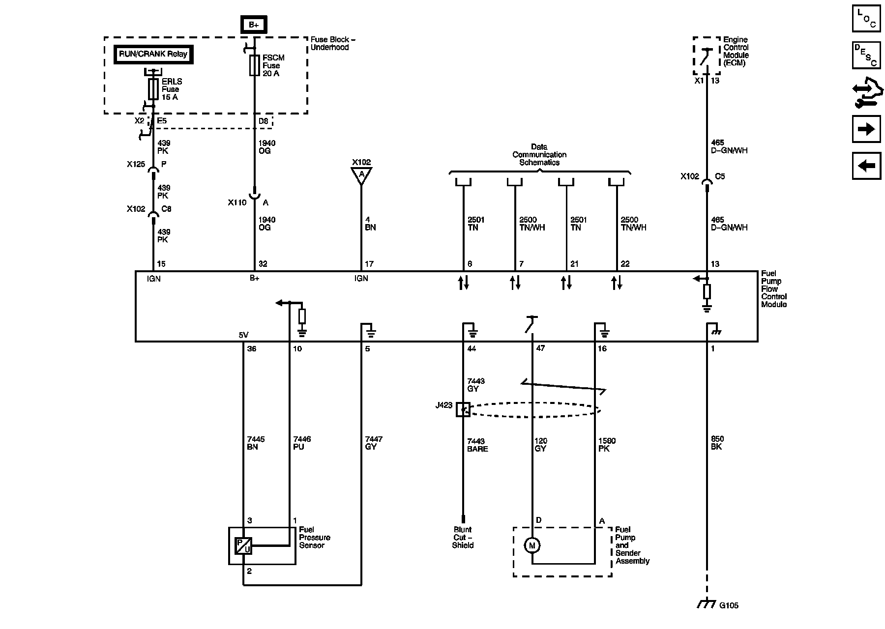
Fuel Controls - Fuel Pump Controls






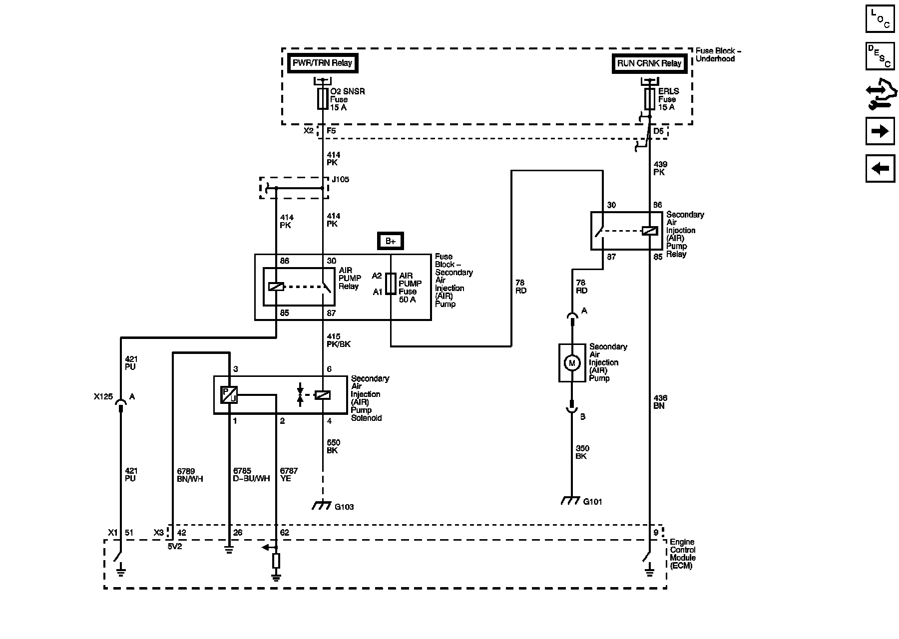
Device Controls - Secondary Air Injection (K18)






Controlled/Monitored Subsystem References