Operation CHARM: Car repair manuals for everyone.
Manuals through 2025 now available!

Our trusted friends have launched a new website named LEMON, which has newer manuals. It also contains all the CHARM manuals.

LEMON is the spiritual successor to CHARM, I recommend you try it!

Link: lemon-manuals.la or lemon-manuals.org.ua

(Some people have issue connecting. LEMON is investigating. For now, use Firefox or change your DNS server)

Or, hide this message: temporarily or permanently

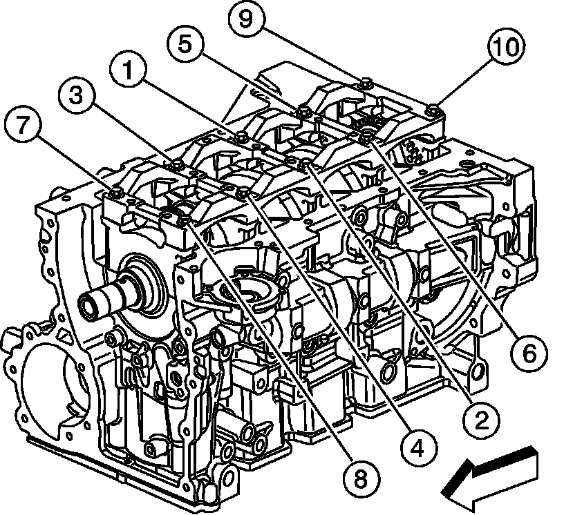
Crankshaft Main Bearing

Crankshaft Main Bearing Cap Bolt
First Pass 25 Nm (18 lb ft)
Final Pass 180 degrees







Crankshaft Main Bearing Clearance 0.012-0.064 mm (0.0004-0.0025 in)
Crankshaft Main Bearing Bore Diameter 78.070-78.088 mm (3.0760-3.0766 in)