Operation CHARM: Car repair manuals for everyone.
Manuals through 2025 now available!

Our trusted friends have launched a new website named LEMON, which has newer manuals. It also contains all the CHARM manuals.

LEMON is the spiritual successor to CHARM, I recommend you try it!

Link: lemon-manuals.la or lemon-manuals.org.ua

(Some people have issue connecting. LEMON is investigating. For now, use Firefox or change your DNS server)

Or, hide this message: temporarily or permanently

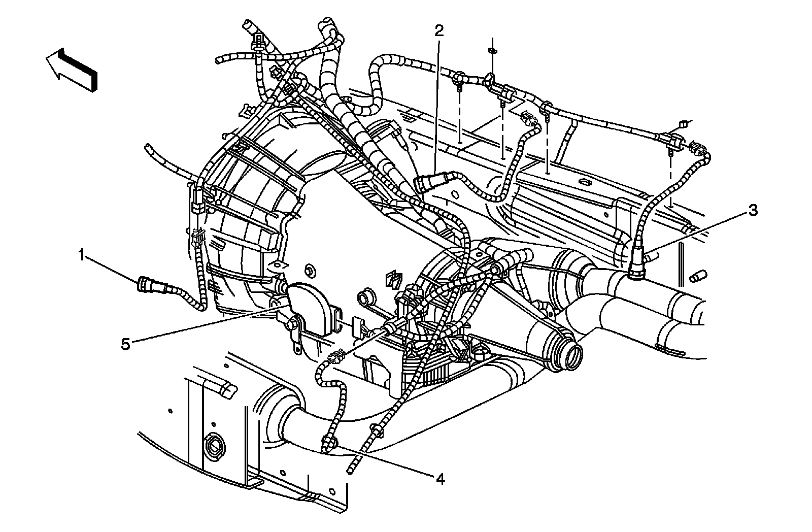
Oxygen Sensor: Locations




Powertrain Component Views

Rear of the Engine (LU3 or LMF)




1 - Heated Oxygen Sensor (HO2S) - Bank 1 Sensor 1
2 - Heated Oxygen Sensor (HO2S) - Bank 2 Sensor 1
3 - Heated Oxygen Sensor (HO2S) - Bank 2 Sensor 2
4 - Heated Oxygen Sensor (HO2S) - Bank 1 Sensor 2
5 - Park/Neutral Position (PNP) Switch