Operation CHARM: Car repair manuals for everyone.
Manuals through 2025 now available!

Our trusted friends have launched a new website named LEMON, which has newer manuals. It also contains all the CHARM manuals.

LEMON is the spiritual successor to CHARM, I recommend you try it!

Link: lemon-manuals.la or lemon-manuals.org.ua

(Some people have issue connecting. LEMON is investigating. For now, use Firefox or change your DNS server)

Or, hide this message: temporarily or permanently

Electrical Diagrams



Engine Controls Schematics

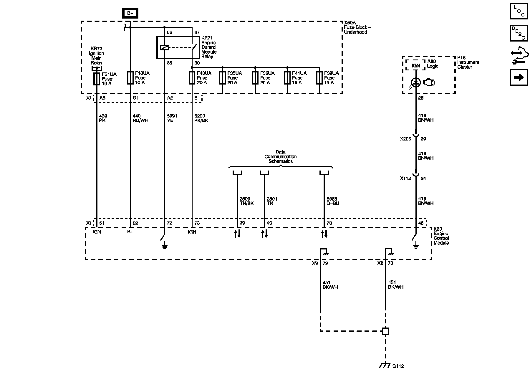
Module Power, Ground Serial Data, and MIL (LFW)






5V1, and Low Reference Bus (LFW)






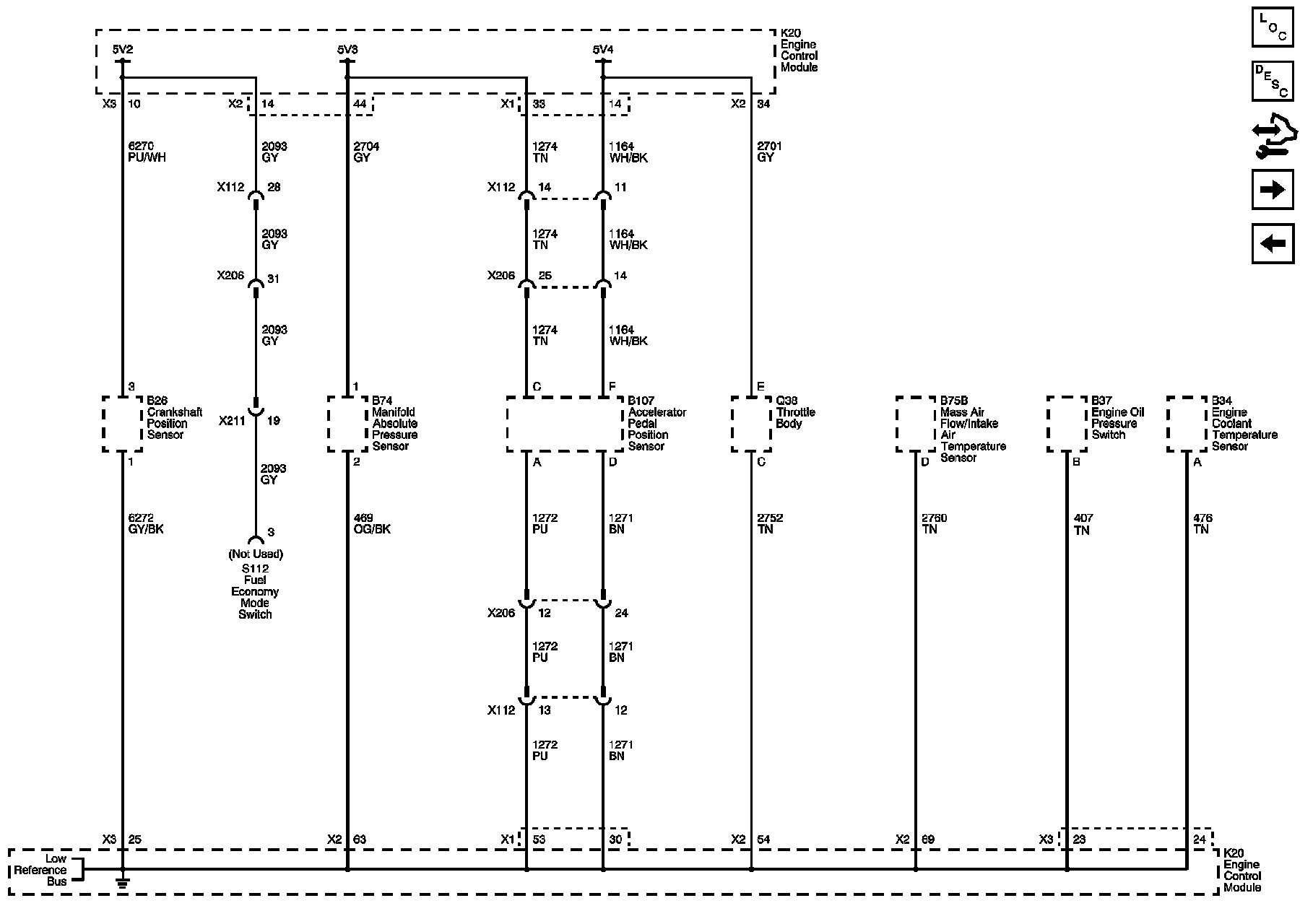
5V2, 5V3, 5V4, and Low Reference Bus (LFW)






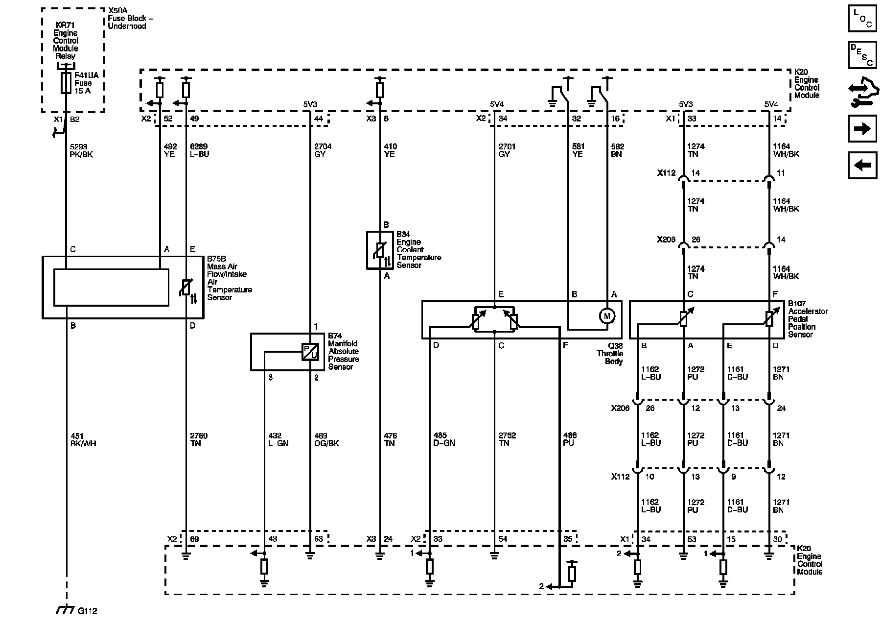
Engine Data Sensors - Pressure, Temperature, and Throttle Controls (LFW)






Engine Data Sensors - Oxygen Sensors and Flex Fuel Sensor (LFW)






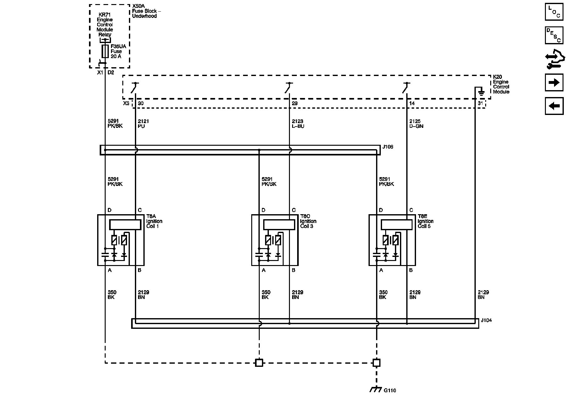
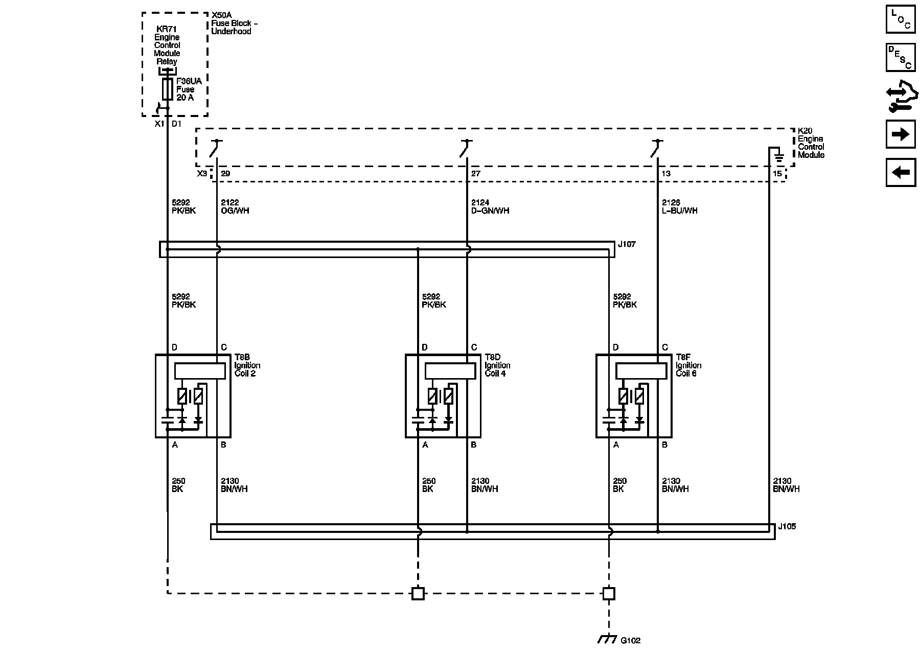
Ignition Controls - Bank 1 Ignition System (LFW)






Ignition Controls - Bank 2 Ignition System (LFW)






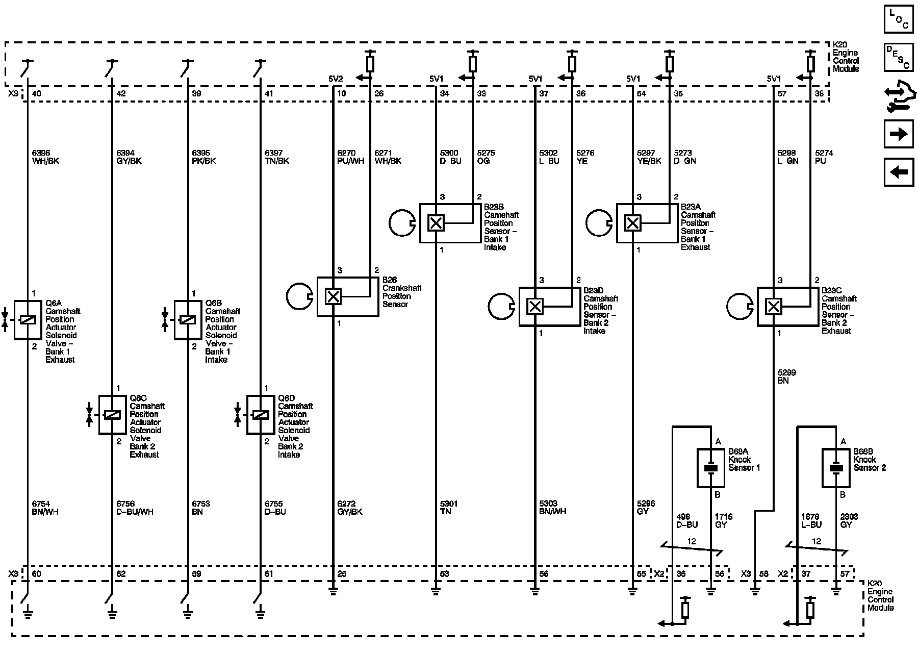
Ignition Controls - Camshaft, Crankshaft, and Knock Sensors, and Camshaft Actuators (LFW)






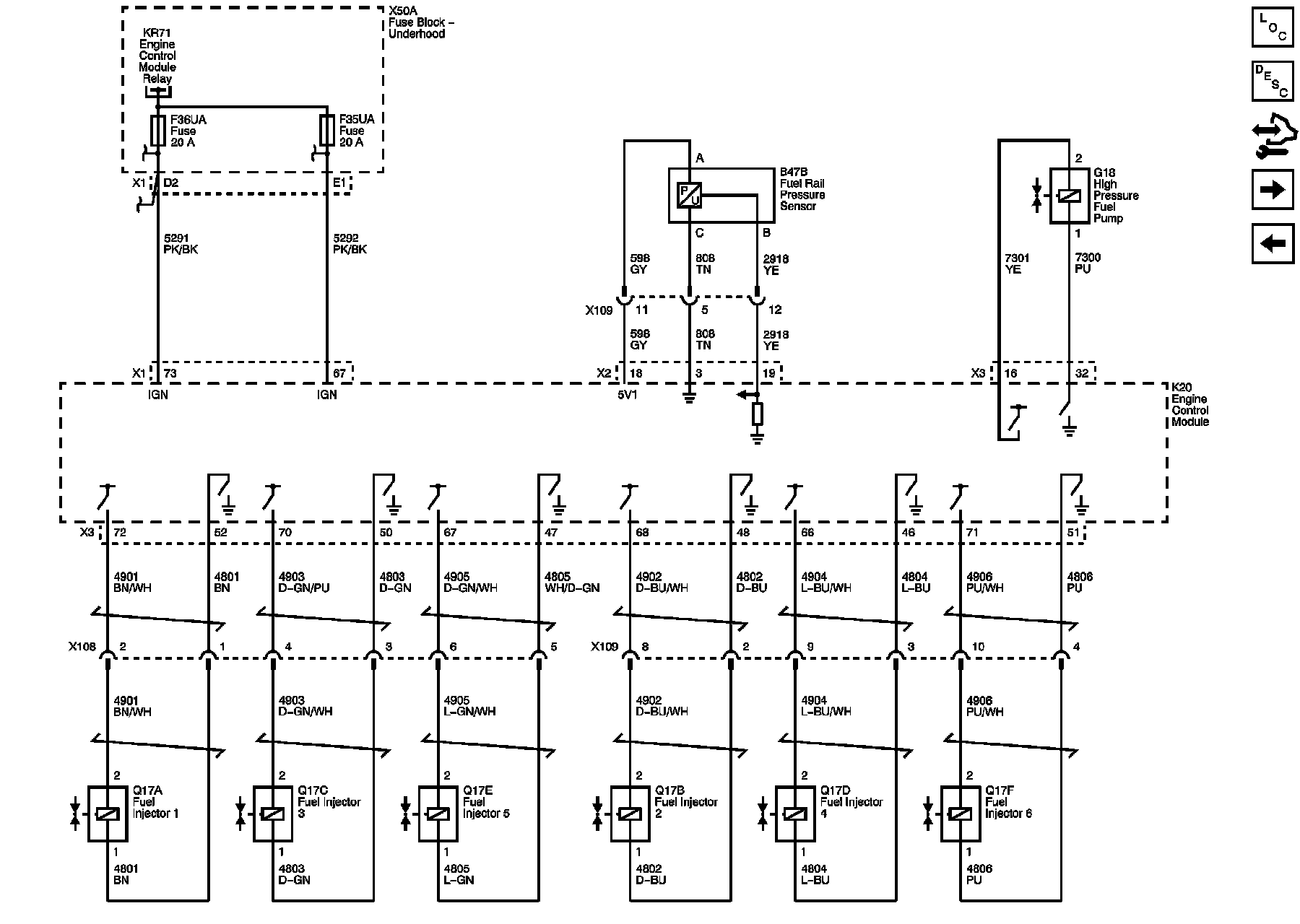
Fuel Controls - Fuel Injectors (LFW)






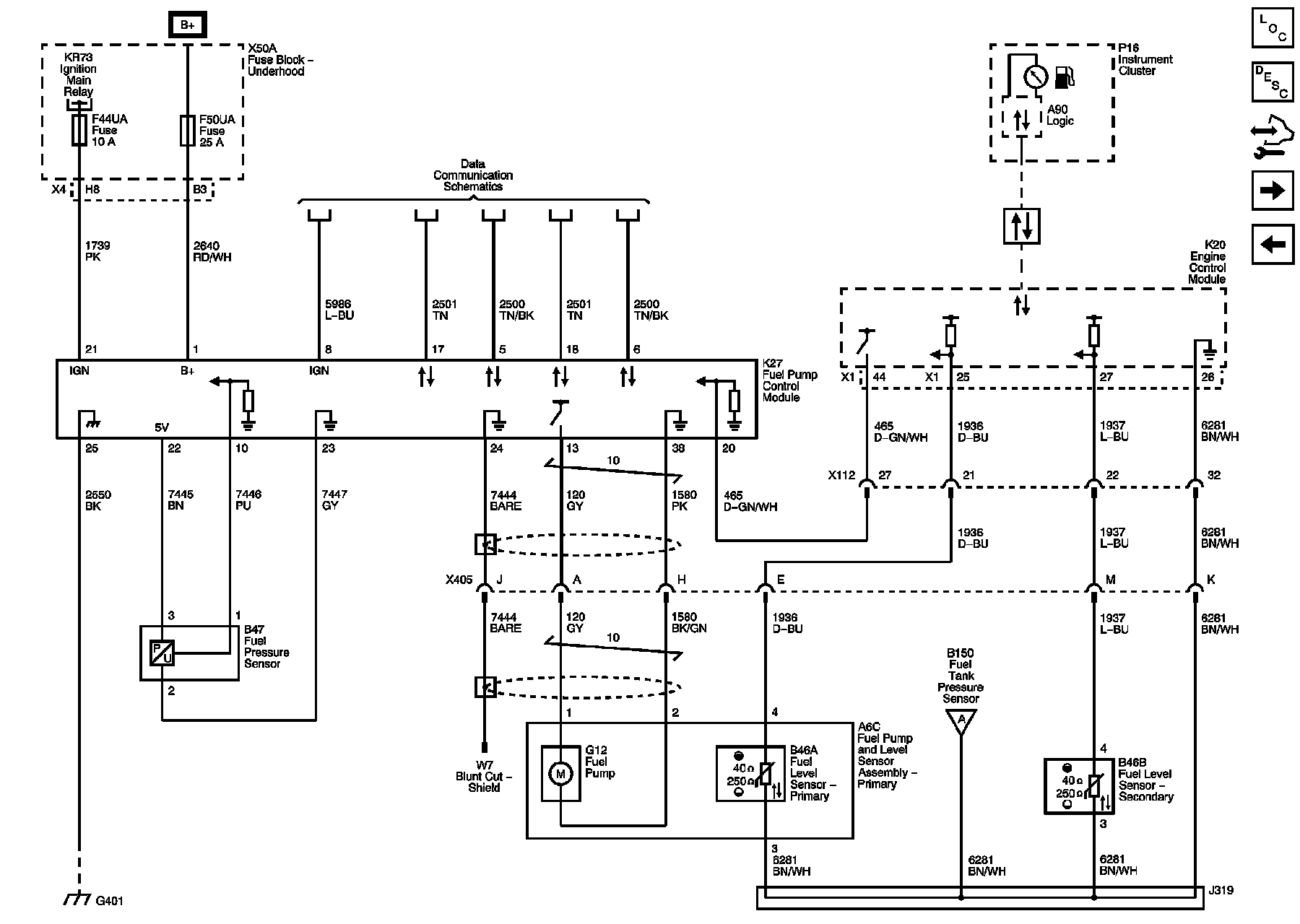
Fuel Controls - Fuel Pump and Fuel Level Sensors (LFW)






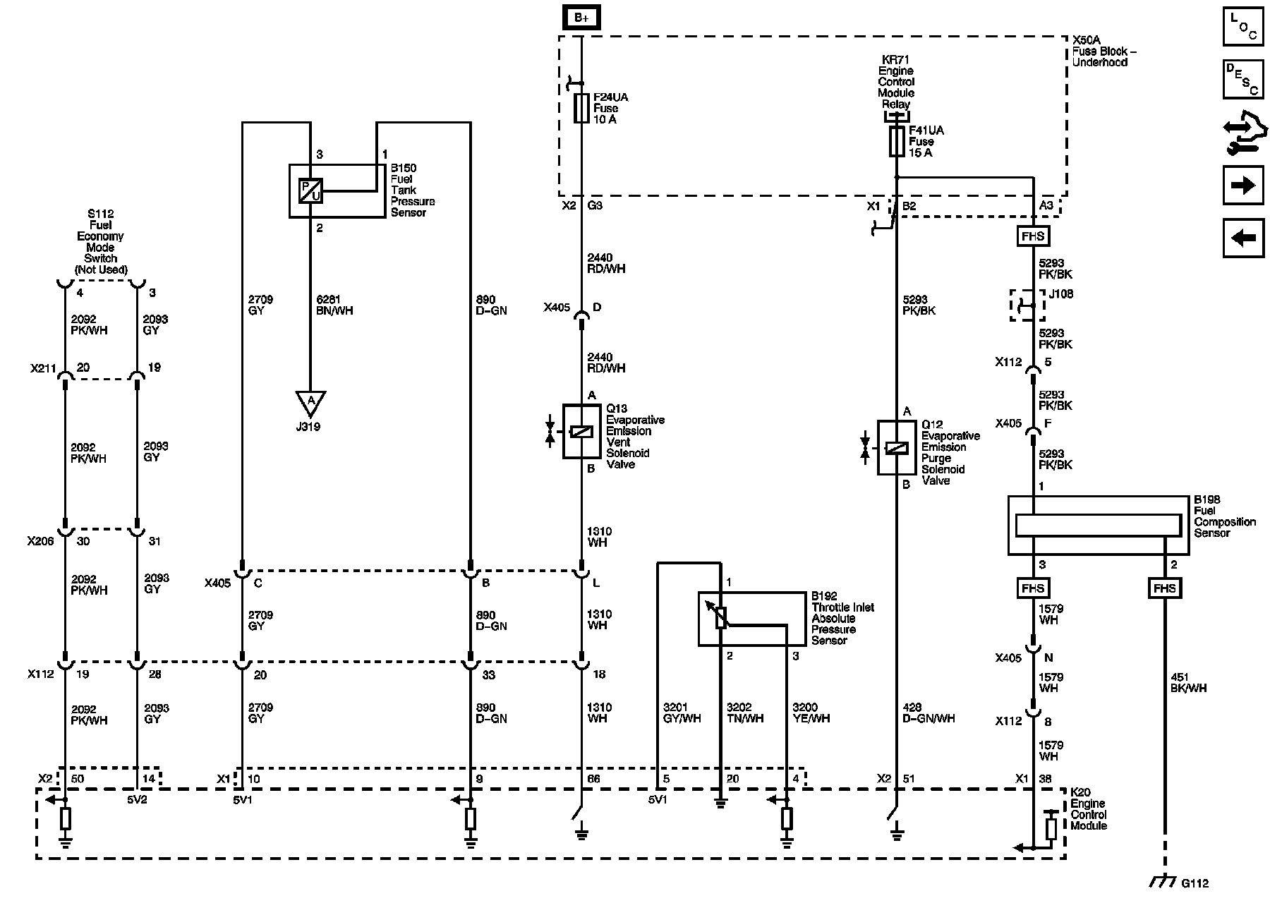
Fuel Controls - Evaporative Emission Controls (LFW)






Subsystem References (LFW)