Operation CHARM: Car repair manuals for everyone.
Manuals through 2025 now available!

Our trusted friends have launched a new website named LEMON, which has newer manuals. It also contains all the CHARM manuals.

LEMON is the spiritual successor to CHARM, I recommend you try it!

Link: lemon-manuals.la or lemon-manuals.org.ua

(Some people have issue connecting. LEMON is investigating. For now, use Firefox or change your DNS server)

Or, hide this message: temporarily or permanently

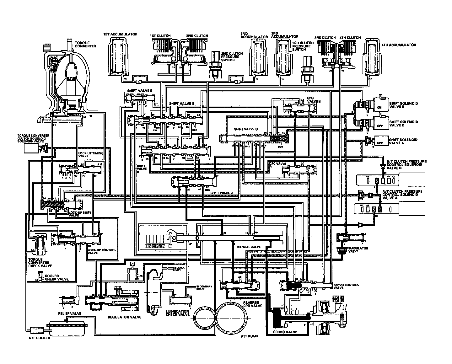
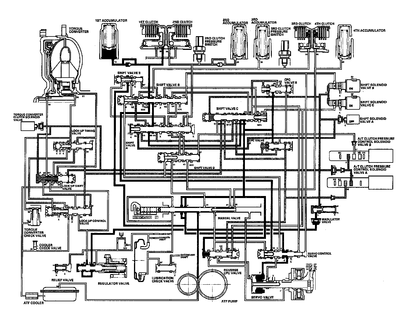
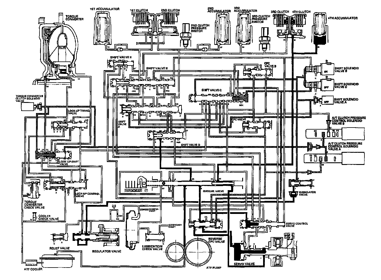
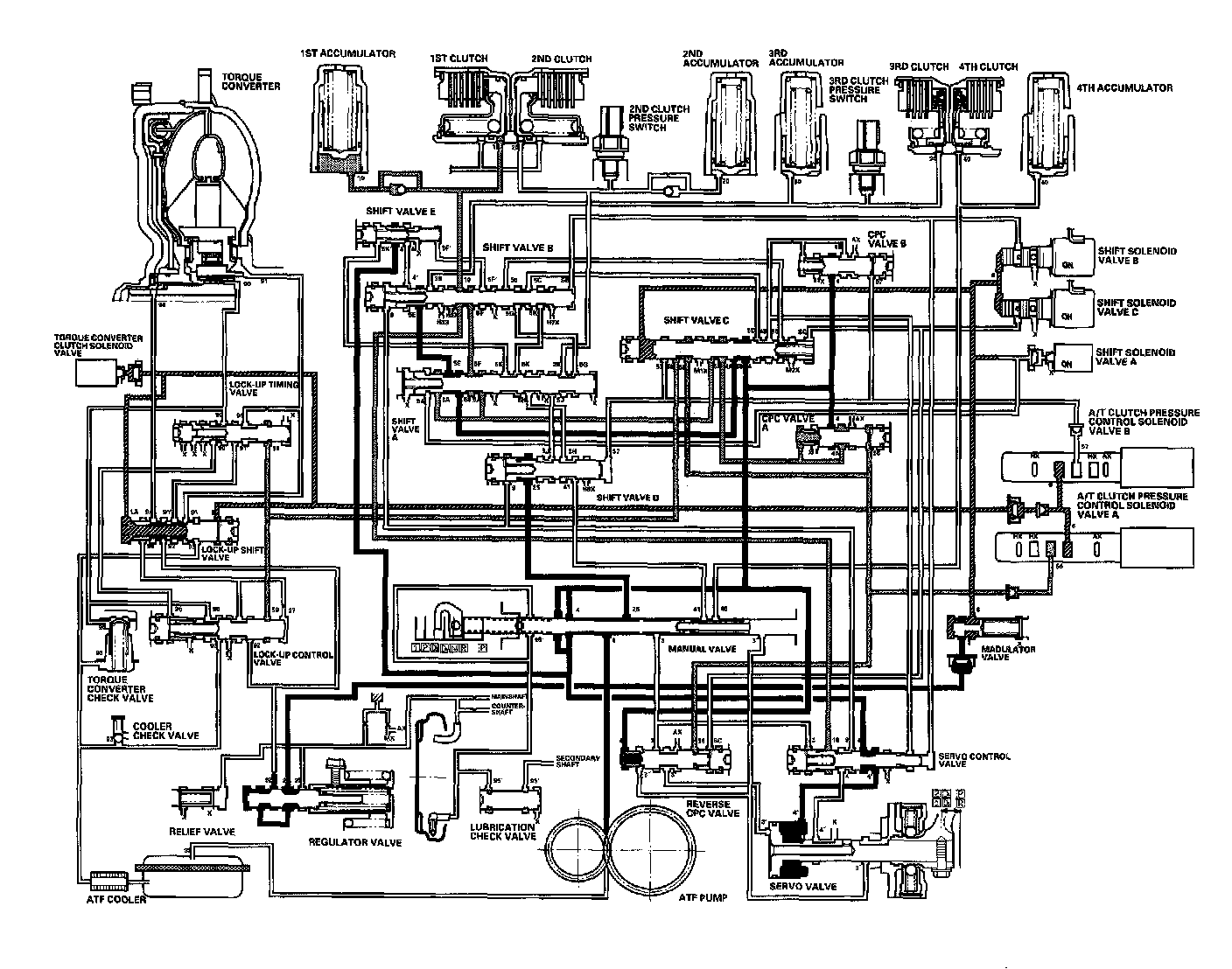
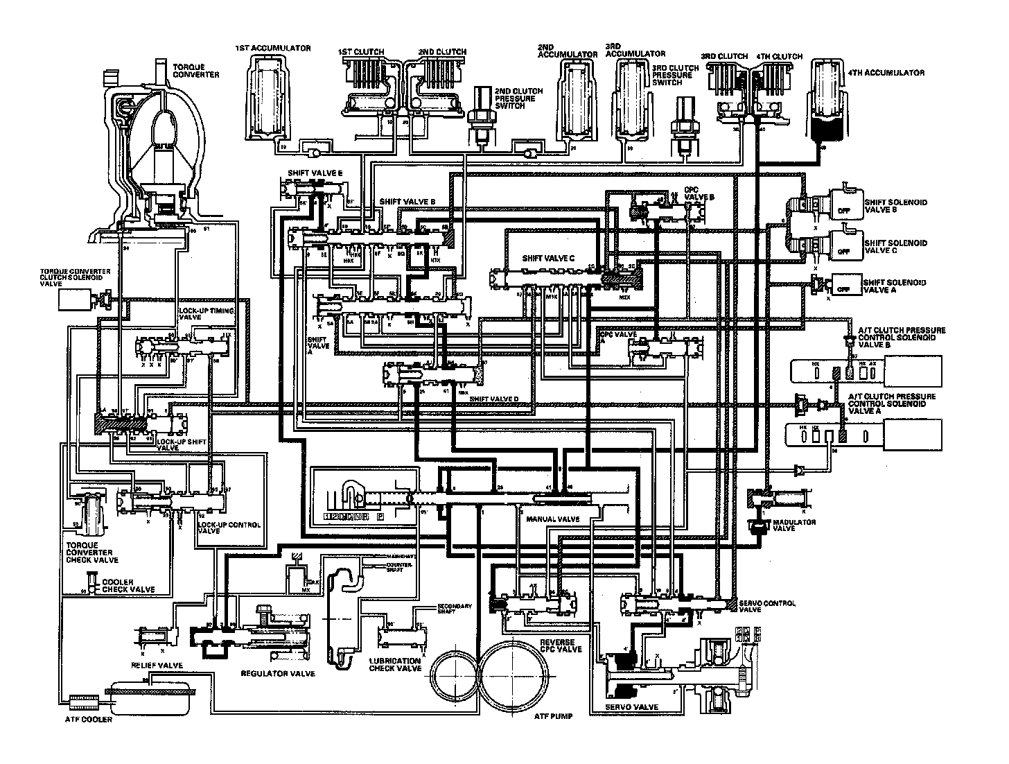
Automatic Transmission/Transaxle





[N] Position





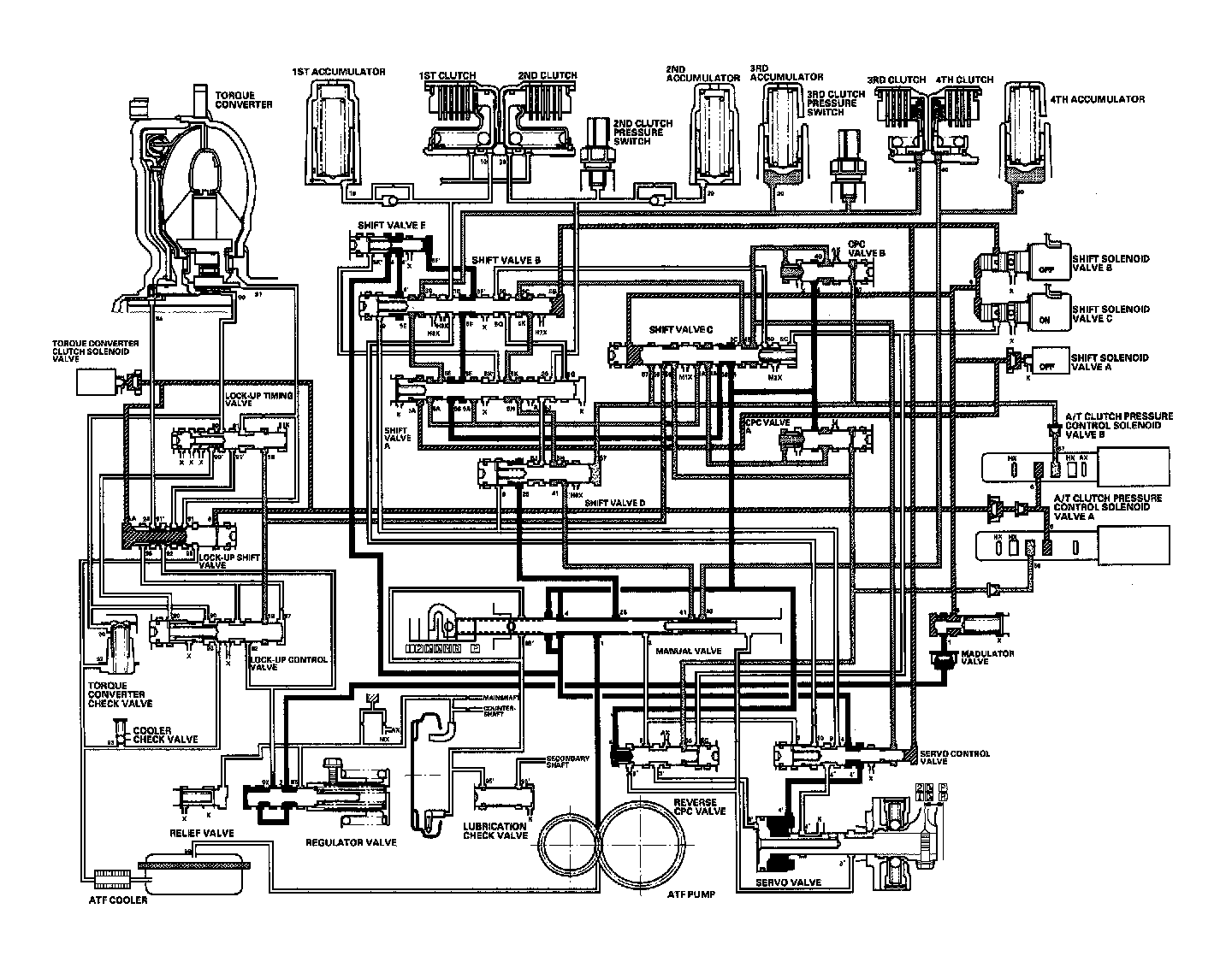
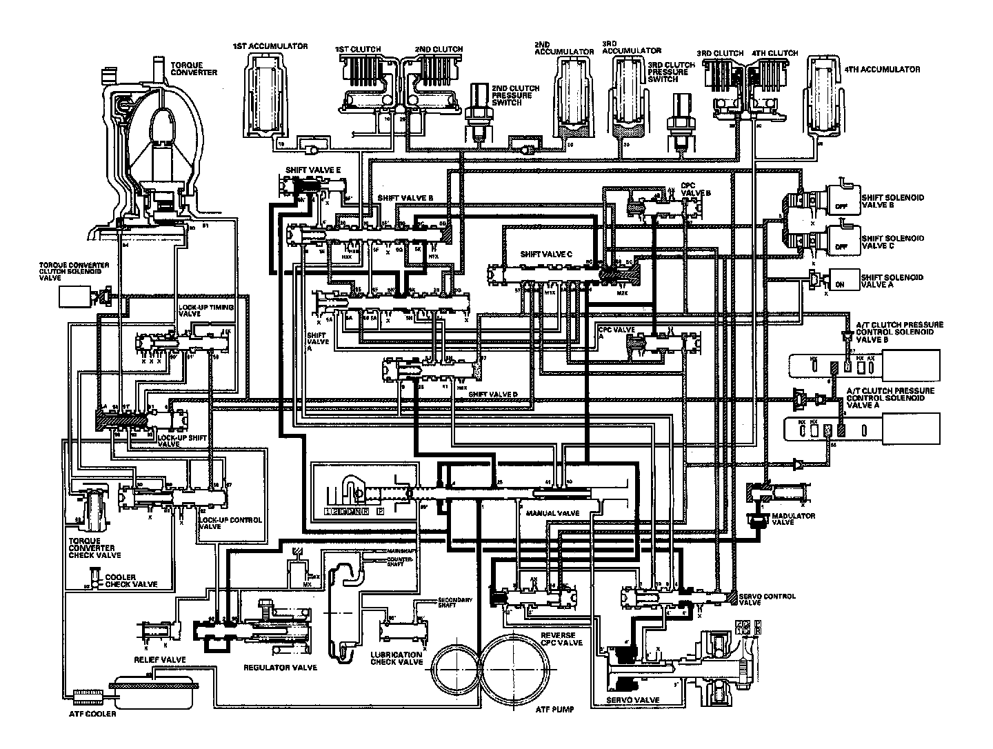
[D4] Position: 1st gear shifting from [N] position





[D4] Position: Driving in 1st gear





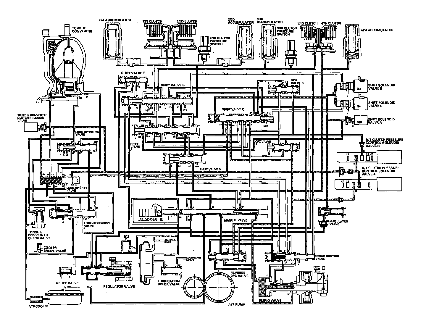
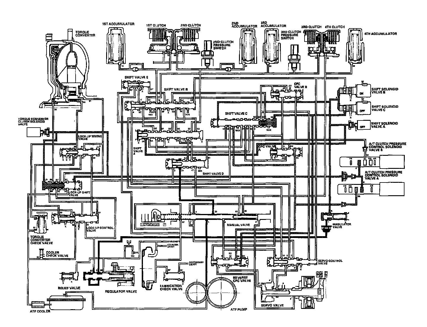
[D4] Position: Shifting between 1st gear and 2nd gear





[D4] Position: Driving in 2nd gear





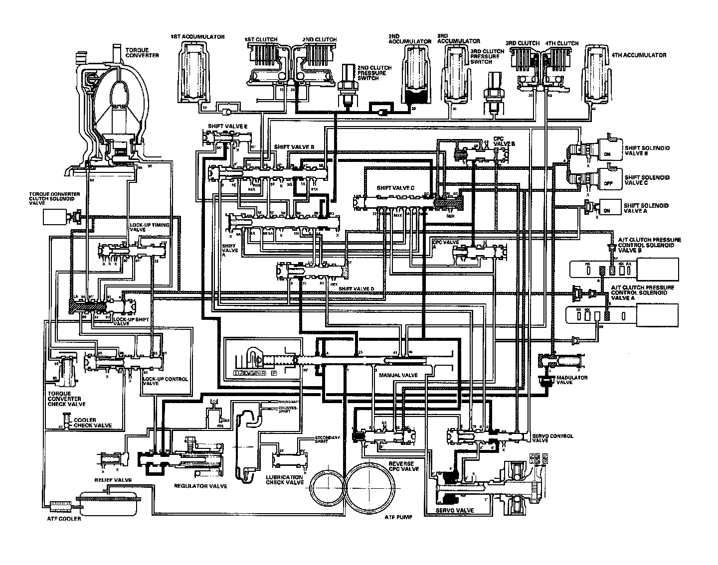
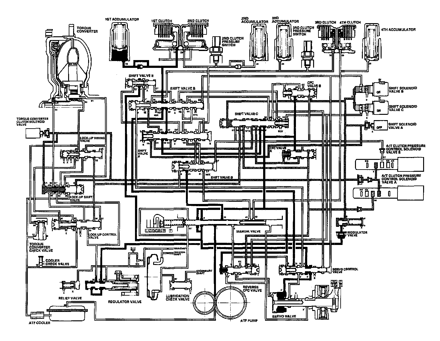
[D4] Position: Shifting between 2nd gear and 3rd gear





[D4] Position: Driving in 3rd gear





[D4] Position: Shifting between 3rd gear and 4th gear





[D4] Position: Driving in 4th gear





[2] Position





[1] Position





[R] Position: Shifting to [R] position from [P] or [N] position





(R) Position: Driving in reverse gear





[P] Position