Operation CHARM: Car repair manuals for everyone.
Manuals through 2025 now available!

Our trusted friends have launched a new website named LEMON, which has newer manuals. It also contains all the CHARM manuals.

LEMON is the spiritual successor to CHARM, I recommend you try it!

Link: lemon-manuals.la or lemon-manuals.org.ua

(Some people have issue connecting. LEMON is investigating. For now, use Firefox or change your DNS server)

Or, hide this message: temporarily or permanently

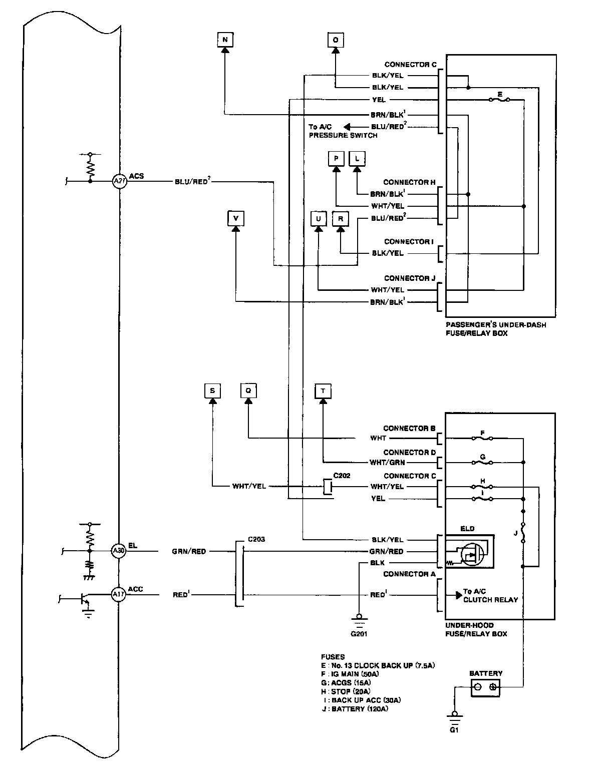
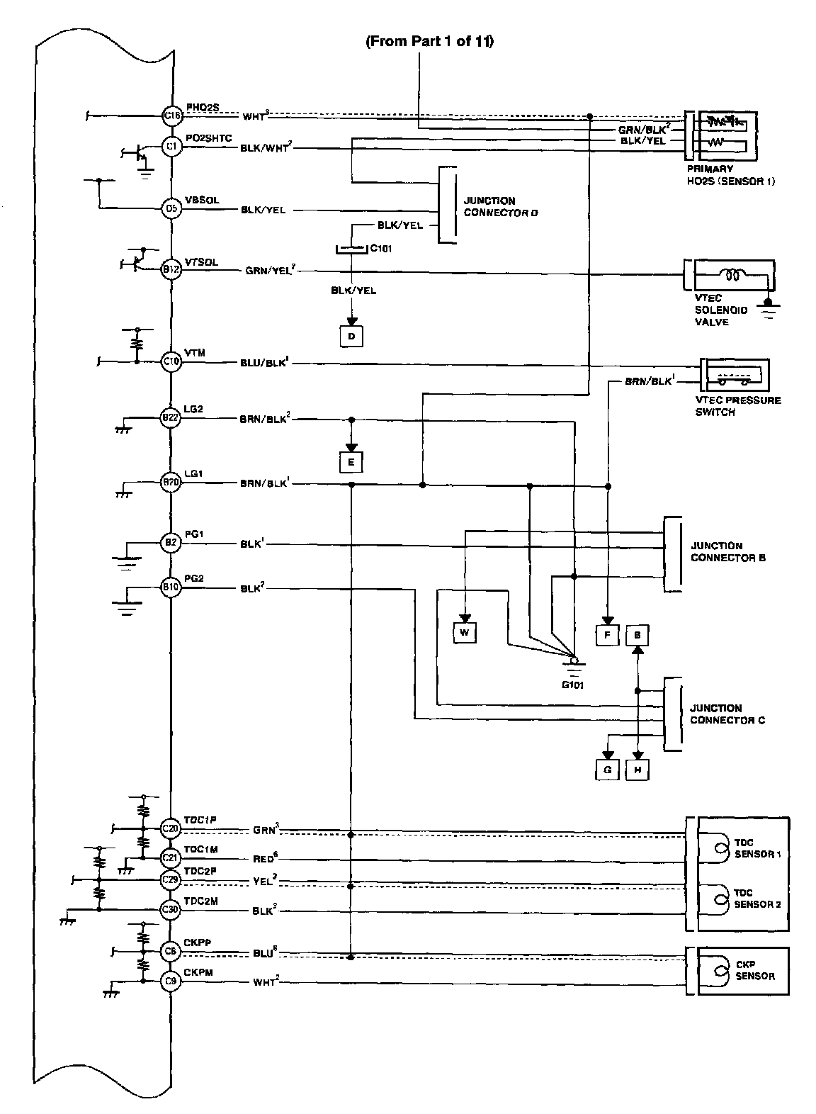
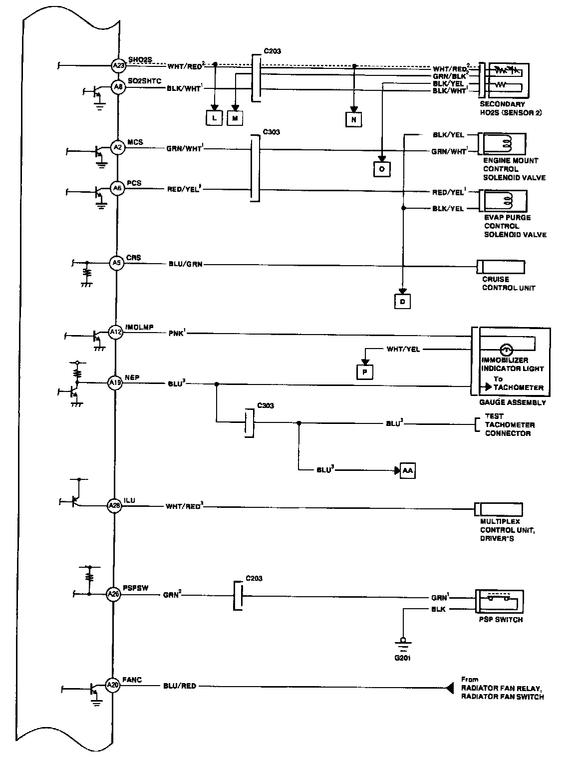
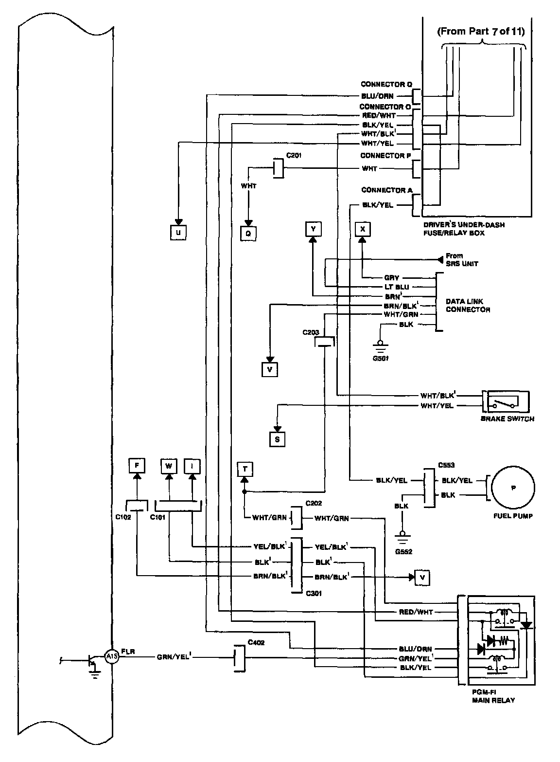
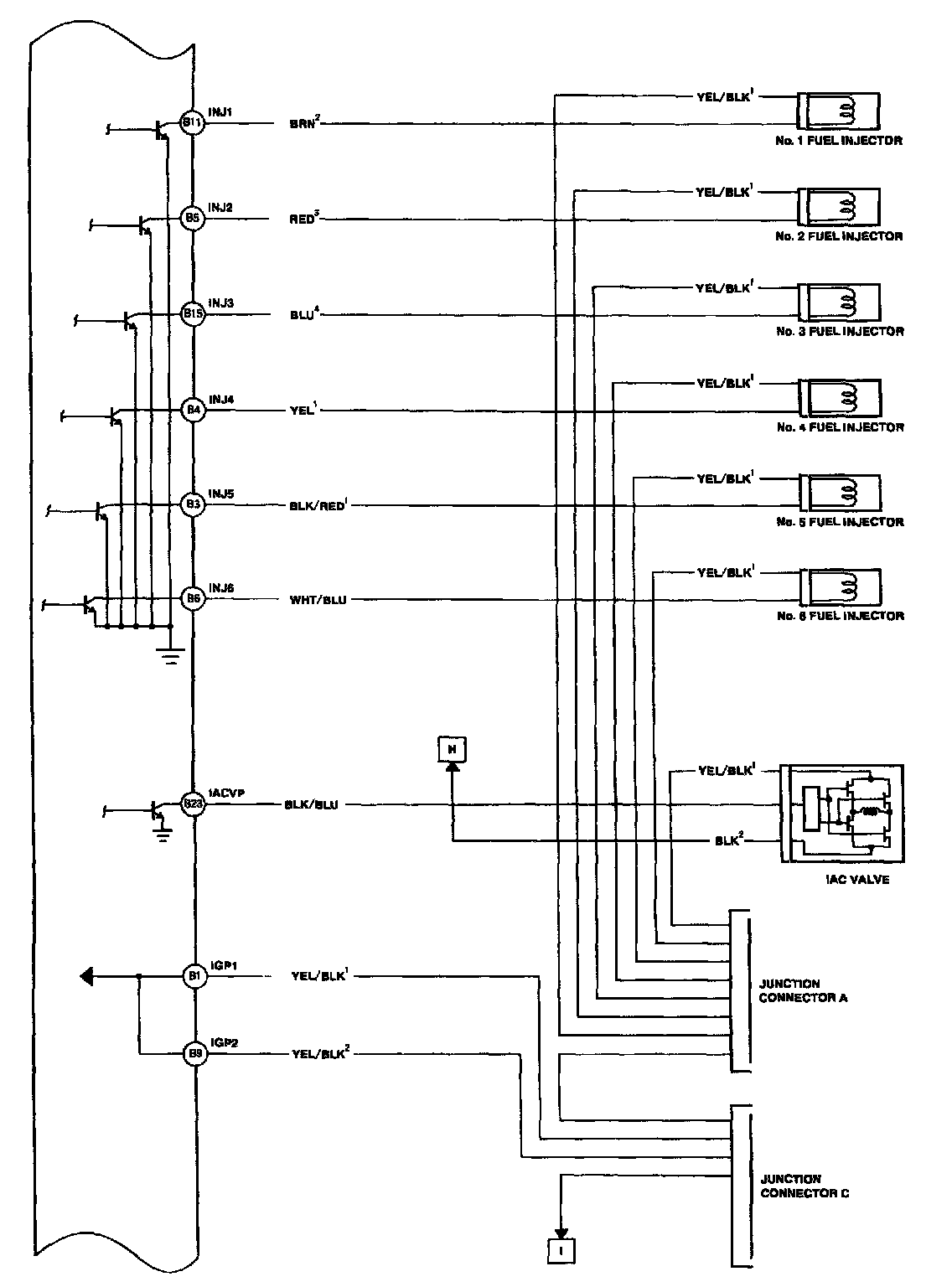
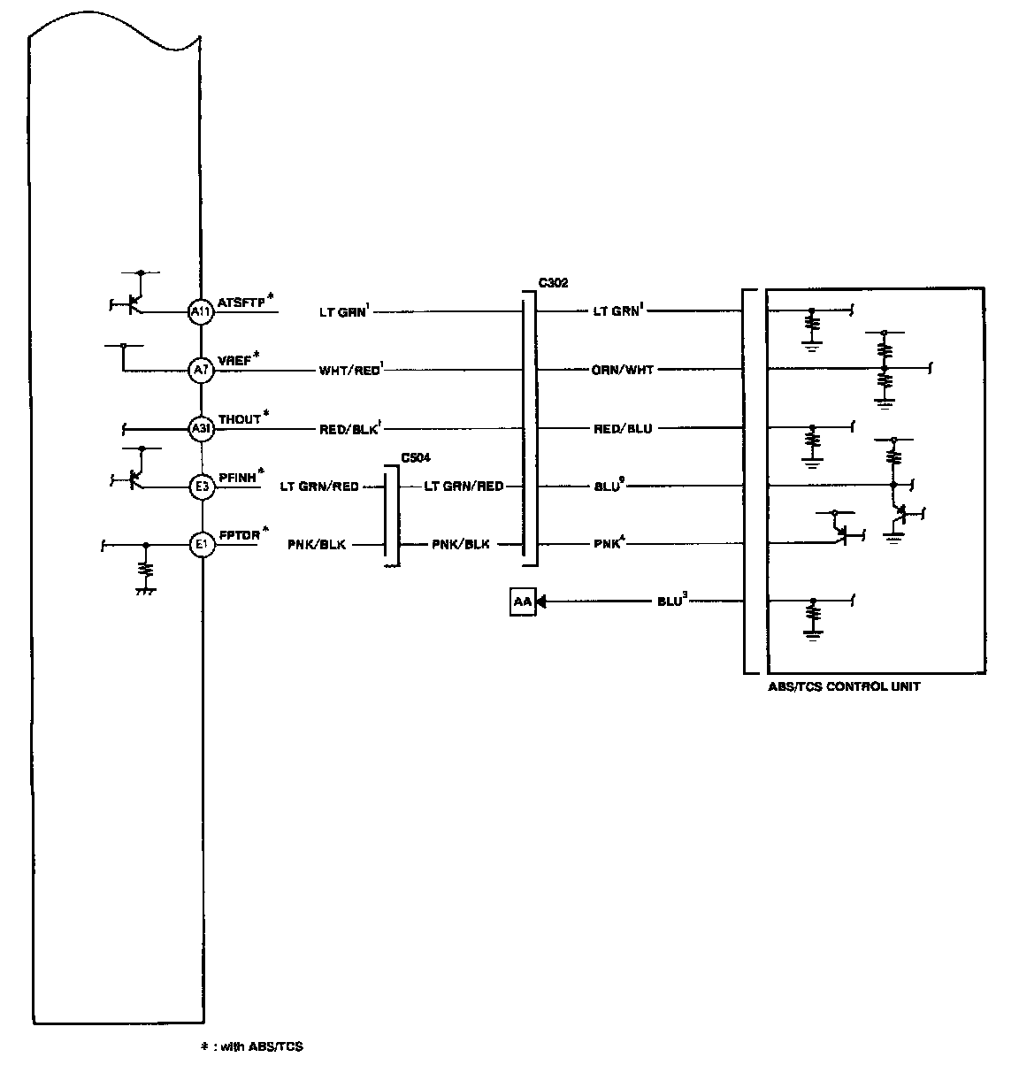
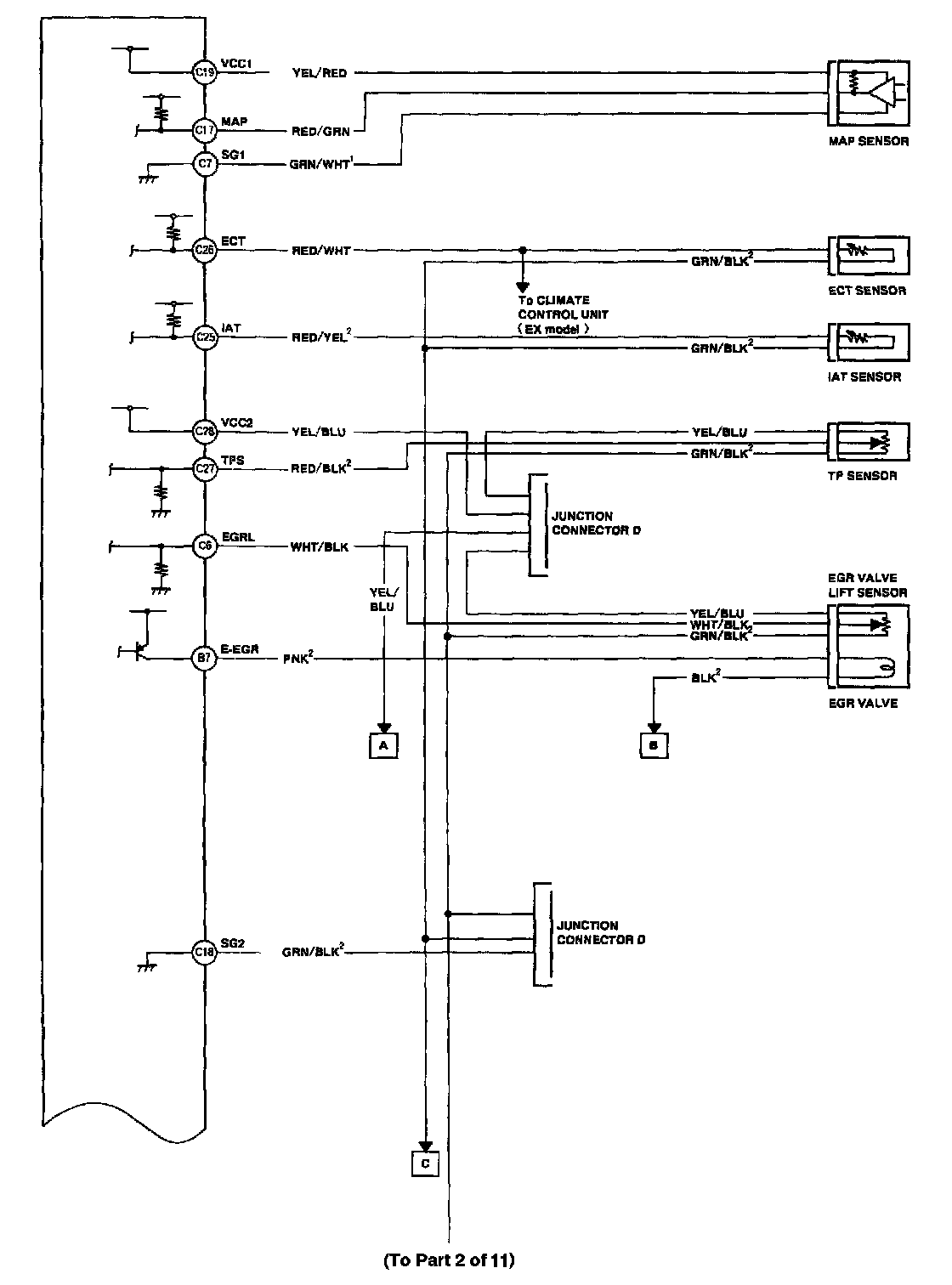
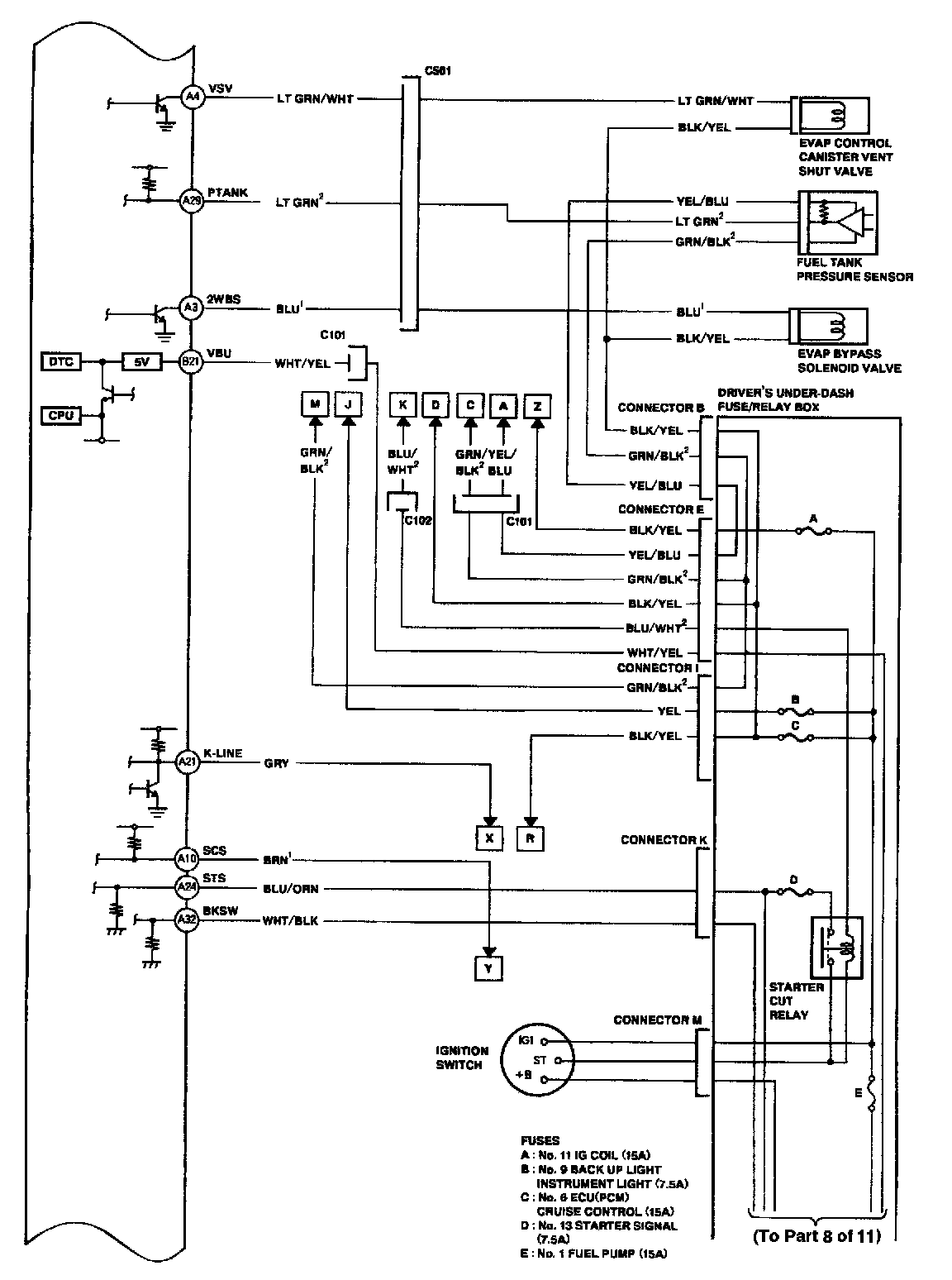
ECM/PCM Circuit Diagram

PART 1 OF 11:




PART 2 OF 11:




PART 3 OF 11:




PART 4 OF 11:




PART 5 OF 11:




PART 6 OF 11:




PART 7 OF 11:




PART 8 OF 11:




PART 9 OF 11:




PART 10 OF 11:




PART 11 OF 11: