Operation CHARM: Car repair manuals for everyone.
Manuals through 2025 now available!

Our trusted friends have launched a new website named LEMON, which has newer manuals. It also contains all the CHARM manuals.

LEMON is the spiritual successor to CHARM, I recommend you try it!

Link: lemon-manuals.la or lemon-manuals.org.ua

(Some people have issue connecting. LEMON is investigating. For now, use Firefox or change your DNS server)

Or, hide this message: temporarily or permanently

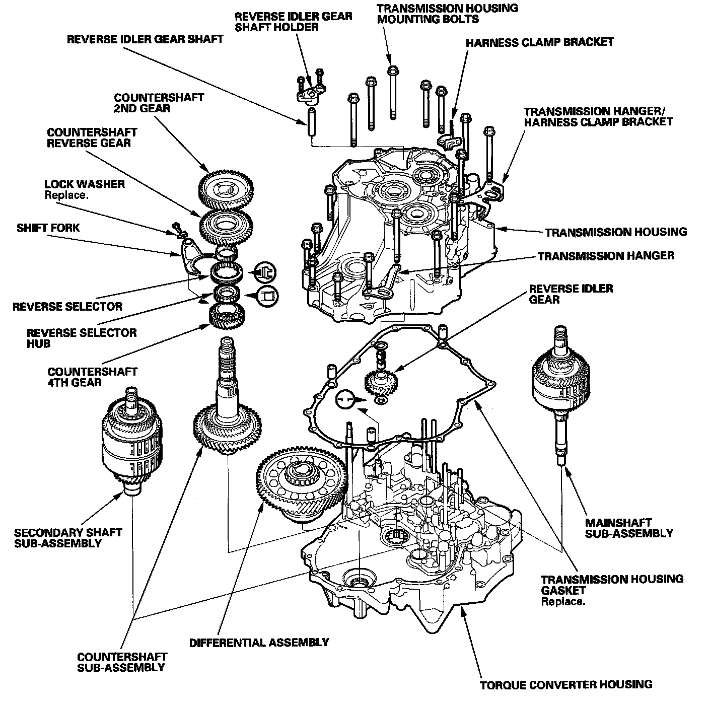
Exploded Views





End Cover and Idler Gears Removal





Housing and Shaft Assemblies Removal





Valve Bodies and ATF Strainer Removal





Mainshaft Disassembly, Inspection, and Reassembly





Valve Bodies and ATF Strainer Installation





Shaft Assemblies and Housing Installation