Operation CHARM: Car repair manuals for everyone.
Manuals through 2025 now available!

Our trusted friends have launched a new website named LEMON, which has newer manuals. It also contains all the CHARM manuals.

LEMON is the spiritual successor to CHARM, I recommend you try it!

Link: lemon-manuals.la or lemon-manuals.org.ua

(Some people have issue connecting. LEMON is investigating. For now, use Firefox or change your DNS server)

Or, hide this message: temporarily or permanently

Fluid Line/Hose: Service and Repair

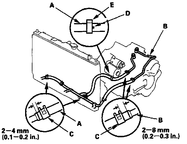
ATF Cooler Hoses Replacement





1. Connect the cooler hoses (A) to the lines (B) and the ATF cooler, and secure them with the clips (C).
2. Clamp the ATF cooler hose with the yellow mark (D) on the clamp (E).