Operation CHARM: Car repair manuals for everyone.
Manuals through 2025 now available!

Our trusted friends have launched a new website named LEMON, which has newer manuals. It also contains all the CHARM manuals.

LEMON is the spiritual successor to CHARM, I recommend you try it!

Link: lemon-manuals.la or lemon-manuals.org.ua

(Some people have issue connecting. LEMON is investigating. For now, use Firefox or change your DNS server)

Or, hide this message: temporarily or permanently

Removal




Special Tools Required:
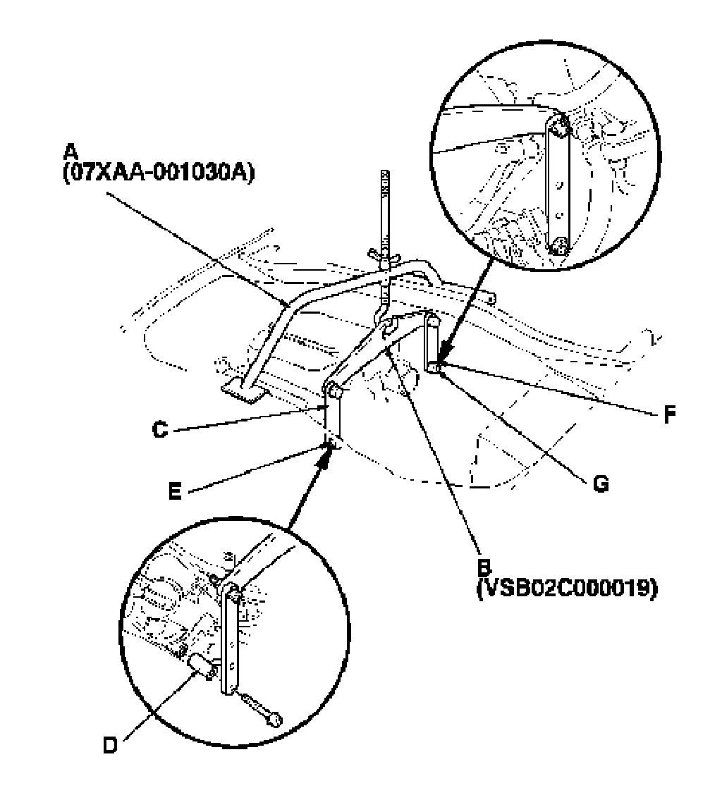
- Engine support hanger T/N 07XAA-001030A
- Engine hanger balance bar VSB02C00019
- Subframe adapter EQS07AODSY0

Removal
1. Before disconnecting the battery, make sure you have the anti-theft code for the radio, then write down the frequencies for the radio's preset stations.
2. Remove the bolt securing the lower portion of the windshield washer reservoir opening. Remove the support rod, then fix the hood in a vertical position using the support rod.
3. Remove the intake air duct, resonator cover, and air cleaner housing assembly.
4. Disconnect the battery negative terminal, then remove the positive terminal.
5. Remove the battery hold-down bracket, then remove the battery and battery tray.
6. Remove the battery cable clamps, connector, and relay bracket from the battery base.
7. Remove the battery base.





8. Raise the vehicle, and make sure it is securely supported. Remove the drain plug (A), and drain the Automatic Transmission Fluid (ATF). Reinstall the drain plug with a new sealing washer (B).





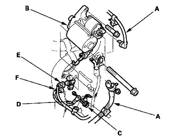
9. Remove the ATF cooler hose (A) from the clamp (B) on the starter.
10. Remove the ATF cooler hoses (A) from the ATF cooler lines (C). Turn the ends of the ATF cooler hoses up to prevent ATF flowing out, then plug the ATF cooler hoses and lines.

NOTE: Check for any signs of leakage at the hose joints.





11. Remove the starter cables (A) from the starter (B) and clamp bracket (C), then remove the starter.
12. Remove the transmission ground terminal (D).
13. Disconnect the shift solenoid valve (B) connector (E), and connector (F), then remove the harness clamp from the clamp bracket.





14. Disconnect the connectors from the 3rd clutch pressure switch (A), mainshaft speed sensor (B), and A/T clutch pressure control solenoid valves (C), then remove the harness clamps from the clamp brackets.





15. Disconnect the connector from the torque converter clutch solenoid valve/shift solenoid valve (A), then remove the connector from harness cover (B).
16. Remove the bolt securing connector bracket (C).
17. Remove the bolt securing the harness cover, then push the harness cover rearward to remove it from the transmission hanger (D).





18. Disconnect the connectors from the [1][2]countershaft speed sensor (A), and 2nd clutch pressure switch (B).
19. Remove the A/T gear position switch connector (C) from the connector bracket (D), then disconnect it.





20. Remove the nut (A) from the front mount, and disconnect the vacuum tube (B) at the joint (C).





21. Remove the transmission housing mounting bolts.





22. Remove the engine covers.





23. Lift and support the engine with engine support hanger (A) and engine balance bar (B). Attach the front arm (C) to the front cylinder head with a spacer (D) and the 10 x 1.25 mm bolt (E). attach the rear arm (F) to the rear cylinder head with the 8 x 1.25 mm bolt (G).





24. Remove the splash shield.





25. Remove the oxygen sensor connectors (A) from their connector brackets (B), and remove the harnesses from the clamps (C).
26. Remove the exhaust pipe (D) and three way catalytic converter (E).





27. Remove the spring pins (A) and castle nuts (B), and separate the lower arms (C) from the knuckles (D).
28. Put a 6 mm Allen-type wrench (E) in the top of the ball joint pin (F), and remove the nut (G), then separate the stabilizer link (H).





29. Remove the bolts securing the shift cable holder (A), then remove the shift cable cover (B).

NOTE: To prevent damage to the control lever (C), remove the bolts securing the holder before removing the bolts securing the cover.

30. Remove the lock bolt (D) securing the control lever, then remove the shift cable (E) with the control lever. Do not bend the shift cable excessively.





31. Install a 6 x 1.0 x 14 mm bolt (A) and nut (B) on the shift cable cover (C), then reinstall the shift cable cover to the torque converter housing.
If you don't do this, the bolt head of the cable cover may prevent you from removing the torque converter during transmission removal.





32. Remove the torque converter cover (A), then remove the eight drive plate bolts (B) one at a time while rotating the crankshaft pulley.
33. Remove the engine stiffener bolts (C).





34. Remove the clip (A) on the power steering fluid return hose (B) from the bracket (C).
35. Remove the power steering fluid pipe bracket bolts (D) and bracket (E), and remove the steering gearbox mounting bolt (F).





36. Remove the stiffener (A), the steering gearbox mounting bolt (B) and nut (C).





37. Remove the steering gearbox mounting bolts (A) and nut (B), and remove the stiffener (C).
38. Remove the rear mount mounting bolts (D).





39. Unclamp the power steering fluid pipe clamps (A), and remove the bolt (B) securing the power steering fluid pipe bracket (C).





40. Remove the transmission lower mount nuts.





41. Make reference marks (A) on the body across the marks (B) on the edge of the front sub-frame (C).





42. Loosen the four bolts (A) holding the adjustable arms (B) of the front subframe adapter (T/N EQ07AODSY0) to it's center plate.

NOTE: The adapter is designed to be used with the Honda transmission jack (model number LSL-W93714) or powertrain lift (model number OTC-1585). It will also work with most commercially available transmission jacks.





43. Line up the slots in the arms with the bolt holes on the corner of the jack base, then attach the adapter to the jack base with the bolts (A) that came with the jack. Tighten the bolts securely.





44. Raise the jack to vehicle height, then attach the adapter to the front subframe by sliding the adapter's nut plates (B) between the subframe and body.
45. Insert the nut plate bolts through the holes in the adapter and the subframe; then thread the bolts (C) into the nut plates and tighten them to 54 N-m (40 lbf-ft).





46 Remove the 12 x 1.25 mm bolts (A), subframe mounting bolts (4) (B), and stiffeners (C), then lower the front subframe (D).
47. Hang the steering gearbox on passenger side with of a rope to the body.





48. Remove the transmission lower mounts.
49. Pry the left driveshaft out of the differential and the right driveshaft from the intermediate shaft. Refer to: Axle Shaft; Service and Repair.





50. Move the left driveshaft to the front side. Coat all precision finished surfaces with clean engine oil, then tie the plastic bags over the driveshaft ends.





51. Remove the intermediate shaft.
52. Coat all precision finished surfaces with clean engine oil, then tie plastic bags over both ends of the intermediate shaft.





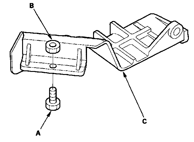
53. Remove the front mount bracket.





54. Remove the transmission housing mounting bolts.
55. Lower the transmission, and tilt the engine just enough for the transmission to clear its end cover from the side frame.
56. Place a transmission jack under the transmission.
57. Pull the transmission away from the engine until it clears the dowel pins, then lower it on the transmission jack.

NOTE: If the torque converter is stuck to the drive plate, pull it toward the transmission housing from the starter opening.





58. Remove the shift cable cover, then remove the torque converter assembly from the torque converter housing.
59. Inspect the drive plate, and replace it if it's damaged.
60. Remove the 6 x 1.0 x 14 mm bolt that you installed on the shift cable cover in step 31.