Operation CHARM: Car repair manuals for everyone.
Manuals through 2025 now available!

Our trusted friends have launched a new website named LEMON, which has newer manuals. It also contains all the CHARM manuals.

LEMON is the spiritual successor to CHARM, I recommend you try it!

Link: lemon-manuals.la or lemon-manuals.org.ua

(Some people have issue connecting. LEMON is investigating. For now, use Firefox or change your DNS server)

Or, hide this message: temporarily or permanently

Shift Interlock Solenoid: Service and Repair

Replacement
SRS components are located in this area. Review the SRS component locations, precautions, and procedures in SRS before performing repairs or service.
1. Remove the steering column covers.
2. Shift the transmission into the N position.





3. Remove the nut (A) securing the shift cable end (B), then separate the shift cable (C) from the shift lever assembly (D).





4. Disconnect the shift lock solenoid connector (A) and the park pin switch connector (B).
5. Remove the three bolts (C) securing the shift lever assembly, then remove the shift lever assembly (D).





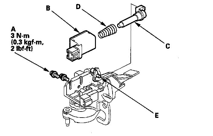
6. Remove the screws (A) securing the shift lock solenoid (B), then remove the shift lock solenoid.
7. Install the shift lock solenoid plunger (C) and plunger spring (D) in the new shift lock solenoid.
8. Install the shift lock solenoid by aligning the joint of the shift lock solenoid with the tip of the shift lock extension (E), then tighten the screws.
9. Install the shift lever assembly.





10. Insert a 6.0 mm (0.24 inch) pin (A) through the positioning hole (B) on the detent plate and into the positioning hole (C) on the control bracket.





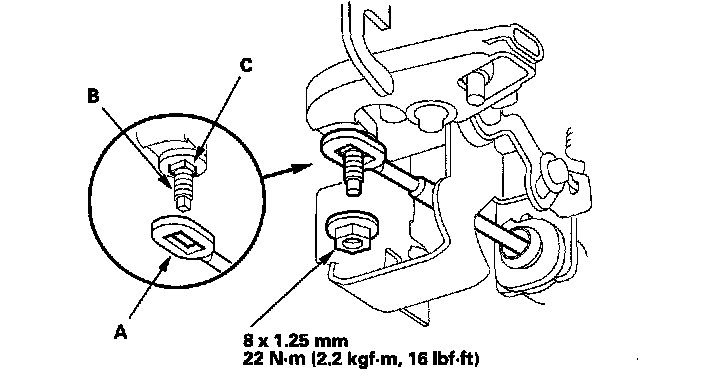
11. Install the shift cable end (A) to the mounting stud (B) by aligning its flat surfaces with the square shape (C) at the bottom of the stud.








12. Verify that the shift cable end (A) is properly installed on the mounting stud (B).
13. If improperly installed, remove the shift cable from the shift cable bracket, and reinstall the shift cable. Do not install the shift cable end on the mounting stud while the shift cable is on the shift cable bracket.
14. Install and tighten the nut to the specified torque.
15. Remove the 6.0 mm (0.24 inch) pin that was installed to hold the shift lever.
16. Connect the shift lock solenoid connector and park pin switch connector.
17. Move the shift lever to each gear, and verify that the A/T gear position indicator follows the transmission range switch.
18. Push the shift lock release, and verify that the shift lock lever releases.