Operation CHARM: Car repair manuals for everyone.
Manuals through 2025 now available!

Our trusted friends have launched a new website named LEMON, which has newer manuals. It also contains all the CHARM manuals.

LEMON is the spiritual successor to CHARM, I recommend you try it!

Link: lemon-manuals.la or lemon-manuals.org.ua

(Some people have issue connecting. LEMON is investigating. For now, use Firefox or change your DNS server)

Or, hide this message: temporarily or permanently

Disassembly

STARTER

DISASSEMBLY




1. Disconnect the M-terminal (A) on the magnet switch assembly (B)




2. After loosening the 3 screws (A), detach the magnet switch assembly (B).




3. Loosen the through bolts (A).




4. Remove the brush holder assembly (A), yoke (B) and armature (C).




5. Remove the packing (B).




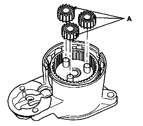
6. Disconnect the planet gear (A).




7. Disconnect the planet shaft assembly (A) and lever (B).




8. Press the stop ring (A) using a socket (B).




9. After removing the stopper (A) using stopper pliers (B).




10. Disconnect the stop ring (A), overrunning clutch (B), internal gear (C) and planet shaft (D).
11. Reassembly is the reverse of disassembly.






NOTE: Using a suitable pulling tool (A), pull the overrunning clutch stop ring (B) over the stopper (C).