Operation CHARM: Car repair manuals for everyone.
Manuals through 2025 now available!

Our trusted friends have launched a new website named LEMON, which has newer manuals. It also contains all the CHARM manuals.

LEMON is the spiritual successor to CHARM, I recommend you try it!

Link: lemon-manuals.la or lemon-manuals.org.ua

(Some people have issue connecting. LEMON is investigating. For now, use Firefox or change your DNS server)

Or, hide this message: temporarily or permanently

Conventional Brake System

Brake system bleeding

NOTE:
1) Do not reuse the drained fluid.
2) Always use Genuine DOT 3 or DOT 4 Brake Fluid. Using a non-Genuine DOT 3 or DOT 4 brake fluid can cause corrosion and decrease the life of the system.
3) Make sure no dirt of other foreign matter is allowed to contaminate the brake fluid.
4) Do not spill brake fluid on the vehicle, it may damage the paint; if brake fluid does contact the paint, wash it off immediately with water.
5) The reservoir on the master cylinder must be at the MAX (upper) level mark at the start of bleeding procedure and checked after bleeding each brake caliper. Add fluid as required.

1. Make sure the brake fluid level in the reservoir is at the MAX (upper) level line.
2. Have someone slowly pump the brake pedal several times, and then apply steady pressure.
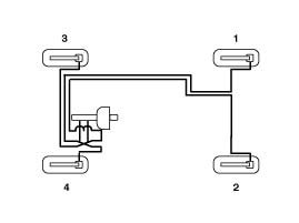
3. Loosen the right-rear brake bleed screw to allow air to escape from the system. Then tighten the bleed screw securely.
4. Repeat the procedure for each wheel in the sequence shown below until air bubbles no longer appear in the fluid.





5. Refill the master cylinder reservoir to the MAX (upper) level line.

Front disc brake:




Rear disc brake:




Rear drum brake: