Operation CHARM: Car repair manuals for everyone.
Manuals through 2025 now available!

Our trusted friends have launched a new website named LEMON, which has newer manuals. It also contains all the CHARM manuals.

LEMON is the spiritual successor to CHARM, I recommend you try it!

Link: lemon-manuals.la or lemon-manuals.org.ua

(Some people have issue connecting. LEMON is investigating. For now, use Firefox or change your DNS server)

Or, hide this message: temporarily or permanently

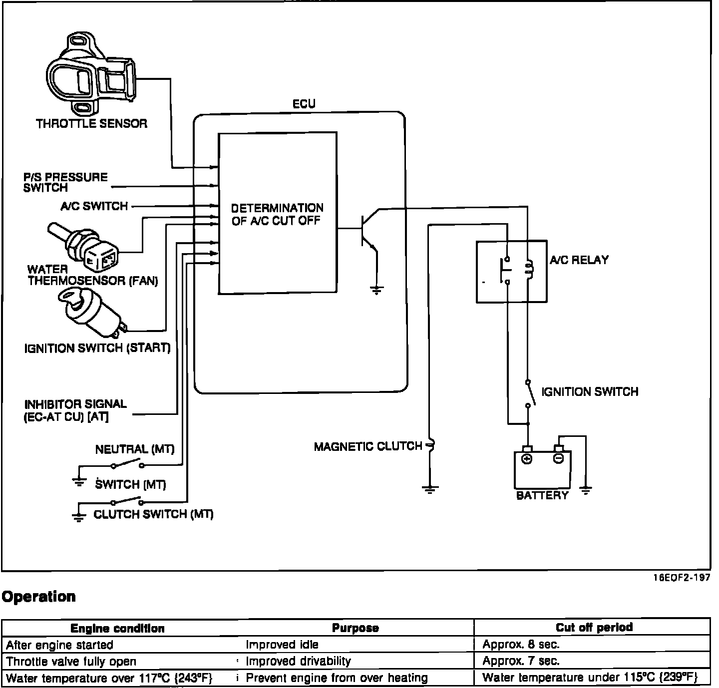
A/C Signal: Description and Operation

A/C Cut-Off System:






PURPOSE
System is used to improve idle smoothness just after starting, improve acceleration performance and driveability, and prevent engine overheating.

OPERATION
ECU cancels A/C clutch operation under these conditions:

^ After engine start for approximately 8 sec.
^ Throttle fully open for approximately 7 sec.
^ Coolant temperature above 243°F (117°C), until temperature decreases below 239°F (115°C).